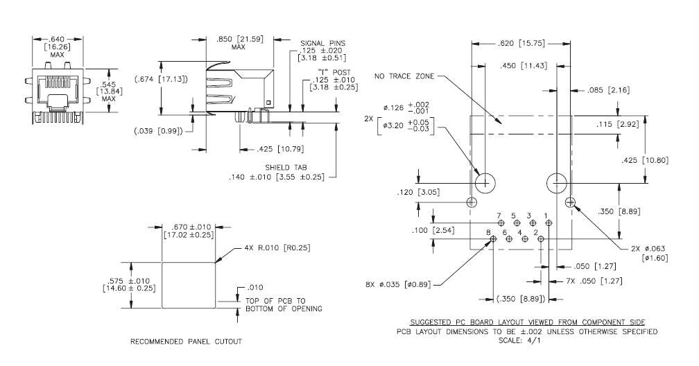
Степень вертикальное RJ45 модульный Джек J0018D21NL 180 с UL одобрила
Характер продукции:
Быстрые локальные сети RJ45
Особенности и преимущества:
Электрическая сводка выработки:
Степень вертикальное RJ45 модульный Джек J0018D21NL 180 с UL одобрила
1x1 продукты платы-ВНИз RJ45 Джек:
| Электротехнические условия @ 25°C - рабочая температура 0°C к +70°C | |||||||||||||||
| RoHS Уступчивый Номер детали (Количество портов) | Повороты Коэффициенты | EMI Пальцы | СИД L/R | Ввод (ТИП dB) | Потеря возвращения (ТИП dB) 100Ω (±15Ω) | Потеря возвращения (ТИП dB) 100Ω (±15Ω) | Единый режим Сброс (ТИП dB) | Hipot (Vrms) | |||||||
| TX | RX | 1-65 MHz | 1-10 MHz | 10-30 MHz | 30-60 MHz | 60-80 MHz | 1-30 MHz | 30-60 MHz | 60-100 MHz | 1-50 MHz | 50-150 MHz | @60Hz 1 МИНУТА | |||
| J0006D01BNL | 1CT: 1 | 1CT: 1 | Никакой | G/Y | -1,0 | -20 | -16 | -12 | -10 | -40 | -35 | -30 | -30 | -20 | 2250 |
| J0006D21NL | 1CT: 1 | 1CT: 1 | Никакой | N/A | -1,0 | -20 | -16 | -12 | -10 | -40 | -35 | -30 | -30 | -20 | 2250 |
| J0006D21BNL | 1CT: 1 | 1CT: 1 | УТВЕРДИТЕЛЬНЫЙ ОТВЕТ | G/Y | -1,0 | -20 | -16 | -12 | -10 | -40 | -35 | -30 | -30 | -20 | 2250 |
| J0011D01NL | 1CT: 1 | 1CT: 1 | УТВЕРДИТЕЛЬНЫЙ ОТВЕТ | N/A | -1,0 | -20 | -16 | -12 | -10 | -40 | -35 | -30 | -30 | -20 | 2250 |
| J0011D01BNL | 1CT: 1 | 1CT: 1 | Никакой | G/Y | -1,0 | -20 | -16 | -12 | -10 | -40 | -35 | -30 | -30 | -20 | 2250 |
| J0011D21NL | 1CT: 1 | 1CT: 1 | УТВЕРДИТЕЛЬНЫЙ ОТВЕТ | N/A | -1,0 | -20 | -16 | -12 | -10 | -40 | -35 | -30 | -30 | -20 | 2250 |
| J0011D21BNL | 1CT: 1 | 1CT: 1 | УТВЕРДИТЕЛЬНЫЙ ОТВЕТ | G/Y | -1,0 | -20 | -16 | -12 | -10 | -40 | -35 | -30 | -30 | -20 | 2250 |
| J0011D21ENL | 1CT: 1 | 1CT: 1 | УТВЕРДИТЕЛЬНЫЙ ОТВЕТ | G/G | -1,0 | -20 | -16 | -12 | -10 | -40 | -35 | -30 | -30 | -20 | 2250 |
| J0012D21NL | 1CT: 1 | 1CT: 1 | УТВЕРДИТЕЛЬНЫЙ ОТВЕТ | N/A | -1,0 | -20 | -16 | -12 | -10 | -40 | -35 | -30 | -30 | -20 | 2250 |
| J0018D21NL | 1:1.41 | 1CT: 1 | УТВЕРДИТЕЛЬНЫЙ ОТВЕТ | N/A | -1,0 | -20 | -16 | -12 | -10 | -40 | -35 | -30 | -30 | -20 | 2250 |
| J0018D21ENL | 1:1.41 | 1CT: 1 | УТВЕРДИТЕЛЬНЫЙ ОТВЕТ | G/G | -1,0 | -20 | -16 | -12 | -10 | -40 | -35 | -30 | -30 | -20 | 2250 |
| J0026D01NL | 1CT: 1 | 1CT: 1 | Никакой | N/A | -1,0 | -20 | -16 | -12 | -10 | -40 | -35 | -30 | -30 | -20 | 2250 |
| J0026D01BNL | 1CT: 1 | 1CT: 1 | Никакой | G/Y | -1,0 | -20 | -16 | -12 | -10 | -40 | -35 | -30 | -30 | -20 | 2250 |
| J0026D01ENL | 1CT: 1 | 1CT: 1 | Никакой | G/G | -1,0 | -20 | -16 | -12 | -10 | -40 | -35 | -30 | -30 | -20 | 2250 |
| J0026D21NL | 1CT: 1 | 1CT: 1 | УТВЕРДИТЕЛЬНЫЙ ОТВЕТ | N/A | -1,0 | -20 | -16 | -12 | -10 | -40 | -35 | -30 | -30 | -20 | 2250 |
| J0026D21BNL | 1CT: 1 | 1CT: 1 | УТВЕРДИТЕЛЬНЫЙ ОТВЕТ | G/Y | -1,0 | -20 | -16 | -12 | -10 | -40 | -35 | -30 | -30 | -20 | 2250 |
| J0026D21ENL | 1CT: 1 | 1CT: 1 | УТВЕРДИТЕЛЬНЫЙ ОТВЕТ | G/G | -1,0 | -20 | -16 | -12 | -10 | -40 | -35 | -30 | -30 | -20 | 2250 |
| J0026D21FNL | 1CT: 1 | 1CT: 1 | УТВЕРДИТЕЛЬНЫЙ ОТВЕТ | G/Y | -1,0 | -20 | -16 | -12 | -10 | -40 | -35 | -30 | -30 | -20 | 2250 |
| J0026D21GNL | 1CT: 1 | 1CT: 1 | УТВЕРДИТЕЛЬНЫЙ ОТВЕТ | YG/G | -1,0 | -20 | -16 | -12 | -10 | -40 | -35 | -30 | -30 | -20 | 2250 |
| J00-0014NL | 1CT: 1 | 1CT: 1 | Никакой | N/A | -1,0 | -20 | -16 | -12 | -10 | -40 | -35 | -30 | -30 | -20 | 2250 |
| J00-0045NL | 1CT: 1 | 1CT: 1 | Никакой | G/Y | -1,0 | -20 | -16 | -12 | -10 | -40 | -35 | -30 | -30 | -20 | 2250 |
| J00-0061NL | 1CT: 1 | 1CT: 1 | УТВЕРДИТЕЛЬНЫЙ ОТВЕТ | N/A | -1,0 | -20 | -16 | -12 | -10 | -40 | -35 | -30 | -30 | -20 | 2250 |
| J00-0065NL | 1CT: 1 | 1CT: 1 | УТВЕРДИТЕЛЬНЫЙ ОТВЕТ | G/Y | -1,0 | -20 | -16 | -12 | -10 | -40 | -35 | -30 | -30 | -20 | 2250 |
Степень вертикальное RJ45 модульный Джек J0018D21NL 180 с UL одобрила


Степень вертикальное RJ45 модульный Джек J0018D21NL 180 с UL одобрила
КАК ПРИКАЗАТЬ
1. Пожалуйста отправьте мной ваши схему данных или номер детали вам.
2. Мы предложим цитату замены для вашей ссылки
3. Свободные образцы доступны для вашего утверждения.
4. После того как образец испытывая, мы шагнет в массовый заказ.
5. Proforma фактура отправит для вашего подтверждения
6. После того как товары закончили, мы отправляем товары в вас и говорим вам отслеживая номер.
7. Мы будем отслеживать ваши товары до тех пор пока вы не получите товары.
Примечания:
1. заказы образца доступны.
2. цена могуща быть предметом переговоров для заказов большого количества.
3. подгонянные заказы (заказы OEM/ODM) доступны.
4. свяжитесь мы для доступного списка вкусов. Международные аттестации:
1. ISO9001: 2008
2. UL
3. достигаемость
4. RoHs
Наше обслуживание:
1. 100% испытанное перед грузить
2. Имейте альтернативу для венчика, Pluse, Мы-онлайн, Chilisin, Coilcraft ...... такое же качество но лучшая цена
3. свободный образец доступный
4. обеспечьте новый дизайн для клиента