Порты RJ45 модульный Джек J20-0116NL 2*8 множественные для применений ворот.
Характер продукции:
Основание-TX 100 (быстрые локальные сети) RJ45 2x8 интегрировало модуль соединителя (ICM) с или без СИД -
Конструировал поддержать применения переключателя и ворот
Особенности и преимущества:
Электротехнические условия @ 25°C - °C рабочей температуры 0 к 70°C
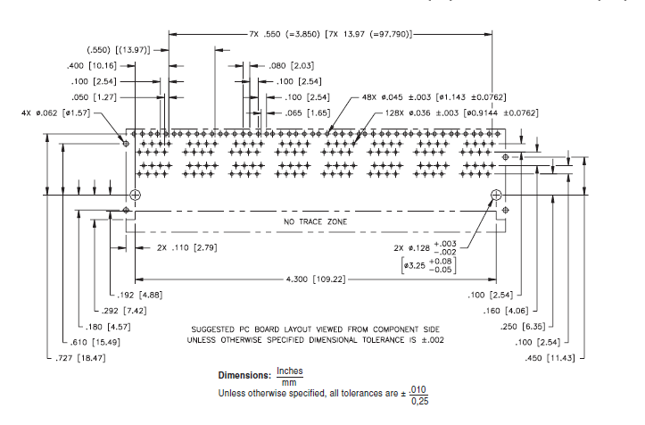
1. Номер детали: J20-0116NL
2. Но. портов: 16
3. СИД L/R: G/Y, G/Y
4. Вносимая потеря (ТИП dB):
5. Потеря возвращения (ТИП) 100Ω dB (±15Ω)
6. Помеха (ТИП dB):
Сброс единого режима (ТИП dB)
Порты RJ45 модульный Джек J20-0116NL 2*8 множественные для применений ворот.
Guration жулика СИД:
| ЭЛЕКТРОТЕХНИЧЕСКИЕ УСЛОВИЯ СИД | ||
|---|---|---|
| ИСПУЩЕННЫЙ ЦВЕТ | ЗЕЛЕНЫЙ ЦВЕТ | ЖЕЛТЫЙ ЦВЕТ |
| ДЛИНА ВОЛНЫ (если = 20 мам), то | 570 nm | 590 nm |
| ЯРКОСТЬ - МИНУТА К МАКС (mcd) если -, то (мамы) | 5 ДО 12 20 | 3,5 ДО 8,5 20 |
| УГОЛ НАБЛЮДЕНИЯ | 120° | 120° |
| ДИССИПАЦИЯ СИЛЫ (Pd) | МАКСИМУМ 85 mW | МАКСИМУМ 85 mW |
| ПРОПУСКНОЙ ТОК (0,1 госпожи ИМП УЛЬС) | 160 мам МАКСИМАЛЬНЫХ | 160 мам МАКСИМАЛЬНЫХ |
| ПРОПУСКНОЕ НАПРЯЖЕНИЕ (Vf) (если = 20 мам), то | 2,8 МАКСИМУМ V | 2,8 МАКСИМУМ V |
Порты RJ45 модульный Джек J20-0116NL 2*8 множественные для применений ворот.


Порты RJ45 модульный Джек J20-0116NL 2*8 множественные для применений ворот.

Порты RJ45 модульный Джек J20-0116NL 2*8 множественные для применений ворот.
КАК ПРИКАЗАТЬ
1. Пожалуйста отправьте мной ваши схему данных или номер детали вам.
2. Мы предложим цитату замены для вашей ссылки
3. Свободные образцы доступны для вашего утверждения.
4. После того как образец испытывая, мы шагнет в массовый заказ.
5. Proforma фактура отправит для вашего подтверждения
6. После того как товары закончили, мы отправляем товары в вас и говорим вам отслеживая номер.
7. Мы будем отслеживать ваши товары до тех пор пока вы не получите товары.
Примечания:
1. заказы образца доступны.
2. цена могуща быть предметом переговоров для заказов большого количества.
3. подгонянные заказы (заказы OEM/ODM) доступны.
4. свяжитесь мы для доступного списка вкусов. Международные аттестации:
1. ISO9001: 2008
2. UL
3. достигаемость
4. RoHs
Наше обслуживание:
1. 100% испытанное перед грузить
2. Имейте альтернативу для венчика, Pluse, Мы-онлайн, Chilisin, Coilcraft ...... такое же качество но лучшая цена
3. свободный образец доступный
4. обеспечьте новый дизайн для клиента