Линия держателя Shareway поверхностная соответствуя кресту Tranformer к SM-LP-5001 использовала для модемов
Особенности
■Subminiature в SMT
■7,5 mm усаженной высоты
■Искажение только 0.015%
■Помещенный вакуум
■RoHS complian
Материалы:
■Терминальная плакировка: Sn/Ag/Cu
■Для пользы с порекомендованной цепью (классом импеданса BS6305 не-речь или речь b класса).
■SM-LP-5001 симметрично, значить там не реальная первичная ни вторичная замотка.
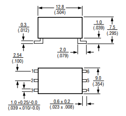
Механические размеры:

Применения:
■Модемы (V32)
■Ноутбуки
■Радиосвязи
■Инструментирование
Как сделать заказ заказ к нам:
1. Пожалуйста отправьте вашу схему данных требования в нас.
2. Мы обеспечим падение в альтернативе и цену для для того чтобы сослаться.
3. Если ок цены, тогда мы отправим вами некоторый свободный образец для испытывать.
4. После испытывать, вы можете установить массовые заказ и процесс оплата.
5. Время выполнения для массового заказа обычно около 4 недели.
6. Когда заказ готов, мы грузим вне и отправим вами грузя детали для отслеживать.
Для получения дополнительной информации, пожалуйста свяжитесь Карен (sales04@shareway-tech.com) свободно!