760805410 дросселей коррекции фактора силы настоящего трансформатора разделенного ядра
Характеристики
Применения
Электрические свойства:
| Свойства | Условия испытаний | Значение | Блок | Tol | |
| Индуктивность | L | N1/ 100 КГц 100 mV | 225 | µH | ±10% |
| Расклассифицированное течение | N1/ ΔT = 40 K | 2,4 | максимальный | ||
| Течение сатурации | Я SAT | N1/ |ΔL/L| < 20=""> | 12,4 | тип. | |
| Сопротивление 1 DC | RDC | N1/ °C 20 | 87 | mΩ | максимальный. |
| Сопротивление 2 DC | RDC | N1/ °C 20 | 200 | mΩ | максимальный. |
| Ввод напряжения | Vin | 85 - 265 | V (AC) | ||
| Коэффициент поворотов | n | N1: N2 | 39:4 | ±3% | |
| Сила 1 выхода | PO1 | 200 | W | ||
| Напряжение тока теста изоляции | VT | N2 => N1 | 1500 | V (AC) |
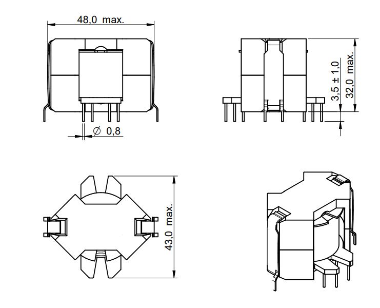
Форма и размеры:

Изображение продукта:

760805410 дросселей коррекции фактора силы настоящего трансформатора разделенного ядра
О нас
CO. технологии ShareWay, LTD. специализированный изготовитель компонентов PoE, продуктов включает трансформатор PoE, PoE RJ45 Magjack, трансформатор Lan PoE, фильтр Lan PoE, и так далее.
Установленный в 1998, мы имеем около 500 штат в настоящее время. С обильной производительной способностью, мы можем поставить товары в течение короткого времени. Кроме того, мы можем обеспечить профессиональное полное решение для применений PoE. Наши продукты широко использованы в сети и оборудовании связи как модемы ЭПИЦЕНТРА ДЕЯТЕЛЬНОСТИ, РС карт, переключателя, маршрута, ПК Mainboard, SDH, PDH, и xDSL.
История компании
1997 CO. технологии ShareWay, LTD. было основано в Шэньчжэне, Гуандуне, Китае. Начните продажу
дискретные трансформаторы LAN, T1/E1 и линия трансформатор xDSL.
1999 установленное основание в Шэньчжэне, начало продукции производящ трансформаторы PoE, T1/E1
и линия трансформатор xDSL.
2000 получил аттестацию ISO9000.
2000 развейте соединитель PoE RJ45 который с трансформаторами LAN.
2002 развейте SMT и вертикальный соединитель PoE RJ45 с магнитным.
2008 развейте индуктор и дроссели силы SMT/DIP
Свяжитесь мы теперь для того чтобы иметь решение для вашего проекта и новый дизайн, мы всегда готовы делить наш успешный путь с вами.
КАК ПРИКАЗАТЬ
1. Пожалуйста отправьте мной ваши схему данных или номер детали вам.
2. Мы предложим цитату замены для вашей ссылки
3. Свободные образцы доступны для вашего утверждения.
4. После того как образец испытывая, мы шагнет в массовый заказ.
5. Proforma фактура отправит для вашего подтверждения
6. После того как товары закончены, мы отправляем товары в вас и говорим вам отслеживая номер.
7. Мы будем отслеживать ваши товары до тех пор пока вы не получите товары.
Примечания:
1. заказы образца доступны.
2. цена могуща быть предметом переговоров для заказов больших количеств.
3. подгонянные заказы (заказы OEM/ODM) доступны.
4. свяжитесь мы для доступного списка вкусов. Международные аттестации:
1. ISO9001: 2008
2. UL
3. достигаемость
4. RoHs
Наше обслуживание:
1. 100% испытанное перед грузить
2. Имейте альтернативы для венчика, Pluse, Мы-онлайн, Chilisin, и Coilcraft ...... такое же качество но лучшая цена
3. свободные образцы доступные
4. обеспечьте новый дизайн для клиента