1.PAD002-T764111S = ST46411ANL предназначен для преобразования 3.3V в 5V, типичным применением является преобразователь постоянного тока / постоянного тока.Максимальный выходный ток может достигать 250mA.
2. Подходит для постоянного тока и других силовых приложениях, подходит для SN650X, MAX253, MAX845, ADM2485 и других популярных драйверов трансформаторов.
3. 3100 Vrms 60 Seconds Изоляция между обмотками в миниатюрном упаковке для поверхностного монтажа.
4Каждый трансформатор имеет пластиковую крышку или крышку из нержавеющей стали, что может обеспечить отличную поверхность для автоматического размещения.
5. МИнтимный рейтинг 11Vus, расстояние между первичным и вторичным двигателями минимум 8 мм.
- Что?
| Номер части | Номер части трейдера | Соотношение поворотов | Первичная индуктивность @ 100 кГц/0,1 В ± 10% (μH) | V x T (Vμs) | Максимальный DCR. | Максимальный DCR. | Изоляционное напряжение (VRMS) | |
| (1-3): ((6-4) | (1-3) | (1-3) | (1-3) | (6-4) | (1-3): ((6-4) | |||
| ST46404ANL | PAD001-T764117S | 1:1.7 | 475 | 11 | 650 | 900 | 3100 | |
| ST46406ANL | PAD001-T764120S | 1:2 | 475 | 11 | 650 | 1000 | 3100 | |
| ST46411ANL | PAD002-T764111S | 1:1.1 | 475 | 11 | 650 | 700 | 3100 | |
| ST46413ANL | PAD002-T764113S | 1:1.3 | 475 | 11 | 650 | 800 | 3100 |
1Индуктивность измеряется при 100 кГц, 0,1 ВРМ, 0 АДц
2Индуктивность утечки измеряется при 100 кГц, 0,1 ВРМ при коротком замыкании вторичных булав.
3SRF измеряется катушками, соединенными в серии с помощью Agilent/HP 4192 или эквивалентного.
4- диапазон температуры работы от -40°C до +125°C.
5Электрические характеристики при 25°С.
760390013 760390015
750313769 750313626
750316028 750316029
750316031 750316032
750316855 750316887
750316853 750317072
750315371 750316030
750316033 760390012
760390014 750313734
750313638 750315240
750342879 750343341
750316016 750316017
750316018
750316669 750316670
750316671 750316019
750316854 750316856
750316886 750316888
750316819 750316818
750316769 750316770
750343725 750317829
750317830 750342312
750343547 750343548
750317331 750317828
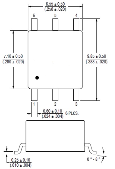
Форма и размерыВ соответствии сИзоляция трансформатора PCB 475uH 2W для серийных коммуникаций PAD002-T764111S:


СхемаИзоляция трансформатора PCB 475uH 2W для серийных коммуникаций PAD002-T764111S:

Изображение продуктаИзоляция трансформатора PCB 475uH 2W для серийных коммуникаций PAD002-T764111S:


Почему мы?
Работая со всемирно известными брендами, включая Honeywell, Jabil и NorthBound Networks, с быстрым сроком и высоким качеством,
Мы всегда делаем наших клиентов счастливыми, вы можете быть следующим:).
Shareway - предпочтительный поставщик Honeywell.
SHAREWAY ST0531NL используется в системе безопасности Honeywell.
Джабиль является OEM для этого проекта.
Shareway является предпочтительным поставщиком NorthBound Networks.
Shareway SRJ2113ABNL используется в ZODIAC FXпереключатель OpenFlowСеть "Северное пограничное".
Northbound Networks является OEM для этого проекта.



Вопрос: Могу ли я получить образцы для проверки качества?
О: Да, вы можете купить некоторые образцы любой из наших продуктов для тестирования качества и рынка
Вопрос: Каково время доставки, если мы разместим заказ?
О: это зависит от количества заказа. Обычно мы можем доставить товары в течение 3-5 рабочих дней для небольших заказов, но для больших количеств, давайте подтвердим, когда вы разместите официальный заказ.
Вопрос: Принимаете ли вы OEM / ODM?
О: Мы поддерживаем услуги OEM / ODM, мы превращаем вашу идею в реальность.
Q: Могу ли я иметь свой собственный логотип на продуктах?
Да, вы можете поставить свой логотип на продукцию с необходимым количеством заказа. Пожалуйста, просто отправьте нам информацию о вашем логотипе.
Вопрос: Соответствуют ли ваши продукты требованиям CE/ROHS?
Да, товары с сертификацией CE/ROHS одобрены для обеспечения высокого качества.
Как производитель, мы можем гарантировать срок доставки в соответствии с формальным контрактом.
Эффективные отделы закупок и производства позволяют нам доставлять товары вовремя и мы можем предоставить удивительное послепродажное обслуживание.Мы предлагаем высококачественные продукты с высоким уровнем обслуживания.Давайте поговорим подробнее, чтобы это произошло.