Бессвинцовый и совместимый с RoHS SMPS Flyback Transformer 750318701
Характеристики
Заявления
Электрические спецификации @ 25C, если не указано иное:
| Параметр | Условия испытания | СТАТЬЯ |
| DC RESISTANCE 1 - 4 | tie ((1+2,3+4), @20°C |
0.090 Омма максимум |
|
DC RESISTANCE 5-8 (от английского) |
tie ((5+6,7+8), @20°C |
0Максимально 0,091 Ом. |
| Индукция 1-4 |
tie ((1+2,3+4) 10kHz, 100mVAC,Ls |
80,6uH ± 10% |
|
НАСТАВЛЕНИЕ СЕГО 1-4 |
tie ((1+2,3+4), 20% от первоначального |
6.25А |
| Индукция утечки 1-4 |
tie ((1+2,3+4,5+6+7+8), 100 кГц, 100 мВС,Ls |
250 нГ типично, 500 нГ максимум |
| Диэлектрик 1-8 |
привязка ((3+4,5+6), 1500ВАК,1 секунда |
- |
| Отношение поворота |
(1-4): ((5-8), ничья (1+2,3+4,5+6,7+8) |
1,± 1% |
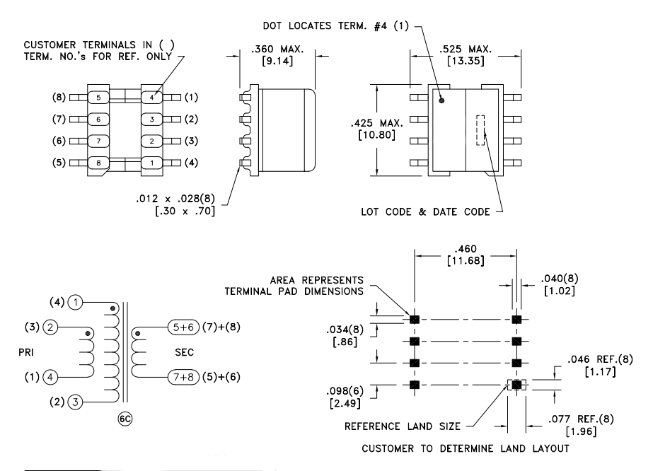
Форма и размеры:

Изображение продукта:

Бессвинцовый и совместимый с RoHS SMPS Flyback Transformer 750318701
О нас
ShareWayTechnology CO., LTD. является специализированным производителем компонентов PoE, продукция включает в себя трансформатор PoE, PoE RJ45 Magjack, трансформатор PoE Lan, фильтр PoE Lan и так далее.
Мы были созданы в 1998 году и в настоящее время насчитываем около 500 сотрудников.мы можем предоставить профессиональное полное решение для приложений PoEНаши продукты широко используются в сетевом и коммуникационном оборудовании, таких как HUB, ПК-карты, коммутаторы, маршруты, ПК-майнборд, SDH, PDH и xDSL-модемы.
История компании
1997 ShareWay Technology CO., LTD. была основана в Шэньчжэне, Гуандун, Китай.
дискретные трансформаторы LAN, T1/E1 и линейный трансформатор xDSL.
1999 Учреждение производственной базы в Шэньчжэне, начало производства трансформаторов PoE, T1/E1
и линейный трансформатор xDSL.
2000 Получил сертификацию ISO9000.
2000 Разработать разъем PoE RJ45 с LAN трансформаторами.
2002 Разработать SMT и вертикальный PoE RJ45 соединитель с магнитным.
2008 Разработать SMT/DIP силовой индуктор и удушители
Свяжитесь с нами сейчас, чтобы получить решение для вашего проекта и нового дизайна, мы всегда готовы поделиться с вами нашим успешным Путем.
Как заказать
1Пожалуйста, присылайте мне необходимый лист данных или номер части.
2Мы предложим замену для вашей справки.
3Бесплатные образцы доступны для вашего одобрения.
4После пробного тестирования мы перейдем к массовому заказу.
5Проформа-фактура будет отправлена для вашего подтверждения.
6После того, как товар закончится, мы отправим товар вам и скажем номер отслеживания.
7Мы будем отслеживать ваш товар, пока вы не получите товар.
Примечания:
1Заказы на образцы доступны.
2Цена подлежит обсуждению для больших заказов.
3. Заказы на заказ (заказы OEM / ODM) доступны.
4Свяжитесь с нами, чтобы узнать список доступных вкусов.
1. ISO9001:2008
2. UL
3Достигай.
4. RoHs
Наш сервис:
1. 100% испытано перед отправкой
2. Есть альтернативы для Halo, Plus, We-online, Chilisin, и Coilcraft...... То же качество, но лучшая цена
3Бесплатные образцы доступны.
4. Предоставить новый дизайн для клиента