Характеристика продукта трансформатора изоляции преобразователя 1CT:1CT для MAX3535E:
| Номер части | Номер части трейдера | Константа Pri ET (V-us Min) | Отношение поворотов (± 3%) Pri: Sec | Первичный DCR (Ом Макс) | Типичный OCL) | Изоляционные Vrms |
| SGMR-350 | TGMR-350V6LF | 22 | 1CT:1CT | 0.9 | 800 | 3000 |
| SGMR-355 | TGMR-355V6LF | 22 | 1КТ:1.5CT | 0.9 | 800 | 3000 |


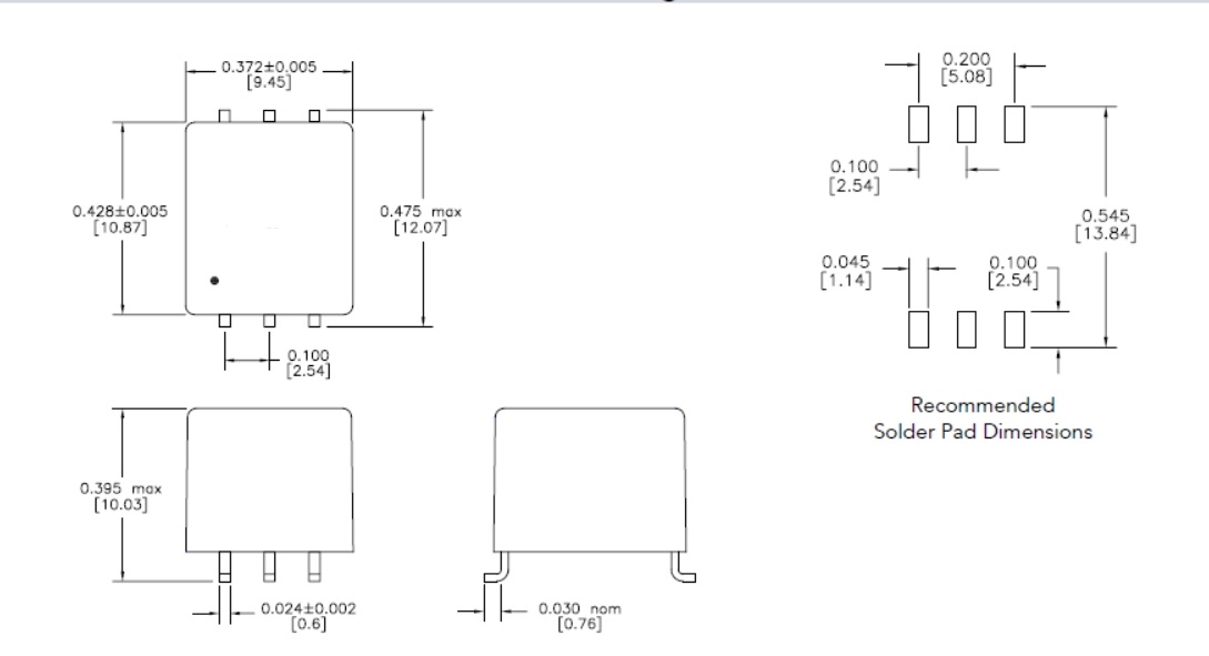
Фото TGMR350V6LF 6 Pin 3KVrms Модули изоляции преобразователя DC / DC для MAX253, MAX845 и MAX3535




Сопутствующие продукты:
Изолирующий трансформатор:
https://www.smpsflybacktransformer.com/sale-13941765-epc3117s-1-lf-push-pull-low-power-transformer-designed-for-use-with-maxim-845-ic.html
Трансформатор однофазного аудиоусилителя:
https://www.smpsflybacktransformer.com/sale-10176547-однофазный аудиоусилитель-трансформатор-ce-rohs-approved.html
Радиочастотный широкополосный трансформатор:
https://www.smpsflybacktransformer.com/sale-10566011-pwb-1-al-300v-1-4watt-smps-flyback-transformer-surface-mount-wideband-rf-transformers.html
Трансформатор push-pull, используемый с Texas Instruments TIDA-00951 REV E2
https://www.smpsflybacktransformer.com/quality-11176814-st3439nl-is-a-pin-to-pin-alternative-to-750343341-mid-ppti-push-pull-transformer-process-control-for
Почему выбрали нас?
Как производитель, мы делаем все возможное, чтобы обеспечить сроки доставки в соответствии с формальным контрактом.
Эффективные отделы закупок и производства позволяют нам доставлять товары вовремя и мы можем предоставить удивительное послепродажное обслуживание.Мы предлагаем высококачественные продукты с качественным обслуживанием.Давайте поговорим подробнее, чтобы это произошло.
Мы работаем со всемирно известными брендами, включая Honeywell, Jabil и NorthBound Networks, с быстрым сроком поставки и высоким качеством, мы всегда делаем наших клиентов счастливыми,И ты можешь быть следующим.:).
Shareway - предпочтительный поставщик Honeywell.
SHAREWAY ST0531NL используется в системе безопасности Honeywell.
Джабиль является OEM для этого проекта.
Shareway является предпочтительным поставщиком NorthBound Networks.
Shareway SRJ2113ABNL используется в ZODIAC FX OpenFlow switch NorthBound Networks.
Northbound Networks является OEM для этого проекта.


