1.Designed, который нужно использовать с интерфейсом ICs сентенции RS-232/RS-485.
2.Suitable для привода ворот и других применений силы, соответствующее для MAX250, MAX251, MAX253 и MAX485 для снабжать силу изолированная сторона интерфейса.
изоляция 3.1500Vrms между замотками в миниатюрном поверхностном пакете держателя
4. Каждый трансформатор имеет пластиковую расквартировывая крышку или крышку нержавеющей стали, которая могут обеспечить превосходную поверхность для автоматизированного размещения.
| Часть номер | Pri/sec напряжение тока | Индуктивность минимальный (μH) | Вольт-время продукт тип (Vμsec) | DCR максимальный (омы) | Изоляция pri-sec (Vrms) | Pri/sec емкость тип (pF) | Pri: sec Повороты коэффициент | Сила (W) | |
| pri | sec | ||||||||
| Q4470-CL | 5 v до 5 v | 400 (1-3) | 32 (1-3) | 0,950 (1-3) | 1,25 (6-4) | 1500 (1-4) | 0,87 | 1 CT: 1,3 CT | 0,25 |
1. Индуктивность измерила на 100 КГц, 0,1 Vrms, 0 Adc
2. индуктивность рассеяния измерила на 100 КГц, 0,1 Vrms с вторичными штырями замкнула накоротко.
3. SRF измерило с катушками соединятьыми последовательно используя Agilent/HP 4192 или эквивалент.
4. температурная амплитуда рабочей температуры −40°C к +125°C.
5. электротехнические условия на 25°C.
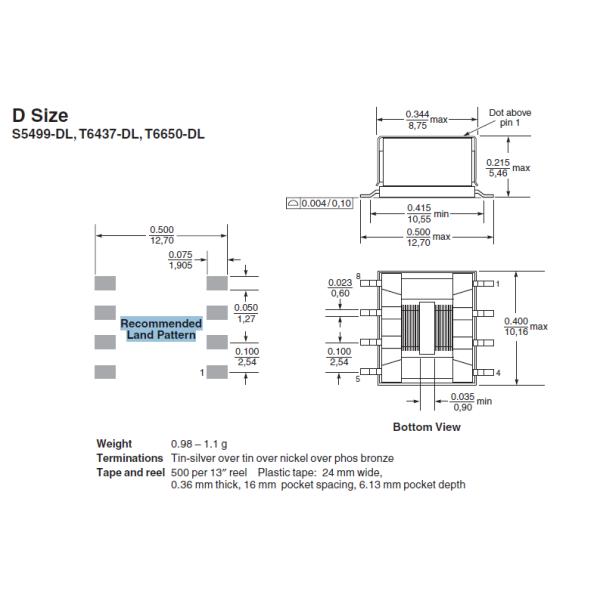
Форма и размеры:

Изображение продукта:


Почему мы?
Работающ со всемирными ВЕРХНИМИ клиентами бренда включая Хониуэлл, Jabil, NorthBound сети, с быстрым временем выполнения и высококачественный,
мы всегда делаем наших клиентов счастливый, вы смогли быть следующее одним:).
Shareway предпочитаемый поставщик Хониуэлл.
Shareway ST0531NL использовано в сигнале тревоги Хониуэлл безопасностью.
Jabil OEM для этого проекта.
Shareway предпочитаемый поставщик NorthBound сетей.
Shareway SRJ2113ABNL использовано в сетях переключателя ЗОДИАКА FX OpenFlow NorthBound.
NorthBound Netwroks OEM для этого проекта.



Q: Могу я иметь образцы для испытывая качества?
: Да, вы можете huy некоторые образцы всех наших продуктов для испытывая качества и рынка
Q: Что срок поставки если мы делаем заказ заказ?
: он зависит количества заказа. Обычно, мы можем поставить товары не позднее 3-5 рабочих дней для небольших заказов, для более большого количества, позволили нам подтвердить когда вы оффициальное распоряжение места.
Q: Вы принимаете OEM/ODM?
: Мы поддерживаем обслуживание OEM/ODM, мы trun ваша идея в реальность.
Q: Могу я иметь мой собственный логотип на продуктах?
Да, вы можете положить ваш логотип на продукты с необходимым количеством заказа. Пожалуйста как раз отправить нами информацию вашего логотипа.
Q: Ваши продукты соотвествуют CE/ROHS?
Да, товары с аттестацией CE/ROHS одобрили для того чтобы убеждаться высококачественное.
Как изготовитель, мы можем обеспечить срок поставки согласно официальному контракту.
Эффективные отделы покупать и продукции включают нас к доставке товары в срок и мы можем обеспечить изумляя обслуживание после продажи. Чего мы обеспечиваем высокопоставленные продукты с высокопоставленным обслуживанием. Позвольте нам поговорить больше в деталях для того чтобы сделать его случиться.