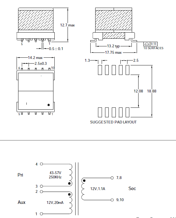
Мост утюга трансформатора EP-частоты EP-503SG для балласта лампы
Применения:
1. VCRS, машина экземпляра, звуковое оборудование, игровые автоматы
2. телевизоры, оборудование микрокомпьютера, принтеры, терминалы
3. аппаратура регулирования связей
4.Switching электропитание, заряжатели, аварийная система
5. оборудование игроков UPS, VCD/DVD, аудио и визуальных
6. машины OA, инверторы, заряжатели, аварийная система
Размер:
