Сила скорости гигабита над etherent магнитным RJ45 модульным JXK0-0136NL
Атрибуты продукта:
| Состояние части | Активный |
|---|---|
| Тип соединителя | RJ45 |
| Количество портов | 1 |
| Количество строк | 1 |
| Применения | 10/100/1000 оснований-T, AutoMDIX |
| Устанавливать тип | Через отверстие |
| Ориентация | Угол 90° (право) |
| Прекращение | Припой |
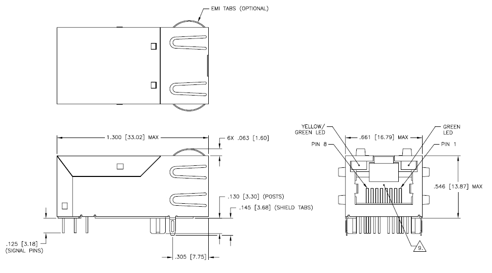
| Высота над доской | 0,546" (13.87mm) |
| Цвет СИД | Желтый, зеленый - зеленый |
| Количество ядров в Джек | 8 |
| Защищать | Защищенный, палец EMI |
| Особенности | Проводник доски |
| Направление платы | Вверх по |
| Материал контакта | Бронза светомассы |
| Финиш контакта | Золото |
| Рабочая температура | -40°C | 85°C |
| Толщина финиша контакта | 50.0µin (1.27µm) |
| Материал экрана | Медный сплав |
| Диэлектрический материал | Термопластиковый |
Размеры:
