10μH к типу индукторам 1415517C катушкы отверстия установки PCB 22mH
Описание:
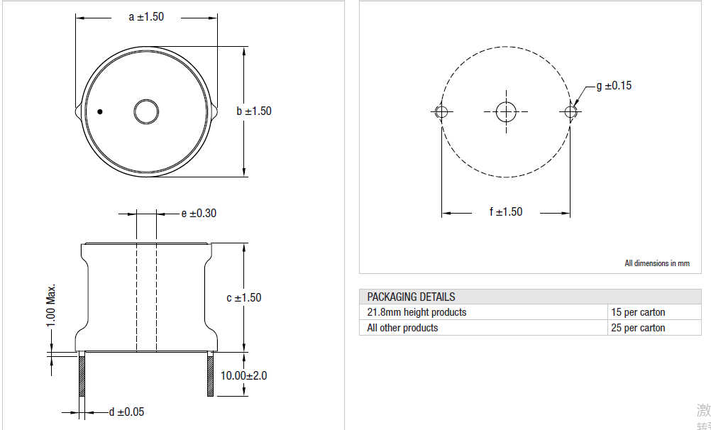
| Индуктивность, (1kHz, 0.1VAC) | DC Настоящий | DC Сопротивление | Q на f КГц | Q на f КГц | SRF | Механические размеры | Механические размеры | Механические размеры | Механические размеры | Механические размеры | След ноги | След ноги | |
| ±10% | Максимальный. | Максимальный. | Nom. | Nom. | Nom. | a | b | c | d | Øe | f | Øg | |
| Номер детали. | μH | Ω | Q | f | MHz | mm | mm | mm | mm | mm | mm | mm | |
| 1415517C | 1.5mH | 1,7 | 0,374 | 28 | 50 | 0,7 | 31,3 | 29,8 | 14,0 | 0,75 | 5,1 | 23,1 | 1,5 |
| 1422509C | 2.2mH | 0,9 | 1,000 | 43 | 50 | 0,9 | 25,3 | 24,4 | 18,5 | 0,48 | 5,5 | 23,2 | 0,9 |
| 1422512C | 2.2mH | 1,2 | 0,700 | 33 | 50 | 0,7 | 25,6 | 24,4 | 21,8 | 0,60 | 5,5 | 28,7 | 1,2 |
| 1422514C | 2.2mH | 1,4 | 0,622 | 33 | 50 | 0,6 | 31,1 | 29,8 | 14,0 | 0,67 | 5,1 | 23,0 | 1,3 |
| 1433507C | 3.3mH | 0,7 | 1,428 | 45 | 50 | 0,8 | 25,2 | 24,4 | 18,5 | 0,43 | 5,5 | 23,1 | 0,8 |
| 1433510C | 3.3mH | 1,0 | 1,992 | 20 | 50 | 0,7 | 25,5 | 24,4 | 21,8 | 0,54 | 5,5 | 28,6 | 1,0 |
| 1433512C | 3.3mH | 1,2 | 0,930 | 20 | 50 | 0,5 | 31,0 | 29,8 | 14,0 | 0,60 | 5,1 | 23,0 | 1,2 |
| 1447506C | 4.7mH | 0,6 | 2,200 | 60 | 50 | 0,6 | 25,2 | 24,4 | 18,5 | 0,39 | 5,5 | 23,1 | 0,7 |
| 1447508C | 4.7mH | 0,8 | 1,600 | 65 | 50 | 0,5 | 25,3 | 24,4 | 21,8 | 0,48 | 5,5 | 28,5 | 0,9 |
| 1447509C | 4.7mH | 0,9 | 1,400 | 57 | 10 | 0,5 | 30,9 | 29,8 | 14,0 | 0,54 | 5,1 | 23,0 | 1,0 |
| 1468505C | 6.8mH | 0,5 | 2,880 | 50 | 50 | 0,5 | 25,2 | 24,4 | 18,5 | 0,39 | 5,5 | 23,0 | 0,7 |
| 1468507C | 6.8mH | 0,7 | 2,300 | 47 | 50 | 0,4 | 25,2 | 24,4 | 21,8 | 0,43 | 5,5 | 28,5 | 0,8 |
| 1468508C | 6.8mH | 0,8 | 2,100 | 30 | 50 | 0,4 | 30,7 | 29,8 | 14,0 | 0,48 | 5,1 | 22,9 | 0,9 |
| 1410604C | 10mH | 0,4 | 4,340 | 51 | 50 | 0,4 | 25,1 | 24,4 | 18,5 | 0,34 | 5,5 | 23,0 | 0,6 |
| 1410605C | 10mH | 0,5 | 3,600 | 48 | 50 | 0,3 | 25,2 | 24,4 | 21,8 | 0,39 | 5,5 | 28,5 | 0,7 |
| 1410606C | 10mH | 0,6 | 2,600 | 48 | 50 | 0,2 | 30,9 | 29,8 | 21,8 | 0,54 | 5,1 | 28,3 | 1,0 |
| 1415604C | 15mH | 0,4 | 5,500 | 61 | 10 | 0,2 | 25,1 | 24,4 | 18,5 | 0,34 | 5,5 | 22,9 | 0,6 |
| 1415605C | 15mH | 0,5 | 3,740 | 55 | 10 | 0,2 | 30,6 | 29,8 | 21,8 | 0,43 | 5,1 | 28,4 | 0,8 |
| 1422604C | 22mH | 0,4 | 6,962 | 30 | 50 | 0,2 | 30,5 | 29,8 | 21,8 | 0,34 | 5,1 | 28,3 | 0,6 |
Размеры:
