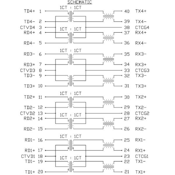
трансформатор изоляции 350uH для решений X5585999Q9-F сети
Влияние:
- Сигнал можно увеличить для того чтобы сделать его путешествовать более далеко;
- Конец обломока изолирован от снаружи, противоинтерференционная способность значительно увеличена, и обломок значительно защищен (как забастовка без предупреждения);
- Получая сетевые порты различных уровней (если обломоки некоторого PHY 2.5V и обломоки некоторого PHY 3.3V), то, они не повлияют на друг друга приборы.
Схема:
