Заварка трансформатора обратной связи EFD-412SG SMPS была использована в водителе СИД
Описание:
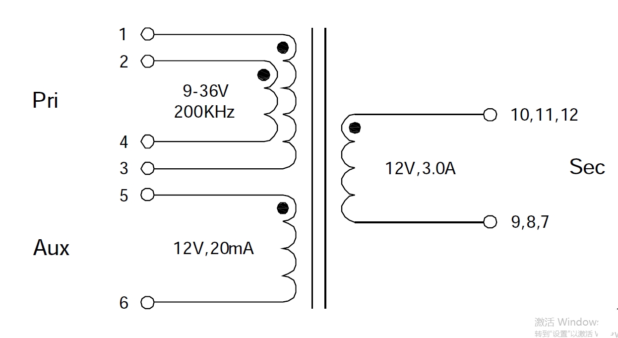
| Номер детали | EFD-412SG |
| Сила | 36w |
| Vinput | 9-36V |
| Выход | 12V, 3.0A |
| Вспомогательный/косой | 12V, 20mA |
| Freq применения | 200 |
| Индуктивность Pri | 4,5 |
| Индуктивность рассеяния | 0,2 |
| Pri-Sec Hi-бака (Vrms) | 1800 |
| Размер W*L*H (mm) | 29.3*21.85*12.0 |
Схемы:
