Особенности дросселей линии электропередач B82723A/J
Применения дросселей линии электропередач B82723A/J
Детали продукта дросселей линии электропередач B82723A/J:
| Горизонтальный номер детали версии | Горизонтальный номер детали торговца версии | Вертикальный номер детали версии | Вертикальный номер детали торговца версии | Irated (a) | Lrated (mH) | Lstray, печатает uH | Mohm Rtyp | ℃ TR |
| ST83723-56mH | B82723A2501N001 | ST82732-56mH | B82723J2501N001 | 0,5 | 56 | 800 | 2100 | +60 |
| ST82723-47mH | B82723A2601N001 | ST82732-47mH | B82723J2601N001 | 0,6 | 47 | 650 | 1650 | +70 |
| ST82723-39mH | B82723A2601N002 | ST82732-39mH | B82723J2601N002 | 0,6 | 39 | 430 | 1100 | +60 |
| ST82724-39mH | B82723A2102N002 | ST82734-39mH | B82723J2102N002 | 1,0 | 39 | 430 | 750 | +40 |
| ST82723-27mH | B82723A2102N001 | ST82732-27mH | B82723J2102N001 | 1,0 | 27 | 440 | 750 | +60 |
| ST82724-27mH | B82723A2142N020 | ST82734-27mH | B82723J2142N020 | 1,4 | 27 | 270 | 440 | +40 |
| ST82723-5.6mH | B82723A2202N001 | ST82732-5.6mH | B82723J2202N001 | 2,0 | 5,6 | 70 | 160 | +60 |
| ST82723-2.7mH | B82723A2402N001 | ST82732-2.7mH | B82723J2402N001 | 4,0 | 2,7 | 30 | 60 | +60 |
| ST82723-1.0mH | B82723A2602N001 | ST82732-1.0mH | B82723J2602N001 | 6,0 | 1,0 | 12 | 22 | +70 |
| ST82723-0.45mH | B82723A2802N001 | ST82732-0.45mH | B82723J2802N001 | 8,0 | 0,45 | 5 | 11 | +60 |
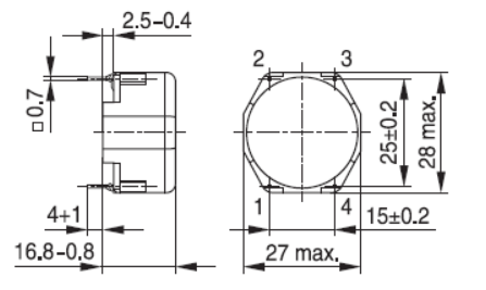
Горизонтальная версия
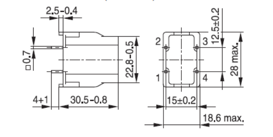
Вертикальная версия
Схемы горизонтальной версии
Схемы вертикальной версии
Родственные продукты:
Трансформатор изоляции:
https://www.smpsflybacktransformer.com/sale-13941765-epc3117s-1-lf-push-pull-low-power-transformer-designed-for-use-with-maxim-845-ic.html
Трансформатор аудио усилителя одиночной фазы:
https://www.smpsflybacktransformer.com/sale-10176547-single-phase-audio-amplifier-transformer-ce-rohs-approved.html
Трансформатор RF широкополосный:
https://www.smpsflybacktransformer.com/sale-10566011-pwb-1-al-300v-1-4watt-smps-flyback-transformer-surface-mount-wideband-rf-transformers.html
Пушпульный трансформатор используемый с Texas Instruments TIDA-00951 REV E2
https://www.smpsflybacktransformer.com/quality-11176814-st3439nl-is-a-pin-to-pin-alternative-to-750343341-mid-ppti-push-pull-transformer-process-control-for
Почему мы?
Работающ со всемирными ВЕРХНИМИ клиентами бренда включая Хониуэлл, Jabil, NorthBound сети, с быстрым временем выполнения и высококачественный,
мы всегда делаем наших клиентов счастливый, вы смогли быть следующее одним:).
Shareway предпочитаемый поставщик Хониуэлл.
Shareway ST0531NL использовано в сигнале тревоги Хониуэлл безопасностью.
Jabil OEM для этого проекта.
Shareway предпочитаемый поставщик NorthBound сетей.
Shareway SRJ2113ABNL использовано в сетях переключателя ЗОДИАКА FX OpenFlow NorthBound.
NorthBound сети OEM для этого проекта.

Q: Могу я иметь образцы для испытывая качества?
: Да, вы можете получить образцы 5pcs бесплатно или купить некоторые образцы любого из наших продуктов для испытывая качества и рынка.
Q: Что срок поставки если мы делаем заказ заказ?
: он зависит от количеств заказа. Обычно, мы можем поставить товары не позднее 3-5 рабочих дней для небольших заказов, для более больших количеств, позволили нам подтвердить когда вы заказ места.
Q: Могу я иметь мой собственный логотип на продуктах?
Да, вы можете положить ваш логотип на продукты с необходимым количеством заказа.
Q: Сделайте ваши продукты соотвествуйте CE/ROHS?
Да, товары с аттестацией CE/ROHS одобрены для того чтобы убеждаться высококачественного.
Как изготовитель, мы можем обеспечить срок поставки согласно официальному контракту.
Эффективные отделы покупать, который и продукции нужно позволить мы поставить товары в срок и нас могут обеспечить изумляя обслуживание после продажи. Чего мы обеспечиваем высокопоставленные продукты с высококачественным обслуживанием. Позвольте нам поговорить более подробно для того чтобы сделать его случиться.