Типичные применения серии DR331:
Особенности серии DR331:
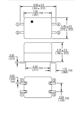
| Номер детали | Номер детали торговца | L (1-4) @ 100KHz, 0,1 Vrms (uH) | LL (1-4))@ 100KHz, 0.1Vrms (тип.) (замкнутое накоротко 2-3) | DCR (замотка) максимальный. | Расклассифицированное настоящее максимальное. | Замотка |
| DLC-113BE | DR331-113BE | ± 11,0 25% | 0.05uH | 0,12 | 0.5A | Bifilar |
| DLC-253AE | DR331-253AE | 25,0±25% | 1.50uH | 0,20 | 0.5A | Участок |
| DLC-513AE | DR331-513AE | 51,0±25% | 2.0uH | 0,30 | 0.5A | Участок |
| DLC-513BE | DR331-513BE | 51,0±25% | 0.6uH | 0,30 | 0.5A | Bifilar |
| DLC-104AE | DR331-104AE | 100,0±25% | 0.85uH | 0,10 | 0.5A | Участок |
| DLC-474BE | DR331-474BE | 470,0±25% | 0.28uH | 0,28 | 0.5A | Bifilar |
| DLC-105BE | DR331-105BE | 1000,0±25% | 0.29uH | 0,40 | 0.3A | Bifilar |
| DLC-225BE | DR331-225BE | 2200,0±25% | 0.30uH | 0,70 | 0.3A | Bifilar |
| DLC-475BE | DR331-475BE | 4700,0±25% | 0.30uH | 0,70 | 0,20 | Bifilar |



Почему выберите нас?
Как изготовитель, мы можем обеспечить срок поставки согласно официальному контракту.
Эффективные отделы покупать, который и продукции нужно позволить мы поставить товары в срок и нас могут обеспечить изумляя обслуживание после продажи. Чего мы обеспечиваем высокопоставленные продукты с высококачественным обслуживанием. Позвольте нам поговорить более подробно для того чтобы сделать его случиться.
Мы работая со всемирными ВЕРХНИМИ клиентами бренда включая Хониуэлл, Jabil, NorthBound сети, с быстрым временем выполнения и высококачественный,
мы всегда делаем наших клиентов счастливый, вы смогли быть следующее одним:).
Shareway предпочитаемый поставщик Хониуэлл.
Shareway ST0531NL использовано в сигнале тревоги Хониуэлл безопасностью.
Jabil OEM для этого проекта.
Shareway предпочитаемый поставщик NorthBound сетей.
Shareway SRJ2113ABNL использовано в сетях переключателя ЗОДИАКА FX OpenFlow NorthBound.
Northbound сети OEM для этого проекта.
