Описание PQ20 26 32 индуктора размеров плоскостных, сильнотоковые индукторы:
Спецификация PQ20 26 32 индуктора размеров плоскостных, сильнотоковые индукторы:
| Номер детали | Номер детали торговца | Стиль ядра | Высота (mm) | Nom. Amps | Индуктивность (uH) | DCR (mohm) Nom. | Тип падение Isat (a) 10% | Тип падение Isat (a) 20% |
| SH20A-0R4M | PQ2007-0R4-70-G или t | PQ20 | 7 | 70 | 0,4 | 0,7 | 71 | 83 |
| SH20A-1R0M | PQ2006-1R0-30-G | PQ20 | 6 | 30 | 1,0 | 1,0 | 35 | 39 |
| SH20A-2R2M | PQ2007-2R2-25-G или t | PQ20 | 7 | 25 | 2,2 | 3,5 | 29 | 32 |
| SH20A-4R4M | PQ2007-4R4M-15-G или t | PQ20 | 7 | 15 | 4,4 | 3,6 | 16 | 18 |
| SH26A-1R0M | PQ2613-1R0-80-G или t | PQ26 | 13 | 80 | 1,0 | 1,2 | 110 | 120 |
| SH32A-0R9M | PQ3213-0R9070-G или t | PQ32 | 14 | 70 | 0,9 | 1,0 | 100 | 110 |
| SH32A-3R3M | PQ3218-3R3-70-G или t | PQ32 | 18 | 70 | 3,3 | 1,1 | 74 | 80 |
| SH32A-6R0M | PQ3218-6R0-50-G или t | PQ32 | 18 | 50 | 6,0 | 1,5 | 51 | 57 |

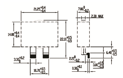
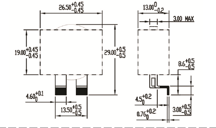
Размеры PQ20 26 32 индуктора размеров плоскостных, сильнотоковые индукторы:
Серия SH20A:

Серия SH26A:

Серия SH32A:

Связанные продукты что вы могли быть заинтересованы:
Трансформатор изоляции:
Трансформатор аудио усилителя одиночной фазы:
Трансформатор RF широкополосный:
Пушпульный трансформатор используемый с Texas Instruments TIDA-00951 REV E2
Почему мы?
Работающ со всемирными ВЕРХНИМИ клиентами бренда включая Хониуэлл, Jabil, NorthBound сети, с быстрым временем выполнения и высококачественный,
мы всегда делаем наших клиентов счастливый, вы смогли быть следующее одним:).
Shareway предпочитаемый поставщик Хониуэлл.
Shareway ST0531NL использовано в сигнале тревоги Хониуэлл безопасностью.
Jabil OEM для этого проекта.
Shareway предпочитаемый поставщик NorthBound сетей.
Shareway SRJ2113ABNL использовано в сетях переключателя ЗОДИАКА FX OpenFlow NorthBound.
NorthBound сети OEM для этого проекта.

Q: Могу я иметь образцы для испытывая качества?
: Да, вы можете купить некоторые образцы любого из наших продуктов для испытывая качества и рынка
Q: Что срок поставки если мы делаем заказ заказ?
: он зависит от количеств заказа. Обычно, мы можем поставить товары не позднее 3-5 рабочих дней для небольших заказов, для более больших количеств, позволили нам подтвердить когда вы оффициальное распоряжение места.
Q: Вы принимаете OEM/ODM?
: Мы поддерживаем обслуживание OEM/ODM, мы поворачиваем вашу идею в реальность.