Электротехнические условия:
| Номер детали | Номер детали торговца | Поворачивает ± 2% N1 коэффициента: N2: N3 | OCL (uH минута) | DCR (mOhm Макс) N1 | N2 DCR (mOhm Макс) | DCR (mOhm Макс) N3 | Вносимая потеря (dB Макс) | Сопротивление изоляции (минута Mohm на 100V) | Индуктивность рассеяния (uH Макс) | Cww (pF Макс) | Hi-бак (ВПТ) | AEC-Q200 квалифицировало | Зазор (минута mm) | Размер пакета (mm) | |
| SPX6150NL | BX6150NL | 1:2CT: 1 | 12 | 500 | 500 | 500 | - | - | - | - | 3000 | НЕТ | - | 13.4x15.0x6.5 | |
| SPX6152NL | BX6152NL | 1:1: 2 | 7 | 250 | 250 | 500 | - | - | - | - | 3000 | НЕТ | - | 10.3x14.0x7.6 | |
| SPX6153NL | BX6153NL | 1:1 | 7 | 500 | 500 | - | - | - | 25 | 4000 | НЕТ | - | 10.3x14.0x7.6 | ||
| SPX6158NL | BX6158NL | 1:1: 1 | 20 | 65 | 65 | 65 | 1,2 | 1 | - | - | 3000 | НЕТ | - | 10.4x15.1x7.3 | |
| SPX6201NL | BMU6201NL | 1:1: 1 | 5 | 500 | 500 | 500 | - | - | 0,5 | - | 500 | НЕТ | - | 5.0x8.1x3.9 | |
| SPX6154NL | BM6154NL | 1:1: 1 | 8 | 60 | 60 | 60 | 2,25 | 1 | - | - | 3000 | НЕТ | 7,8 | 10.6x12.4x10.0 | |
| SPX6155NL | BM6155NL | 1:1: 1 | 28 | 100 | 100 | 100 | 2 | 1 | - | - | 3000 | НЕТ | 7,8 | 10.6x12.4x10.0 |

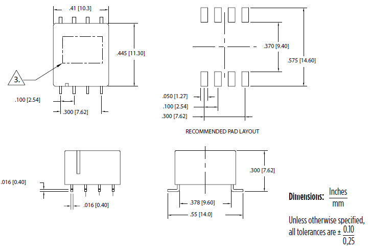
SPX6150NL

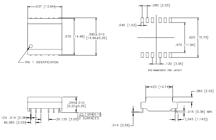
SPX6158NL

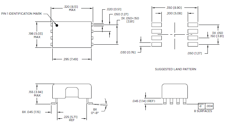
SPX6201

SPX6154NL, SPX6155NL


PLC короток для связи линии электропередач, его метод связи который использует линии электропередач как средство. Путем использование линий электропередач как сообщение, возможно построить систему быстро и с низкой ценой. Вследствие этого причина, PLC использована для сообщений в умных метрах, системах мониторинга панели солнечных батарей, домашних системах управления энергией (КРОМКАХ), всех эти могут быть частью умное cociety. Данные по связи можно распространять через линии электропередач AC или DC.
Мы предлагаем трансформатор PLC для решений связи линии электропередач состоя из высокопроизводительных и гибких приборов PLC или доск оценки.
Почему мы?
Работающ со всемирными ВЕРХНИМИ клиентами бренда включая Хониуэлл, Jabil, NorthBound сети, с быстрым временем выполнения и высококачественный,
мы всегда делаем наших клиентов счастливый, вы смогли быть следующее одним:)
Shareway предпочитаемый поставщик Хониуэлл.
Shareway ST0531NL использовано в сигнале тревоги Хониуэлл безопасностью.
Jabil OEM для этого проекта.
Shareway предпочитаемый поставщик NorthBound сетей.
Shareway SRJ2113ABNL использовано в сетях переключателя ЗОДИАКА FX OpenFlow NorthBound.
Northbound сети OEM для этого проекта.



Q: Могу я иметь образцы для испытывая качества?
: Да, вы можете купить некоторые образцы любого из наших продуктов для испытывая качества и рынка
Q: Что срок поставки если мы делаем заказ заказ?
: он зависит от количеств заказа. Обычно, мы можем поставить товары не позднее 3-5 рабочих дней для небольших заказов, для более больших количеств, позволили нам подтвердить когда вы оффициальное распоряжение места.
Q: Вы принимаете OEM/ODM?
: Мы поддерживаем обслуживание OEM/ODM, мы поворачиваем вашу идею в реальность.
Q: Могу я иметь мой собственный логотип на продуктах?
Да, вы можете положить ваш логотип на продукты с необходимым количеством заказа. Пожалуйста как раз отправить нами информацию о вашем логотипе.
Q: Сделайте ваши продукты соотвествуйте CE/ROHS?
Да, товары с аттестацией CE/ROHS одобрены для того чтобы убеждаться высококачественного.
Как изготовитель, мы можем обеспечить срок поставки согласно официальному контракту.
Эффективные отделы покупать, который и продукции нужно позволить мы поставить товары в срок и нас могут обеспечить изумляя обслуживание после продажи. Чего мы обеспечиваем высокопоставленные продукты с высокопоставленным обслуживанием. Позвольте нам поговорить более подробно для того чтобы сделать его случиться.