| Номер детали | Номер детали торговца | Диаграмма Schemastic | Повороты Ns | Вторичная индуктивность mH (минута) | Вторичное напряжение тока теста индуктивности @ 15,75 КГц | RS (ом Макс) | RT (ом Макс) | Основной униполярный Amp мы Ratiing (Макс) | Основной двухполярный Amp мы оценка (Макс) |
| SE487NL | PE-64487NL | 1C | 100 | 2,0 | 1,0 | 1,40 | 100 | 300 | 600 |
| SE488NL | PE-64488NL | 1C | 200 | 80,0 | 2,0 | 4,50 | 200 | 600 | 1200 |
| SE517NL | PE-644517NL | 1D | 50CT | 5,0 | 0,5 | 0,7 | 50 | 150 | 300 |
| SE518NL | PE-64518NL | 1D | 100CT | 20,0 | 1,0 | 1,40 | 100 | 300 | 600 |
| SE519NL | PE-64519NL | 1D | 200CT | 80,0 | 2,0 | 4,50 | 200 | 600 | 1200 |
| SE586NL | PE-63586NL | 1A | 50 | 5,0 | 0,5 | 0,7 | 50 | 150 | 300 |
| SE587NL | PE-63587NL | 1A | 100 | 2,0 | 1,0 | 1,40 | 100 | 300 | 600 |
| SE588NL | PE-63588NL | 1A | 200 | 80,0 | 2,0 | 4,50 | 200 | 600 | 1200 |
| SE618NL | PE-63618NL | 1B | 100CT | 20,0 | 1,0 | 1,40 | 100 | 300 | 600 |
| SE619NL | PE-63619NL | 1B | 200CT | 80,0 | 2,0 | 4,5 | 200 | 600 | 1200 |
| SE691NL | PE-63691NL | 1B | 300CT | 180,0 | 3,0 | 11,0 | 300 | 900 | 1800 |
| SE686NL | PE-51686NL | 2A | 50 | 5,0 | 0,5 | 0,7 | 50 | 150 | 300 |
| SE687NL | PE-51687NL | 2A | 100 | 2,0 | 1,0 | 1,40 | 100 | 300 | 600 |
| SE688NL | PE-51688NL | 2A | 200 | 80,0 | 2,0 | 4,50 | 200 | 600 | 1200 |
| SE718NL | PE-51718NL | 2B | 100CT | 20,0 | 1,0 | 1,40 | 100 | 300 | 600 |
| SE719NL | PE-51719NL | 2B | 200CT | 80,0 | 2,0 | 4,50 | 200 | 600 | 1200 |
ЭЛЕКТРИЧЕСКОЕ ℃ SPECFICATIONS@25:
1. Коэффициент поворота (±3%) 1CT: 1CT
2. вносимая потеря (dB МАКС): -1.2dB (1-500MHz)
3. потеря возвращения (МИНУТА dB): -18dB (1-40MHz), - (f/40MHz) dB 17+10log (40-500MHz)
4. перекрестные помехи (ТИП dB): -40dB (1-100MHz), - 30dB (100-500MHz)
5. CDMR (ТИП dB): -30dB (1-250MHz), -22dB (250-500MHz)
6. HI-POT: 1500Vrms/0.5mA/60Sec или 1650Vrms/0.5mA/2Sec
7. температурная амплитуда рабочей температуры: 0℃ К +70℃
8. диапазон температур хранения: -40℃ К +85℃
9. соответствие RoHS: УТВЕРДИТЕЛЬНЫЙ ОТВЕТ
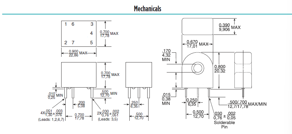
Размеры:

Схемы:






Почему мы?
Работающ со всемирными ВЕРХНИМИ клиентами бренда включая Хониуэлл, Jabil, NorthBound сети, с быстрым временем выполнения и высококачественный,
мы всегда делаем наших клиентов счастливый, вы смогли быть следующее одним:).
Shareway предпочитаемый поставщик Хониуэлл.
Shareway ST0531NL использовано в сигнале тревоги Хониуэлл безопасностью.
Jabil OEM для этого проекта.
Shareway предпочитаемый поставщик NorthBound сетей.
Shareway SRJ2113ABNL использовано в сетях переключателя ЗОДИАКА FX OpenFlow NorthBound.
Northbound сети OEM для этого проекта.



Q: Могу я иметь образцы для испытывая качества?
: Да, вы можете купить некоторые образцы любого из наших продуктов для испытывая качества и рынка
Q: Что срок поставки если мы делаем заказ заказ?
: он зависит от количеств заказа. Обычно, мы можем поставить товары не позднее 3-5 рабочих дней для небольших заказов. для более больших количеств, позвольте нам подтвердить детали.
Q: Вы принимаете OEM/ODM?
: Да, мы поддерживаем обслуживание OEM/ODM, мы поворачиваем вашу идею в реальность.
Q: Могу я иметь мой собственный логотип на продуктах?
Да, вы можете положить ваш логотип на продукты с необходимым количеством заказа. Пожалуйста как раз отправить нами информацию о вашем логотипе.
Как изготовитель, мы можем обеспечить срок поставки согласно официальному контракту.
Эффективные отделы покупать, который и продукции нужно позволить мы поставить товары в срок и нас могут обеспечить изумляя обслуживание после продажи. Чего мы обеспечиваем высокопоставленные продукты с высокопоставленным обслуживанием. Позвольте нам поговорить более подробно для того чтобы сделать его случиться.