Двигательный датчик микроволновой печи переключатель вход AC 120-277VAC трехуровневый датчик приглушенного движения
Особенности:
| Входное напряжение: | 120 ~ 277 В переменного тока, 50/60 Гц. |
| Мощность в режиме ожидания |
< 1 Вт |
| Операция с нулевым пересечением | защитить сенсорное реле от входящего тока, обеспечить максимальную нагрузку и время службы реле |
| Технология двойного процессора | функция мониторинга реального дневного света для встроенного приложения |
| Температура работы: | -20°C ~ +70°C |
| Рейтинг IP | IP20 |
Максимальный диапазон обнаружения.12 м в диаметре
3 ~ 6 м для высоты установки
RoHS
Настройки:
Диапазон обнаружения: 100%, 75%, 50%, 25% для ваших опций
Время ожидания
Время ожидания означает период времени, в течение которого светильник должен оставаться включенным на 100% после обнаружения движения.
Дневной датчик
Дневной датчик означает порог дневного света для включения или отключения функции датчика.
Период ожидания
Это период времени, в течение которого лампа остается на низком уровне света, прежде чем она полностью выключится в течение длительного отсутствия людей.
Уровень затуманивания в режиме ожидания
Это пониженный уровень света, который вы хотите иметь после времени ожидания в отсутствие людей.


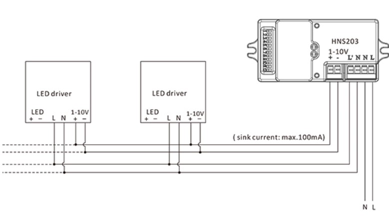
Диаграмма проводки

Модель обнаружения...


Функция наблюдения за дневным светом...
Используя технологию двойного процессора, этот датчик может различать естественный свет и искусственный свет (лампа) из-за диффузера,включается автоматически (даже без движений), когда окружающее освещение ниже целевого значения, а затем автоматически выключается, когда искусственное освещение не требуется ((областное освещение достаточно яркое).