переключатель микроволнового датчика движения,Переключатель датчика движения переменного тока, отдельная головка антенныУправление темнотой на трех уровнях
Когда датчик срабатывает, лампа будет включена на 100%, после времени ожидания,лампа опустится на заранее установленный уровень затемнения, после дальнейшего длительного отсутствия людей ((Период ожидания), лампа полностью выключится.
Быстрая подробность:
1.Двойной датчик дневного света
2Трехуровневый контроль темноты.
3Функция мониторинга дневного света
4Отдельная головка антенны
5. Удаленное ввод в эксплуатацию

Особенности:
| 1. | Входное напряжение: | 120〜277В переменного тока, 50/60Гц |
| 2. | Номинальная нагрузка: |
400 Вт @ 120 ВАК (мощность) 800 Вт @ 200 ~ 277 ВАК (мощность) |
| 3. | Сила в режиме ожидания: | < 1w |
| 4. | Диапазон обнаружения: | Диаметр до 12 м |
| 5. | Высота установки: | 3 ~ 6 м |
| 6. | Температура работы: | -20°C ~ + 70°C |
| 7. | Квалификация IP: | IP20 |
8.5.8 ГГц C-диапазон микроволновый датчик движения, трехуровневый контроль за темнотой.
9Специально разработан для светильников с ограниченным пространством, идеально подходит для светодиодных панелей, линейных офисных светильников с металлическими жалюзи, компактных перегородок и т. д. 10.Спрячьте тело датчика и настроить небольшую отдельно взятую головку антенны только.
11Технология двойного процессора, реальная функция мониторинга дневного света для встроенного приложения.
12. Операция с нулевой пересеченной точкой, защита сенсорного реле от вспышного тока, обеспечение максимальной нагрузки и срока службы реле.
13. DIP переключатель + IR дистанционное управление 2 канала настройки. Автоматически переключают друг друга при последней операции.
14. RJ11 соединение между корпусом датчика и головой антенны, легко подключить и играть.
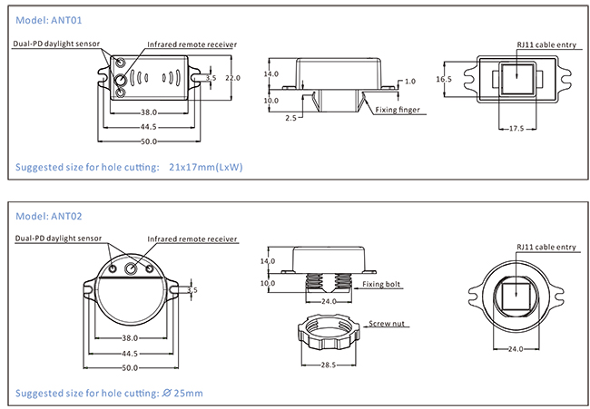
Размер:

Отдельные сенсорные антенны:

Настройки (по переключателю DIP):



