Привод ряда вертикальной одиночной оси небольшой, двойной червь конверта для крошечных солнечных отслежывателей
Описание
Привод Slewing можно использовать для любого случая где потребность для требований к вращения и переменной скорости полно-цикла. Когда потребность для более большой передачи энергии вращающего момента, более высокой точности передачи движения или компактной текстуры тела требует более высокого выбора механизма, роторный привод самое лучшее решение. Заключенный двойной привод slewing оси может осуществить движение в 2 различных направлениях, вертикально и горизонтально. Обычно применяйтесь к системам слежения двойной оси солнечным или некоторому оборудованию машинного оборудования с подобными условиями труда.
Вертикальный тип привод Slewing шестерни червя небольшой
Привод slewing установки середин шестерни червя VE вертикальный; главным образом применитесь к высокому требованию к условий труда для случая доказательства, дожд-защитных и анти--корозии пыли. Ранг IP66 защиты, точное 0.1°.
Оно имеет преимущество сохранения космоса оборудования, емкости максимальной нагрузки, компактного дизайна, и обширного срока службы и уменьшенных расходов на техническое обслуживание.
Эксплуатационные данные
| Модель | Коэффициент | Вращающий момент требуемой производительности (N.m) | Опрокидывающ вращающий момент (N.m) | Держащ вращающий момент (N.m) | Аксиальная нагрузка (kN) | Радиальная нагрузка (kN) | Эффективность | Точность (°) | Само-запирать | Вес (kg) |
| 3" | 31:1 | 600 | 1500 | 1800 | 22 | 15 | 40% | ≤0.1 | Да | 12 |
| 5" | 37:1 | 800 | 5000 | 9200 | 16 | 27 | 40% | ≤0.1 | Да | 18 |
| 7" | 57:1 | 1750 | 7000 | 13200 | 34 | 58 | 40% | ≤0.1 | Да | 32 |
| 8" | 51:1 | 2250 | 11200 | 20400 | 50 | 80 | 40% | ≤0.1 | Да | 28 |
| 9" | 61:1 | 2250 | 16000 | 30800 | 60 | 130 | 40% | ≤0.1 | Да | 52 |
| 12" | 78:1 | 4300 | 25000 | 40560 | 77 | 190 | 40% | ≤0.1 | Да | 65 |
| 14" | 85:1 | 5600 | 48000 | 44200 | 110 | 230 | 40% | ≤0.1 | Да | 88 |
| 17" | 102:1 | 6750 | 67000 | 53040 | 142 | 390 | 40% | ≤0.1 | Да | 135 |
| 21" | 125:1 | 16000 | 89000 | 65000 | 337 | 640 | 40% | ≤0.1 | Да | 192 |
| 25" | 150:1 | 21450 | 112000 | 89000 | 476 | 950 | 40% | ≤0.1 | Да | 251 |

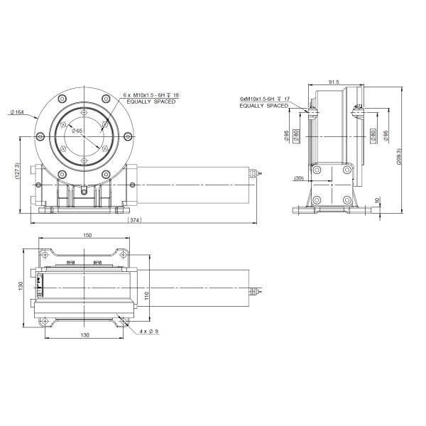
Размеры

Применение
Привод Slewing идеальный продукт для применения которое требует вращательной прочности вращающего момента.
Сразил привод для солнечного: он конструирован в солнечном фотовольтайческом вращении панели и улучшает эффективность производства электроэнергии. Решения одиночной оси & двойной оси солнечные отслеживая доступны.
Для ветрогенераторов: Приводы Slewing использованы для того чтобы повернуть постамент в ветротурбинах
Для применения строительной техники: широко приложенный на установленном кране тележки, воздушная рабочая платформа, доковый кран, самосхват тимберса
Для рынка индустрии: Автоматизация/сборочный конвейер, робототехническая рука
Для спутника: сразил привод смогите быть использовано для связей и спутниковых навигационных систем космоса в спутниковой антенна-тарелке