Тариф привода ряда шестерни червя небольшой, низкоскоростных и высоких передачи для системы слежения панели солнечных батарей
Описание
Привод слевинг шестерни червя, также названный как слевинг редуктор. Он обыкновенно составлен червя, подшипника слевинг, снабжения жилищем, переходника мотора, крышки конца и других компонентов. Путем принятие подшипника слевинг как свой компонент ядра, привод слевинг может принести осевую силу, радиальную силу и опрокидывать момент одновременно. Сравнивающ с приводом слевинг серии СЭ, серии ВЭА имеют преимущества лучшего защитного представления, большего вращающего момента передачи, лучшего сопротивления удара и длинного срока пригодности.
Привод слевинг шестерни червя получает широкое применение в относительно роторных частях машинного оборудования как воздушное работая сверло утеса крана тележки машинного оборудования, сверля машину схватывая деревянную машину, машину прессформы кода и поле солнечной энергии как солнечная система слежения, КСП, КПВ.
Мотор шестерни ДК
Мотор ДК с планетарной коробкой передач для управлять тяжелыми грузами. Кодировщик установлен на вале и предусматривает выведенное наружу квадрирование для точного чтения положения родственника моторов. Его можно использовать для обратной связи движений.
Степпер мотор принимает режим непосредственного регулирования, и свои основные переменные команды и контроля положение шага. Мотор ДК основан на напряжении тока мотора как переменная контроля, с положением или скоростью как переменная команды. Мотор ДК требует системы контроля с обратной связью, и он косвенно будет контролировать положение мотора. Системы Степпер мотора главным образом эксплуатируются в «незамкнутом сет образе».
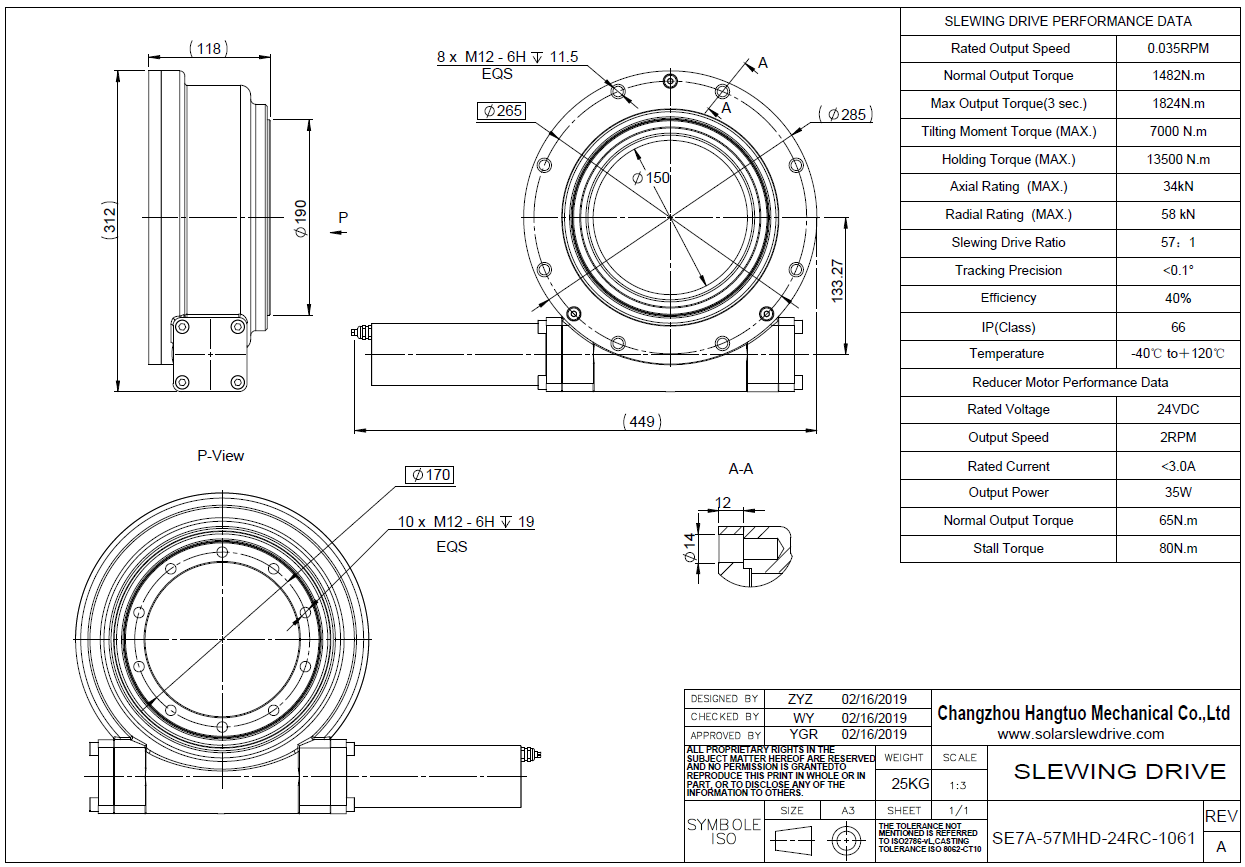
Технические параметры

Технические данные
| Тип | Само-запирать | Расклассифицированный | Максимальный вращающий момент (Нм) | Опрокидывающ вращающий момент (Нм) | Вращающий момент Бакхолдинг (Нм) | Осевая оценка (кН) | Радикальная оценка (кН) | |
| Вращающий момент выхода (Нм) |
Скорость (рпм) |
|||||||
| СЭ7 | Да | 1482 | 0,035 | 1824 | 7000 | 13500 | 34 | 58 |