Привод кольца ряда небольшого диаметра с шестерней червя высокой точности спиральной для небольших солнечных отслежывателей
Введение
Кольцо скольжения slewing вращательный подшипник завальцовк-элемента или простой подшипник который типично поддерживает тяжелое только медленн-поворачивая нагрузка, часто горизонтальная платформа как обычный кран, yarder качания, или платформа ветр-облицовки ветрянки горизонтальн-оси.

Червь винтовой зубчатой передачи и часов сделать их достигнуть multi контакта зуба, который сделал его может принести осевую силу, радиальную силу и опрокидывая момент в то же время.
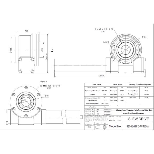
Технический лист приводов Slewing SE
| Модель | Коэффициент | Вращающий момент требуемой производительности (N.m) | Опрокидывающ вращающий момент (N.m) | Держащ вращающий момент (N.m) | Аксиальная нагрузка (kN) | Радиальная нагрузка (kN) | Эффективность | Точность (°) | Само-запирать | Вес (kg) |
| 1" | 32:1 | 400 | 1000 | 1800 | 22 | 12 | 40% | ≤0.1 | Да | 6 |
| 3" | 31:1 | 600 | 1500 | 3000 | 30 | 16 | 40% | ≤0.1 | Да | 8 |
| 5" | 37:1 | 800 | 6000 | 9200 | 68 | 27 | 40% | ≤0.1 | Да | 12 |
| 7" | 57:1 | 2000 | 13500 | 13200 | 132 | 58 | 40% | ≤0.1 | Да | 21 |
| 9" | 61:1 | 4400 | 45000 | 30800 | 340 | 130 | 40% | ≤0.1 | Да | 49 |
| 12" | 78:1 | 5800 | 54400 | 40560 | 480 | 190 | 40% | ≤0.1 | Да | 61 |
| 14" | 85:1 | 6550 | 68000 | 54200 | 680 | 230 | 40% | ≤0.1 | Да | 63 |
| 17" | 102:1 | 9400 | 135600 | 65040 | 980 | 390 | 40% | ≤0.1 | Да | 105 |
| 21" | 125:1 | 16000 | 203400 | 81000 | 1600 | 640 | 40% | ≤0.1 | Да | 149 |
| 25" | 150:1 | 21000 | 271160 | 89000 | 2400 | 950 | 40% | ≤0.1 | Да | 204 |
Спецификации

Мотор шестерни
| Напряжение тока | сила выхода | скорость ведомого вала | проверки воды |
| 24VDC | 5-60W | 10-100rpm | IP65 |
| Примечание | Особенные моторы можно подгонять в ваши требования. | ||
| Кодировщик и коробка передач можно исправить. | |||
| Планетарная коробка передач смогла соответствоваться основанный на diffenent требованиях | |||
Преимущества
1. Обеспечьте обслуживание ODM/OEM
2. 100% качественных сервисов
3. Аттестованный CE