Подгонянная коробка передач привода ряда СДЭ для спутниковой антенны и сконцентрированной фотовольтайческой системы
Описание
Привод слевинг Хантуо составлен снабжения жилищем, подшипника слевинг, запечатывания, охватывая червя с некоторыми завершенными запасными частями. Мы можем также произвести электронный мотор и гидравлический мотор используемые для слевинг приводы, которые могут движения для направления по часовой стрелке и встречного вращения направления по часовой стрелке.
Преимущество
1. Сильный переворачивая момент основанный на кольце слевинг
2. Адопт охватывая привод червя
3. Управляйте более большой нагрузкой для использования мулти контакта зуба
4. Улучшайте статическую само-запирая функцию
Диаграмма представления приводов ряда СДЭ
| Модель | Коэффициент | Вращающий момент требуемой производительности (Н.м) | Опрокидывающ вращающий момент (Н.м) | Держащ вращающий момент (Н.м) | Аксиальная нагрузка (кН) | Радиальная нагрузка (кН) | Эффективность | Точность (°) | Само-запирать | Вес (кг) |
| 3" | 31:1 | 600 | 1500 | 5800 | 10 | 15 | 40% | ≤0.1 | Да | 25 |
| 5" | 37:1 | 800 | 6000 | 9200 | 16 | 27 | 40% | ≤0.1 | Да | 34 |
| 7" | 57:1 | 2000 | 7500 | 13200 | 34 | 58 | 40% | ≤0.1 | Да | 56 |
| 9" | 61:1 | 4300 | 16000 | 27200 | 60 | 130 | 40% | ≤0.1 | Да | 92 |
| 12" | 78:1 | 5800 | 25000 | 40560 | 77 | 190 | 40% | ≤0.1 | Да | 160 |
| 14" | 85:1 | 6750 | 48000 | 44200 | 110 | 230 | 40% | ≤0.1 | Да | 224 |
| 17" | 102:1 | 9460 | 67000 | 53040 | 142 | 390 | 40% | ≤0.1 | Да | 320 |
| 21" | 125:1 | 16000 | 89000 | 65000 | 337 | 640 | 40% | ≤0.1 | Да | 492 |
| 25" | 150:1 | 21450 | 112000 | 89000 | 476 | 950 | 40% | ≤0.1 | Да | 705 |
Примечание: Вышеуказанные размеры и параметры могут быть уточнены или отрегулированный, для более детальных размеров и параметров, пожалуйста см. наши чертежи продаж.
Классификации & чертежи
Обычно одиночный тип оси; двойной тип оси, вертикальный тип и двойной червь печатают от 3 до 25 дюйма, для детали пльс свяжутся мы для рисовать продаж.
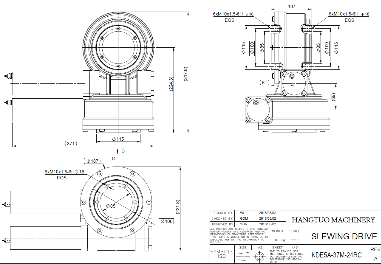
Например рисовать продаж дюйма СДЭ5:
Размеры установки:

Рабочие параметры:
