Где делает нашу верхнюю часть кухни камня кварца белых цен кунтертопс кварца искусственную встречную придите от

Куда оно идет? верхняя часть кухни камня кварца белых цен кунтертопс кварца искусственная встречная самый лучший выбор.
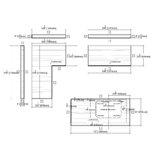
Как кунтертопс изготовляют, угодите видеть ниже,
Во первых, мы должны выбрать наш любимый цвет,

Секондлы, измерьте ваш размер кухни и сделайте чертеж магазина детали
Сделайте выбор профиля края вы предпочитаете.

В конце концов, начало изготовить

Детали упаковки
