Стальной выправлять и автомат для резки провода
ОПИСАНИЕ
Выправлять и автомат для резки провода составлены прибора провода питаясь, провода выправляя прибор, прибора вырезывания, гидравлических задающего усилителя и системы управления, машины etc. этой принимают несколько наборов ролика для того чтобы выправить провод с методом прессы up-down и левой прессы, который может обеспечить славные поверхность и прямоту провода. Свой кодер может автоматически измерить lengt, отрезок и провода для ввода провода. После нагружать материал, машина может достигнуть автоматической деятельности. Эта машина имеет функции как установка длины вырезывания, установка количества продукции, аварийная система для нервного расстройства, сигнала тревоги для того чтобы остановить машину когда провод использован вне и так далее. Оператор может привестись в действие несколько машин одновременно.
СПЕЦИФИКАЦИЯ
| Нет. | Деталь | Параметр |
| 1 | Диаметр провода | Ø2mm-5mm/Ø5mm-8mm |
| 2 | Цилиндр масла | Ø63mmX25mm |
| 3 | Масляный насос | 3P |
| 4 | Кодер | Абсолютный тип E40S6-1000 |
| 5 | Сила прессы масла | 2.2KW/3HP |
| 6 | Том случая масла | 80L |
| 7 | Подача масляного насоса | 40L/min |
| 8 | Скорость максимального провода питаясь | 25m/min регулируемое |
| 9 | Гидравлическая спецификация мотора | фланец 90X90 |
| 10 | Емкость нагрузки Uncoiler Макс | (подгонянное) 1500Kg |
| 11 | Круглый диаметр плиты Uncoiler | (подгонянное) φ1600mm |
| 12 | Напряжение тока обслуживания главной машины | Трехфазное 380V (±15V) |
| 13 | Метод контроля | PLC |
| 14 | Заранее поставленная функция количества | да |
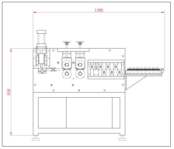
| 15 | Размер | 1300x900mm |
Принцип деятельности
Гидравлический управляя механизм принимает зубчатую передачу для того чтобы быстро пройти вверх так, что ролики смогут закрутить с быстрым ходом и будет выправлен провод идя через ролики. Гидравлический мотор использует редуктор шестерни для того чтобы управлять транспортируя роликом обжатия 4 для того чтобы вытянуть провод вперед и управить цилиндр масла для того чтобы сделать движение резца вверх и вниз. Когда кодер воспримет заранее поставленную режа длину, программа будет контролировать клапан соленоида через PLC для того чтобы управлять резцом для того чтобы отрезать провод через цилиндр масла.
КОНКУРЕНТНОЕ ПРЕИМУЩЕСТВО
1. HWASHI ведущий бренд в индустрии заварки сопротивления в Китае на 20 лет; Прямая связь с розничной торговлей фабрики, конкурентоспособная цена.
2. подгонянное обслуживание: Мы можем помочь конструировать и развить сварочный аппарат согласно вашему требованию. Мы гибкий и способный поставщик.
3. неподдельный продукт с превосходным качеством: 12 месяца гарантии. Наши машины строго исполнены с ISO9001: 2000 и аттестация Китая принудительная. Большинство наших машин наслаждается 8-10 летами срока службы. тест гарантии 100% перед доставкой.
4. И техническая консультация обслуживаний после продажи: 24 часа службы технической поддержки электронной почтой. Наша профессиональная команда всегда здесь охотно готова быть вашим техническим консультантом.
5. быстрая доставка: Наша компания обеспечивает как раз вовремя доставку.
6. проворный ответ к клиентам: Ваше удовлетворение цель мы следуем.



