Ручная абразивная резка MC-300

MC-300 - это ручная абразивная резачка для стола с надежной и долговечной конструкцией.такие как железные металлы, цветные металлы, крепежные материалы, литейные изделия, теплообработанные детали, породы и керамика и т. д. Имеет режим подачи на стол и режим подачи на колесо.а также для небольших промышленных или производственных применений.

Особенности:
● Алюминиевые литья, покрытые порошковым покрытием
● Мотор с переменной скоростью (по желанию)
● Таблица с T-слотом из нержавеющей стали и алюминиевого сплава
●Заключающие визы с быстрым замыканием, изготовленные из 304 нержавеющей стали
● Освещение камеры светодиодными лампами
● Электронная тормозная система для быстрой остановки лезвия (необязательно)
● Боковые окна для более длинных образцов
● Мобильный пластиковый резервуар для охлаждения
● Большое рабочее пространство
Технические спецификации:
| Описание | МК-300 |
| Код # | 711-132 |
| Режим питания | Столовое питание и питание колес, вручную |
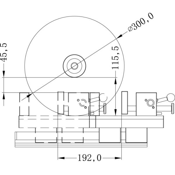
| Клин ((мм) | 300*32*1.8 |
| Скорость лезвия ((rpm) | ● 2800 ○ переменная скорость |
| Таблица (WxD,мм) | 294*230 |
| Двигатель | 4.0КВт |
| Сила | ● 3P-380V,50/60Hz, 3P ○3P- 220,440,480В |
| Аксессуары | |
| Бриллиантовое лезвие | ○ |
| Клинка SiC | ○ |
| Остров из алюминия | ● |
| Быстрозамыкающие визы | ● |
| Вертикальная застежка | ○ |
| Вертикальный винт с цепью | ○ |
| Настраиваемые висы | ○ |
| Жидкость для резки | ○ |
●Стандарт ○По желанию
Размеры

Мощность резки

Толщина

Подробная информация
