2-1/2» стандартная нержавеющая сталь струбцины вытыхания U-болта обязанности 304 материала
| Fitment струбцины болта u | Для любой высасывающей системы |
| Применения: | изогните трубу, высасывающие системы для газа/дизельных кораблей, тракторы, или другую тяжелую технику |
| Типы: | Сверхмощный стальной дизайн со струбциной U-болта стиля седловины более прочный и более крепкий после этого обычный болт одно |
| Финиш цинка или нержавеющий материал: |
Красивая серебряная плакировка хрома Ржавчина и коррозионная устойчивость. |
| Горячие размеры продажи: | 2", 2 1/4". 2 1/2», 2 3/4", 3", 3 1/2», 4", 5", и 6" |
| Структуры: |
Включает седловину, u-болт, и 2 чокнутые (serrated фланец) |
| Преимущество | Цены по прейскуранту завода-изготовителя, быстрая доставка, гарантированное качество |
Этот тип струбцины u шумоглушителя доступен в стали или нержавеющей стали углерода. Они отличают 5/16 или 3/8 внутри. U-болт и гайки диаметра, 3/8" одно вроде сверхмощная струбцина, для дополнительных прочности и ригидности. Струбцины доступны в много размеров выстраивая в ряд от 25mm до 105mm для большого разнообразия диаметров трубы. Они идеальны для любой высасывающей системы и отличают типа седловин струбциной для добавленной прочности. Эта струбцина оборудованная с более большими предложениями 3/8 U-поляков (равного M10) более сильными, более надежная зажимая сила вытыхания болта u. Тип субстрат седловины предлагает надежное и сильный для применений.
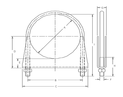
Спецификация струбцины болта u:

| Номер детали | Диаметр трубы (дюйм) | Диаметр трубы (метрический) |
| C01 | 1,5" | 38mm |
| C02 | 1,75» | 44.5mm |
| C03 | 2" | 50.8mm |
| C04 | 2,25" | 57mm |
| C05 | 2,5" | 63.5mm |
| C06 | 2,75" | 69.9mm |
| C07 | 3" | 76.2mm |
| C08 | 3,25" | 82.5mm |
| C09 | 4" | 101.6mm |
| C10 | 5" | 127mm |
| C11 | 5,5" | 139.7mm |
| C12 | 6" | 152.4mm |
| C13 | 7" | 177.8mm |
| C14 | 8" | 203.2mm |
| C15 | 9" | 228.6mm |
| C16 | 10" | 254mm |
Изготовленный на заказ размер поставлен на MOQ
Применение clalmp седловины болта u:
Сверхмощный хром покрыл струбцины стиля седловины вытыхания u-болта. С много размеров, который нужно выбрать от с польз многократных цепей, наши сверхмощные струбцины вытыхания u-болта легки для установки и сделаны от стали с красивой плакировкой хрома. Chrome покрыл помощь с защитой от ржавчины.

Упаковка и доставка струбцины болта u:
Родственные продукты:
Как ведущий производитель струбцин и составной трубы вытыхания в Китае, мы направляем поставить самую лучшую цену и высоко--qualited продукты на рынке к нашим клиентам.Много дизайны и размеров для вашего выбора. Например, струбцина вытыхания включила наборы струбцины диапазона нержавеющей стали v, струбцину диапазона простой прифуговки, гальванизировала струбцину скрепленную болтами u, и кронштейном etc OEM.

Информация о возможностях контактов:
Пожалуйста быть свободный связаться я whatsapp: 8618033796867
