1, материал: нержавеющая сталь 304 или 316.
2, цвет ручки: Черный, красный, голубой.
3, поток: БСПП, БСПТ, НПТ етк.
4, давление деятельности: 6,3 Мпа/1000 ПСИ.
5, поверхностный финиш: Отполированное зеркало.
6, вес: Сверхмощный.
7, средства массовой информации: Вода, масло, газ.
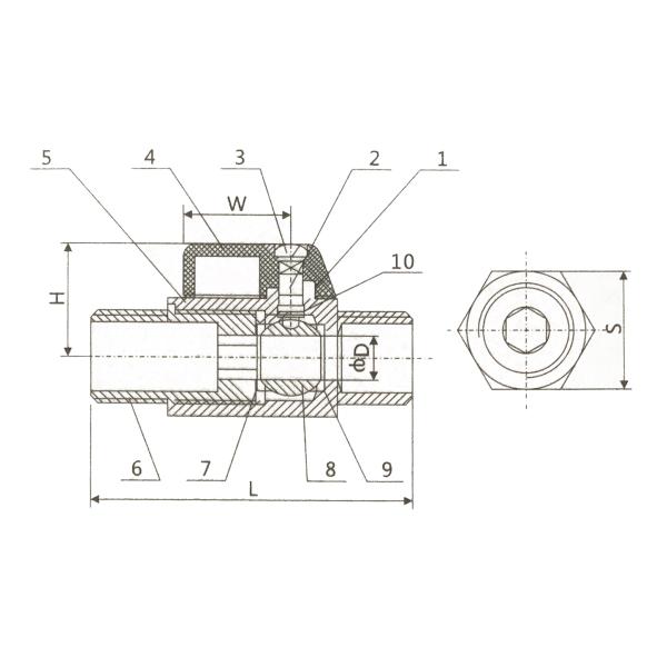
Материал и спецификация
| Деталь | ДЕТАЛЬ | Материал |
| 1 | КОЛЦЕОБРАЗНОЕ УПЛОТНЕНИЕ | витон |
| 2 | СТЕРЖЕНЬ | 304 |
| 3 | БОЛТ | 304 |
| 4 | РЫЧАГ | Алюминиевый сплав |
| 5 | ТЕЛО | КФ8М |
| 6 |
КРЫШКА |
КФ8М |
| 7 | СЕДЛО ШАРОВОГО КЛАПАНА (А) | Р-ПТФЭ |
| 8 | ШАРИК | КФ8М |
| 9 | СЕДЛО ШАРОВОГО КЛАПАНА (Б) | Р-ПТФЭ |
| 10 | ШАЙБА ТЯГИ | ПТФЭ |

| РАЗМЕР | 1/4" | 3/8" | 1/2» | 3/4" | 1" |
| Д | 8 | 8 | 9,2 | 12,5 | 15 |
| Л | 50 | 50 | 58 | 70 | 83 |
| Х | 26,5 | 26,5 | 28,3 | 31,5 | 34 |
| В | 22,8 | 22,8 | 22,8 | 22,8 | 22,8 |
| С | 21 | 21 | 25 | 31 | 38 |
![]() |
|