Описание
Спецификация

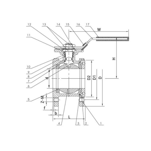
Параметр
| РАЗМЕР | д | Л | Д | Д1 | Д2 | б | ф | Х | В | К |
| ДН15 | 15 | 36 | 95 | 65 | 45 | 11 | 2 | 89 | 117 | 9 |
| ДН20 | 20 | 38 | 105 | 75 | 58 | 11 | 2 | 94 | 117 | 9 |
| ДН25 | 25 | 50 | 115 | 85 | 68 | 12 | 2 | 90 | 164 | 11 |
| ДН32 | 32 | 53 | 140 | 100 | 78 | 14 | 2 | 100 | 164 | 11 |
| ДН40 | 40 | 65 | 150 | 110 | 88 | 15 | 3 | 105 | 203 | 14 |
| ДН50 | 50 | 78 | 165 | 125 | 102 | 16 | 3 | 125 | 203 | 14 |
| ДН65 | 65 | 98 | 185 | 145 | 122 | 16 | 3 | 140 | 255 | 17 |
| ДН80 | 80 | 118 | 200 | 160 | 138 | 18 | 3 | 145 | 255 | 17 |
| ДН100 | 100 | 140 | 220 | 180 | 158 | 18 | 3 | 175 | 302 | 17 |