1 - дюйм 1/2 «быстро соединяет тип степень к 25 до 220 соединения
Материал: 304, 316 или подгонянный.
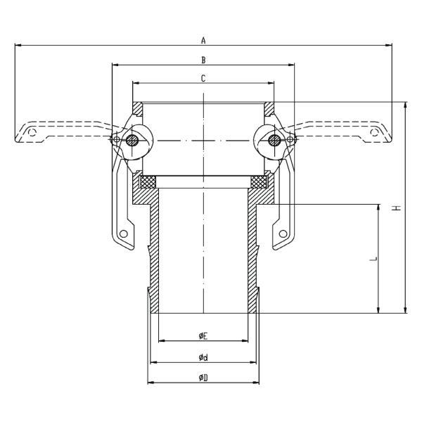
Тип соединения: соединять

| Размер |
д |
Д |
А |
Б |
К |
Л |
Х |
Э |
| 1/2» |
18,5 |
19,7 |
112 |
53 |
41 |
55 |
85 |
15 |
| 3/4" |
18,5 |
19,7 |
112 |
53 |
41 |
55 |
85 |
15 |
| 1" |
24 |
26 |
120 |
60 |
46 |
61 |
97,5 |
20 |
| 1-1//4» |
32 |
34 |
175 |
79 |
56 |
60 |
105 |
28 |
| 1-1/2» |
38 |
39 |
182 |
85 |
64 |
71 |
116 |
33,5 |
| 2" |
50 |
52,5 |
191 |
95 |
74 |
73 |
125 |
46,5 |
| 2-1/2» |
63 |
65 |
205 |
109 |
87 |
82 |
134 |
57 |
| 3" |
75 |
77 |
230 |
130 |
104 |
91 |
146,5 |
70 |
| 4" |
100 |
103 |
258 |
160 |
134 |
106 |
162 |
95,5 |
 |

|
Камлокс также вызвали кулачок и соединение паза, вид шлангого соединения используемый быстро для того чтобы соединить и отключить штуцер на тубопроводе или шланге, они приходят в разнообразие материалы, который нужно использовать с различными лигуйдс и разнообразие размерами для того чтобы приспособить шланг или пронзительный диаметр.
Камлок приспосабливая также вызванные штуцеры замка кулачка или соединение Кам&гроове, вид быстро соединяет соединять обычно используемый в большинств индустриях как соединение шланга для избежания утечек. Этот вид быстро соединяет соединение популярен потому что рассмотрены, что будет простым и экономическим путем заново соединять и отключать.
Штуцер Камлок можно использовать в системе где быстрая завалка химических барабанчиков случается. Он может быть использован фабриками которые имеют потребности передач средства краски, краски и чернил. Быстро соедините соединение использует где необходимы, что находят частые изменения шлангов правое смешивание. Оно также соответствующее для тележек нефти, етк.
Штуцер Камлок способен на носить жидкости, порошки и зерна и заменим с полностью другим быстрым соединением сделанным к такое же стандартному (А-А-59326А – официально МИЛ-К-27487), обеспечивающ совместимость с соединениями сделанными к такой же спецификации.
Примечание: Быстро соедините соединение не порекомендуйте для любого типа обслуживания сжатого газа, включая пар или воздух.