DIN 6916 HV соединения HDG ЧЕРНЫЙ Круглый плоский стиральный станок
Спецификация
Структурные стиральные машины, DIN 6916 / EN 14399 Часть 6
Ниже приведена информация о необходимых размерных, химических и физических характеристиках отвержденных и конструктивных стиральных машин, DIN6916/EN14399 Часть 6, в настоящем заказе.Если полученный заказ не соответствует этим требованиям, это может привести к запросу поставщика на корректирующие действия, что может поставить под угрозу ваш статус утвержденного поставщика.Все упомянутые стандарты консенсуса должны соблюдаться в полном объеме..
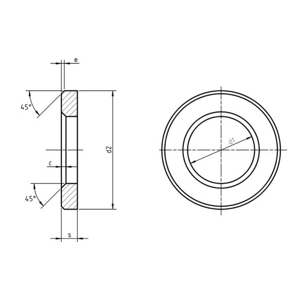
Легенда:
d2- Внешний диаметр
d- Внутренний диаметр
с- толщина стенки
f1- наружный раствор
f2- внутреннее сокращение
Создатели: QBH
Сталь:295-300 HV10
Нержавеющая:-
Из пластика:-
Нежелтые:-
Ведущий:-
Примечания:
-
|
||||||||
|
||||||||

Материалы и химическое составо
1045
| ХИМИЧЕСКИЙ СОСТВУХ в % | |||||||
| В | Да, да. | Мн | П | S | КР | Ни. | Ку |
| 0.45 | 0.23 | 0.58 | 0.014 | 0.006 | 0.057 | 0.008 | 0.016 |
Плоские прокладки защищают поверхности, равномерно распределяя крутящий момент при затяжении болта или винта.Найлоновая стиральная машина может быть помещена под винтом машины, чтобы уменьшить шум и абразию и обеспечить электрическую изоляциюПрокладки для уплотнения используются для сантехнических и гидравлических проектов.
1В квартире.стиральная машинка штампованная
алюминиевый лист.У него гладкая поверхность подшипника, которая используется под головкой болта..
Опаковка
QBH BULK
20-25 кг/CTN,36CTNS/ПАЛЕТ
20-30 кг/БОК,36БОК/ПАЛЕТ
ОДНА ТОННА/КАБОДЫ
50 кг/ Железный барабан, 12 железных барабанов/паллет
QBH СМЕЛЬНАЯ ПАКККИРКА
Упаковка в небольшие коробки в соответствии с требованиями клиента
Упаковка в полиэтиленовые пакеты в соответствии с требованиями клиента
QBH Тип паллет
ПЛАТКА ПОДГРАБИВАНИЯ ТОЛЬКОДРЕВОГО
EURO-палет
ТРИ ПАЛЕТЫ С ПЛИНТЫ
Деревянная коробка


Наши услуги
Профессиональный производитель: все наши крепежные устройства спроектированы и изготовлены в соответствии с покупателями
спецификация и производительность.
Качество гарантировано: испытания на долговечность и критическое техническое проектирование для увеличения срока службы крепежных элементов.
Эффективность: конкурентоспособные цены с профессиональным производственным снабжением
Идеальное решение крепления с более чем 15-летним опытом решения вашей проблемы: широкий выбор деталей.
Идеальные крепежные устройства на заказ: услуги на заказ в соответствии с предлагаемыми образцами и чертежами.
Бесплатные образцыдляСтандартный крепежот Jiaxing City Qunbang Hardware
Мы обещаем:
1Высокое качество
2. Конкурентоспособная цена
3Самая короткая доставка.
4Самый быстрый ответ.
5Лучший сервис.
Частые вопросы
1.Какой у тебя опыт??
Наш генеральный менеджер занимается экспортом крепежных элементов с 2005 года.
Наша команда может предоставить вам профессиональную крепежные материалы Продажа и экспортные услуги.
2- Как насчет вашей цены?
Высококачественные продукты с разумной ценой. Пожалуйста, дайте мне запрос, мы процитируем вам цену для вас
Немедленно обратитесь.
3Как ты контролируешь свое качество?
Мы требуем отдела контроля качества проверять каждую производственную линию каждой партии, и мы можем предоставить вам сертификат MTC и фабрики, когда товар будет закончен.
4- Как насчет времени доставки?
В общем, если товар на складе, мы можем доставить его в течение 2-5 дней, если количество 1-2 контейнера, мы можем дать вам с 18-25 дней,если количество больше 2 контейнеров и вам очень срочно, мы можем оставить завод приоритет производить
Ваши товары.
5- Какая у тебя сумка?
Наша упаковка составляет 20-25 кг на один картон, 36 или 48 штук картон на один паллет. Один паллет составляет около 900-960 кг, мы также можем сделать логотип клиента на картон.Или мы настраиваем картонные коробки в соответствии с требованиями клиентов
требование.
6- Какой срок оплаты?
Мы можем принять T / T, LC для общего заказа, Paypal и Western Union для небольшого заказа или заказа образцов.