Как использовать замок nuts.pdf нейлона
Подгаечник нейлона класса 6 гальванизированный
Спецификация
DIN QBH 985 подгаечников 2 результата нашло который включает 27 подгаечников продуктов запирают крепежные детали на месте для того чтобы держать их от подпирать вне или отпускать должный к вибрации или вращающему моменту. Подгаечник обыкновенно использован вместо стандартной гайки на вибрируя машинном оборудовании и при присоединении к мягких материалах.
DIN 985 - преобладая тип гайки вращающего момента шестиугольника тонкие с неметаллической вставкой
Настоящая норма: ISO 10511 EN DIN
Соответствующие нормы: ISO 10511; CSN 021492; UNI 7474;
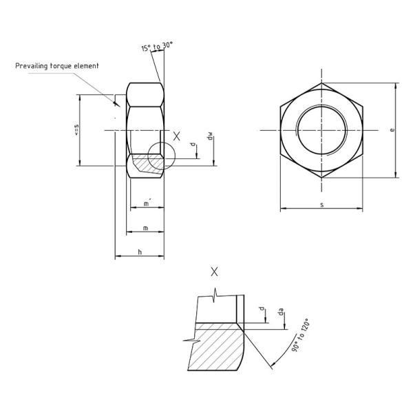
s - размер шестиугольника
e - диаметр окружности описанной (не чем)
d - номинальный диаметр потока
h - высота гайки
m - высота части гайки
da - поворачивая усушка диаметра
dw - диаметр контактирующей поверхности
Сталь: 5,6,8,10
Нержавеющий: A2, A4
Пластмасса: -
Не железистый: -
Поток: 6H
размеры в mm
| Поток d | M3 | M4 | M5 | M6 | M7 | M8 | M10 | M12 | M14 | M16 | M18 | |
| - | - | - | - | - | M8x1 | M10x1 | M12x1,5 | M14x1,5 | M16x1,5 | M18x2 | ||
| - | - | - | - | - | - | M10x1,25 | M12x1,25 | - | - | M18x1,5 | ||
| P | 0,5 | 0,7 | 0,8 | 1 | 1 | 1,25 | 1,5 | 1,75 | 2 | 2 | 2,5 | |
| da | MIN. | 3 | 4 | 5 | 6 | 7 | 8 | 10 | 12 | 14 | 16 | 18 |
| максимальный. | 3,45 | 4,6 | 5,75 | 6,75 | 7,75 | 8,75 | 10,8 | 13 | 15,1 | 17,3 | 19,5 | |
| dw | MIN. | 4,6 | 5,9 | 6,9 | 8,9 | 9,6 | 11,6 | 15,6 | 17,4 | 20,5 | 22,5 | 24,9 |
| e | MIN. | 6,01 | 7,66 | 8,79 | 11,05 | 12,12 | 14,38 | 18,9 | 21,1 | 24,49 | 26,75 | 29,56 |
| h | nominal= максимальное. | 4 | 5 | 5 | 6 | 7,5 | 8 | 10 | 12 | 14 | 16 | 18,5 |
| MIN. | 3,7 | 4,7 | 4,7 | 5,7 | 7,14 | 7,64 | 9,64 | 11,57 | 13,3 | 15,3 | 17,66 | |
| m | MIN. | 2,4 | 2,9 | 3,2 | 4 | 4,7 | 5,5 | 6,5 | 8 | 9,5 | 10,5 | 13 |
| m | MIN. | 1,65 | 2,2 | 2,75 | 3,3 | 3,85 | 4,4 | 5,5 | 6,6 | 7,7 | 8,8 | 9,9 |
| s | nominal= максимальное. | 5,5 | 7 | 8 | 10 | 11 | 13 | 17 | 19 | 22 | 24 | 27 |
| MIN. | 5,32 | 6,78 | 7,78 | 9,78 | 10,73 | 12,73 | 16,73 | 18,67 | 21,67 | 23,67 | 26,16 | |
| Вес (7,85Kg/dm3) kg/1000pcs | 0,5 | 1 | 1,4 | 2,4 | 3 | 5,1 | 10,6 | 17,2 | 26 | 34 | 45 | |
| Поток d | M20 | M22 | M24 | M27 | M30 | M33 | M36 | M39 | M42 | M45 | M48 | |
| M20x2 | M22x2 | M24x2 | M27x2 | M30x2 | M33x2 | M36x3 | M39x3 | M42x3 | M45x3 | M48x3 | ||
| M20x1,5 | M22x1,5 | - | - | - | - | - | - | - | - | - | ||
| P | 2,5 | 2,5 | 3 | 3 | 3,5 | 3,5 | 4 | 4 | 4,5 | 4,5 | 5 | |
| da | MIN. | 20 | 22 | 24 | 27 | 30 | 33 | 36 | 39 | 42 | 45 | 48 |
| максимальный. | 21,6 | 23,7 | 25,9 | 29,1 | 32,4 | 35,6 | 38,9 | 42,1 | 45,4 | 48,6 | 51,8 | |
| dw | MIN. | 27,7 | 29,5 | 33,2 | 38 | 42,7 | 46,6 | 51,1 | 55,9 | 60,6 | 64,7 | 69,4 |
| e | MIN. | 32,95 | 35,03 | 39,55 | 45,2 | 50,85 | 55,37 | 60,79 | 66,44 | 72,09 | 76,95 | 82,6 |
| h | nominal= максимальное. | 20 | 22 | 24 | 27 | 30 | 33 | 36 | 39 | 42 | 45 | 48 |
| MIN. | 18,7 | 20,7 | 22,7 | 25,7 | 28,7 | 31,4 | 34,4 | 37,4 | 40,4 | 43,4 | 46,4 | |
| m | MIN. | 14 | 15 | 15 | 17 | 19 | 22 | 25 | 27 | 29 | 32 | 36 |
| m | MIN. | 11 | 12,2 | 13,2 | 14,8 | 16,5 | 18,2 | 19,8 | 21,5 | 23,1 | 24,8 | 26,5 |
| s | nominal= максимальное. | 30 | 32 | 36 | 41 | 46 | 50 | 55 | 60 | 65 | 70 | 75 |
| MIN. | 29,16 | 31 | 35 | 40 | 45 | 46 | 53,8 | 58,8 | 63,8 | 68,1 | 73,1 | |
| Вес (7,85Kg/dm3) kg/1000pcs | 65 | 75 | 100 | 162 | 212 | 317 | 415 | 499 | 628 | 771 | 998 | |

Поток процесса
Ковка вхолодную
Обжигая ком ➨ wiredrawing ➨ обработки (если потребность), то куя упаковку ➨ финиша ➨ термической обработки ➨make ➨locknut ➨ выстукивая (если потребность), то
Горячая вковка
Резать упаковку ➨ финиша ➨ термической обработки locknut➨make ➨ ➨ материального ➨ вковки ➨ горячего поворачивая выстукивая (если потребность), то
Ранг продукта
Класс 10 класса 8 класса 6 класса 5
Материалы и химическое compstition
1008
| ХИМИЧЕСКОЕ COMPOSI % | ||||||||
| C | Si | Mn | P | S | Cr | Ni | Cu | Al |
| 0,06 | 0,06 | 0,33 | 0,013 | 0,003 | 0,01 | 0 | 0,01 | 0,028 |
1035
| ХИМИЧЕСКОЕ COMPOSI % | |||||||
| C | Si | Mn | P | S | Cr | Ni | Cu |
| 0,34 | 0,13 | 0,73 | 0,012 | 0,002 | 0,02 | 0,01 | 0,02 |
10B21
| ХИМИЧЕСКОЕ COMPOSI % | ||||||
| C | Si | Mn | P | S | Cr | B |
| 0,2 | 0,04 | 0,81 | 0,017 | 0,007 | 0,017 | 0,0021 |
1045
| ХИМИЧЕСКОЕ COMPOSI % | |||||||
| C | Si | Mn | P | S | Cr | Ni | Cu |
| 0,45 | 0,23 | 0,58 | 0,014 | 0,006 | 0,057 | 0,008 | 0,016 |
40CR
| ХИМИЧЕСКОЕ COMPOSI % | |||||||
| C | Si | Mn | P | S | Cr | Ni | Cu |
| 0,4 | 0,21 | 0,54 | 0,015 | 0,008 | 0,95 | 0,02 | 0,02 |
35CRMO
| ХИМИЧЕСКОЕ COMPOSI % | ||||||||
| C | Si | Mn | P | S | Cr | Ni | Cu | Mo |
| 0,35 | 0,22 | 0,59 | 0,01 | 0,003 | 0,93 | 0,01 | 0,01 | 0,21 |
42CRMO
| ХИМИЧЕСКОЕ COMPOSI % | ||||||||
| C | Si | Mn | P | S | Cr | Ni | Cu | Mo |
| 0,42 | 0,27 | 0,92 | 0,013 | 0,004 | 1,01 | 0,03 | 0,04 | 0,2 |
Финиш
ПРОСТОЙ НИКЕЛЬ ХРОМА HDG DACROMET GEOMET ЧЕРНОТЫ ZP YZP И ТАК ДАЛЕЕ
УПАКОВКА
БОЛЬШАЯ ЧАСТЬ QBH
20-25KG/CTN, 36CTNS/PALLET
20-30KG/BAGS, 36BAGS/PALLET
ОДНО TON/BOXES
50KG/ЖЕЛЕЗНЫЙ БАРАБАНЧИК, 12 ЖЕЛЕЗНЫХ DRUMS/PALLET
УПАКОВКА QBH НЕБОЛЬШАЯ
Паковать в маленьких коробках согласно требованиям к клиента
Паковать в полиэтиленовом пакете согласно требованиям к клиента
ТИП ПАЛЛЕТА QBH
ТВЕРДЫЙ ДЕРЕВЯННЫЙ ПАЛЛЕТ ОКУРИВАНИЯ
Паллет ЕВРО
ПАЛЛЕТ 3 ТУТОРОВ
ДЕРЕВЯННАЯ КОРОБКА
МЕХАНИЧЕСКОЕ СВОЙСТВО
ИСПЫТЫВАЯ СТАНДАРТ: DIN267- 4 ИЛИ ISO898-2
| РАЗМЕР | КЛАСС | |||||||||||||||||
| 04 | 05 | |||||||||||||||||
| КОНТРОЛЬНАЯ НАГРУЗКА N/mm2 | HV | ГАЙКА | КОНТРОЛЬНАЯ НАГРУЗКА N/mm2 | HV | ГАЙКА | |||||||||||||
| > | ≤ | минута | максимальный | ТЕРМИЧЕСКАЯ ОБРАБОТКА | ТИП | минута | максимальный | ТЕРМИЧЕСКАЯ ОБРАБОТКА | ТИП | |||||||||
| / | M4 | 380 | 188 | 302 | НЕТ | ТОНКАЯ ГАЙКА | 500 | 272 | 353 | УТВЕРДИТЕЛЬНЫЙ ОТВЕТ | ТОНКАЯ ГАЙКА | |||||||
| M4 | M7 | |||||||||||||||||
| M7 | M10 | |||||||||||||||||
| M10 | M16 | |||||||||||||||||
| M16 | M39 | |||||||||||||||||
| РАЗМЕР | КЛАСС | |||||||||||||||||
| 4 | 5 | |||||||||||||||||
| КОНТРОЛЬНАЯ НАГРУЗКА N/mm2 | HV | ГАЙКА | КОНТРОЛЬНАЯ НАГРУЗКА N/mm2 | HV | ГАЙКА | |||||||||||||
| > | ≤ | минута | максимальный | ТЕРМИЧЕСКАЯ ОБРАБОТКА | ТИП | минута | максимальный | ТЕРМИЧЕСКАЯ ОБРАБОТКА | ТИП | |||||||||
| / | M4 | / | / | / | / | / | 520 | 130 | 302 | НЕТ | 1 | |||||||
| M4 | M7 | 580 | ||||||||||||||||
| M7 | M10 | 590 | ||||||||||||||||
| M10 | M16 | 610 | ||||||||||||||||
| M16 | M39 | 510 | 117 | 302 | НЕТ | 1 | 630 | 146 | ||||||||||
| РАЗМЕР | КЛАСС | |||||||||||||||||
| 6 | 8 | |||||||||||||||||
| КОНТРОЛЬНАЯ НАГРУЗКА N/mm2 | HV | ГАЙКА | КОНТРОЛЬНАЯ НАГРУЗКА N/mm2 | HV | ГАЙКА | |||||||||||||
| > | ≤ | минута | максимальный | ТЕРМИЧЕСКАЯ ОБРАБОТКА | ТИП | минута | максимальный | ТЕРМИЧЕСКАЯ ОБРАБОТКА | ТИП | |||||||||
| / | M4 | 600 | 150 | 302 | НЕТ | 1 | 800 | 180 | 302 | НЕТ | 1 | |||||||
| M4 | M7 | 670 | 855 | 200 | ||||||||||||||
| M7 | M10 | 680 | 870 | |||||||||||||||
| M10 | M16 | 700 | 880 | |||||||||||||||
| M16 | M39 | 720 | 170 | 920 | 233 | 353 | УТВЕРДИТЕЛЬНЫЙ ОТВЕТ | |||||||||||
| РАЗМЕР | КЛАСС | |||||||||||||||||
| 8 | 9 | |||||||||||||||||
| КОНТРОЛЬНАЯ НАГРУЗКА N/mm2 | HV | ГАЙКА | КОНТРОЛЬНАЯ НАГРУЗКА N/mm2 | HV | ГАЙКА | |||||||||||||
| > | ≤ | минута | максимальный | ТЕРМИЧЕСКАЯ ОБРАБОТКА | ТИП | минута | максимальный | ТЕРМИЧЕСКАЯ ОБРАБОТКА | ТИП | |||||||||
| / | M4 | / | / | / | / | / | 900 | 170 | 302 | НЕТ | 2 | |||||||
| M4 | M7 | 915 | 188 | |||||||||||||||
| M7 | M10 | 940 | ||||||||||||||||
| M10 | M16 | 950 | ||||||||||||||||
| M16 | M39 | 890 | 180 | 302 | НЕТ | 2 | 920 | |||||||||||
| РАЗМЕР | КЛАСС | |||||||||||||||||
| 10 | 12 | |||||||||||||||||
| КОНТРОЛЬНАЯ НАГРУЗКА N/mm2 | HV | ГАЙКА | КОНТРОЛЬНАЯ НАГРУЗКА N/mm2 | HV | ГАЙКА | |||||||||||||
| > | ≤ | минута | максимальный | ТЕРМИЧЕСКАЯ ОБРАБОТКА | ТИП | минута | максимальный | ТЕРМИЧЕСКАЯ ОБРАБОТКА | ТИП | |||||||||
| / | M4 | 1040 | 272 | 353 | УТВЕРДИТЕЛЬНЫЙ ОТВЕТ | 1 | 1140 | 295 | 353 | УТВЕРДИТЕЛЬНЫЙ ОТВЕТ | 1 | |||||||
| M4 | M7 | 1040 | 1140 | |||||||||||||||
| M7 | M10 | 1040 | 1140 | |||||||||||||||
| M10 | M16 | 1050 | 1140 | |||||||||||||||
| M16 | M39 | 1060 | / | / | / | / | / | |||||||||||
| РАЗМЕР | КЛАСС | |||||||||||||||||
| 12 | ||||||||||||||||||
| КОНТРОЛЬНАЯ НАГРУЗКА N/mm2 | HV | ГАЙКА | ||||||||||||||||
| > | ≤ | минута | максимальный | ТЕРМИЧЕСКАЯ ОБРАБОТКА | ТИП | |||||||||||||
| / | M4 | 1150 | 272 | 353 | УТВЕРДИТЕЛЬНЫЙ ОТВЕТ | 2 | ||||||||||||
| M4 | M7 | 1150 | ||||||||||||||||
| M7 | M10 | 1160 | ||||||||||||||||
| M10 | M16 | 1190 | ||||||||||||||||
| M16 | M39 | 1200 | ||||||||||||||||
Преимущества QBH
Применение продукта
Вставка нейлона держит метрические потоки болта от приходя свободное должного к вибрации, носке, и качаниям температуры. Около 25% более сильное чем подгаечники средств-прочности стальные, эти гайки сделаны высокопрочного, класс 10 стальной. Они использованы в клапанах, насосах, системах подвеса, и других частях высоко-стресса. Плакировка цинка предотвращает ржавчину во влажных областях. Совместите с болтами класса 10,9 метрическими, которые имеют подобную прочность. Все многоразовы только потерять прочность крепления после каждой пользы.
Эти подгаечники встречают ISO 7040 и ISO 7041-2 (в прошлом DIN 985 и DIN 982), которые международные стандарты для размеров. Снадарты Международной организации стандартизации функционально соответствующие к стандартам DIN с небольшими разницами в ширине, высоте, или допусках.