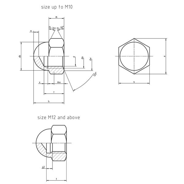
Спецификация

s - размер шестиугольника
t - длина потока
d - номинальный диаметр потока
h - высота гайки
m - высота части гайки
dk - главный диаметр
da - поворачивая усушка диаметра
dw - диаметр контактирующей поверхности
mw - минимальная взламывая высота
Сталь: 6
Нержавеющий: A2, A4
Пластмасса: Пластиковое PA
Не железистый: Латунь
Поток: 6H
Примечания:
размеры в mm
| поток | Серия 1 | M4 | M5 | M6 | M8 | M10 | M12 | (M14) | M16 | (M18) | M20 | (M22) | M24 |
| Серия 2 | - | - | - | M8x1 | M10x1 | M12x1,5 | (M14x1,5) | (M16x1,5) | (M18x1,5) | M20x2 | (M22x1,5) | M24x2 | |
| Серия 3 | - | - | - | - | M10x1,25 | M12x1,25 | - | - | (M18x2) | M20x1,5 | (M22x2) | - | |
| P | Серия 1 | 0,7 | 0,8 | 1 | 1,25 | 1,5 | 1,75 | 2 | 2 | 2,5 | 2,5 | 2,5 | 3 |
| da | MIN. | 4 | 5 | 6 | 8 | 10 | 12 | 14 | 16 | 18 | 20 | 22 | 24 |
| максимальный. | 4,6 | 5,75 | 6,75 | 8,75 | 10,8 | 13 | 15,1 | 17,3 | 19,5 | 21,6 | 23,7 | 25,9 | |
| dk | максимальный. | 6,5 | 7,5 | 9,5 | 12,5 | 15 | 17 | 20 | 23 | 26 | 28 | 33 | 34 |
| dw | MIN. | 5,9 | 6,9 | 8,9 | 11,6 | 14,6 | 16,6 | 19,6 | 22,5 | 24,9 | 27,7 | 31,4 | 33,3 |
| e MIN. | Ранг a продукта | 7,66 | 8,79 | 11,05 | 14,38 | 17,77 | 20,03 | 23,35 | 26,75 | 30,14 | 33,53 | 37,72 | 39,98 |
| Ранг b продукта | 7,5 | 8,63 | 10,89 | 14,2 | 17,59 | 19,85 | 22,78 | 26,17 | 29,56 | 32,95 | 37,29 | 39,55 | |
| x максимальное. | Серия 1 | 1,4 | 1,6 | 2 | 2,5 | 3 | - | - | - | - | - | - | - |
| Серия 2 | - | - | - | 2 | 2 | - | - | - | - | - | - | - | |
| Серия 3 | - | - | - | - | 2,5 | - | - | - | - | - | - | - | |
| g2 максимальное. | Серия 1 | - | - | - | - | - | 6,4 | 7,3 | 7,3 | 9,3 | 9,3 | 9,3 | 10,7 |
| Серия 2 | - | - | - | - | - | 5,6 | 5,6 | 5,6 | 5,6 | 7,3 | 5,6 | 7,3 | |
| Серия 3 | - | - | - | - | - | 4,9 | - | - | 7,3 | 5,6 | 7,3 | - | |
| h | максимальный номинальный размер | 8 | 10 | 12 | 15 | 18 | 22 | 25 | 28 | 32 | 34 | 39 | 42 |
| ранг a P. MIN. | 7,64 | 9,64 | 11,57 | 14,57 | 17,57 | 21,48 | 24,48 | 27,48 | 32,38 | 33,38 | 38,38 | 41,38 | |
| ранг b P. MIN. | 7,42 | 9,42 | 11,3 | 14,3 | 17,3 | 21,16 | 24,16 | 27,16 | 31 | 33 | 38 | 41 | |
| m | максимальный. | 3,2 | 4 | 5 | 6,5 | 8,8 | 10 | 11 | 13 | 15 | 16 | 18 | 19 |
| MIN. | 2,9 | 3,7 | 4,7 | 6,14 | 7,64 | 9,64 | 10,3 | 12,3 | 14,3 | 14,9 | 16,9 | 17,7 | |
| Mw | MIN. | 2,32 | 2,96 | 3,76 | 4,91 | 6,11 | 7,71 | 8,24 | 9,84 | 11,44 | 11,92 | 13,52 | 14,16 |
| r | приблизительно. | 3,25 | 3,75 | 4,75 | 6,25 | 7,5 | 8,5 | 10 | 11,5 | 13 | 14 | 16,5 | 17 |
| s | Максимальный = номинальный размер | 7 | 8 | 10 | 13 | 16 | 18 | 21 | 24 | 27 | 30 | 34 | 36 |
| ранг a P. MIN. | 6,78 | 7,78 | 9,78 | 12,73 | 15,73 | 17,73 | 20,67 | 23,67 | 26,67 | 29,67 | 33,38 | 35,38 | |
| ранг b P. MIN. | 6,64 | 7,64 | 9,64 | 12,57 | 15,57 | 17,57 | 20,16 | 23,16 | 26,16 | 29,16 | 33 | 35 | |
| t | MIN. | 5,26 | 7,21 | 7,71 | 10,65 | 12,65 | 15,65 | 17,65 | 20,58 | 24,58 | 25,58 | 28,58 | 30,5 |
| максимальный. | 5,74 | 7,79 | 8,29 | 11,35 | 13,35 | 16,35 | 18,35 | 21,42 | 25,42 | 26,42 | 29,42 | 31,5 | |
| w | MIN. | 2 | 2 | 2 | 2 | 2 | 3 | 4 | 4 | 5 | 5 | 5 | 6 |
| Вес kg/1000pcs | - | - | 4,66 | 11 | 20,1 | 28,3 | - | 54,3 | 95 | 104 | - | 216 |


Материалы и химическое compstition
Сталь углерода
1008
| ХИМИЧЕСКОЕ COMPOSI % | ||||||||
| C | Si | Mn | P | S | Cr | Ni | Cu | Al |
| 0,06 | 0,06 | 0,33 | 0,013 | 0,003 | 0,01 | 0 | 0,01 | 0,028 |
1035
| ХИМИЧЕСКОЕ COMPOSI % | |||||||
| C | Si | Mn | P | S | Cr | Ni | Cu |
| 0,34 | 0,13 | 0,73 | 0,012 | 0,002 | 0,02 | 0,01 | 0,02 |
10B21
| ХИМИЧЕСКОЕ COMPOSI % | ||||||
| C | Si | Mn | P | S | Cr | B |
| 0,2 | 0,04 | 0,81 | 0,017 | 0,007 | 0,017 | 0,0021 |
1045
| ХИМИЧЕСКОЕ COMPOSI % | |||||||
| C | Si | Mn | P | S | Cr | Ni | Cu |
| 0,45 | 0,23 | 0,58 | 0,014 | 0,006 | 0,057 | 0,008 | 0,016 |
40CR
| ХИМИЧЕСКОЕ COMPOSI % | |||||||
| C | Si | Mn | P | S | Cr | Ni | Cu |
| 0,4 | 0,21 | 0,54 | 0,015 | 0,008 | 0,95 | 0,02 | 0,02 |
35CRMO
| ХИМИЧЕСКОЕ COMPOSI % | ||||||||
| C | Si | Mn | P | S | Cr | Ni | Cu | Mo |
| 0,35 | 0,22 | 0,59 | 0,01 | 0,003 | 0,93 | 0,01 | 0,01 | 0,21 |
42CRMO
| ХИМИЧЕСКОЕ COMPOSI % | ||||||||
| C | Si | Mn | P | S | Cr | Ni | Cu | Mo |
| 0,42 | 0,27 | 0,92 | 0,013 | 0,004 | 1,01 | 0,03 | 0,04 | 0,2 |
Нержавеющая сталь
| ХИМИЧЕСКОЕ COMPOSI (%) | |||||||||
| Тип | C | Si | Mn | P | S | Ni | Cr | Mo | Cu |
| ≤ | ≤ | ≤ | ≤ | ≤ | ≥ | ≥ | ≥ | ≈ | |
| 201Cu | 0,08 | 1,00 | 7.5-10 | 0,06 | 0,03 | 4.00-6.00 | 14.0-17.0 | 2.0-3.0 | |
| 201 | 0,15 | 1,00 | 8,50 | 0,06 | 0,03 | 3.50-5.50 | 16.0-18.0 | ||
| 202 | 0,15 | 1,00 | 7.5-10 | 0,06 | 0,03 | 4.00-6.00 | 17.0-19.0 | ||
| 301 | 0,15 | 1,00 | 2,00 | 0,045 | 0,03 | 5.00-8.00 | 16.0-18.0 | ||
| 302 | 0,15 | 1,00 | 2,00 | 0,045 | 0,03 | 8.00-10.0 | 17.0-19.0 | ||
| XM7 (302HQ) |
0,08 | 1,00 | 2,00 | 0,045 | 0,03 | 8.50-10.5 | 17.0-9.00 | 3.0-4.0 | |
| 303 | 0,15 | 1,00 | 2,00 | 0,20 | ≥0.15 | 8.00-10.0 | 17.0-19.0 | ≤0.60 | |
| 304 | 0,07 | 1,00 | 2,00 | 0,035 | 0,03 | 8.00-10.0 | 18.0-20.0 | ||
| 304HC | 0,08 | 1,00 | 2,00 | 0,045 | 0,03 | 8.00-10.0 | 17.0-19.0 | 1.0-3.0 | |
| 304M | 0,08 | 1,00 | 2,00 | 0,045 | 0,03 | 8.50-10.0 | 18.0-20.0 | ||
| 316 | 0,08 | 1,00 | 2,00 | 0,045 | 0,03 | 10.0-14.0 | 16.0-18.0 | 2.0-3.0 | |
| 316L (12Ni) |
0,03 | 1,00 | 2,00 | 0,045 | 0,03 | 12.0-15.0 | 16.0-18.0 | 2.0-3.0 | |
| 316L (10Ni) |
0,03 | 1,00 | 2,00 | 0,045 | 0,03 | 10.0-14.0 | 16.0-18.0 | 2.0-3.0 | |
| 321 | 0,08 | 1,00 | 2,00 | 0,045 | 0,03 | 9.00-13.0 | 17.0-19.0 | Ti≤5*C% | |
| 2520 | 0,08 | 1,00 | 2,00 | 0,035 | 0,03 | 19.0-22.0 | 24.0-26.0 | ||
Поверхность углерода стальная
ПРОСТОЙ НИКЕЛЬ ХРОМА HDG DACROMET GEOMET ЧЕРНОТЫ ZP YZP И ТАК ДАЛЕЕ
УПАКОВКА
БОЛЬШАЯ ЧАСТЬ QBH
20-25KG/CTN, 36CTNS/PALLET
20-30KG/BAGS, 36BAGS/PALLET
ОДНО TON/BOXES
50KG/ЖЕЛЕЗНЫЙ БАРАБАНЧИК, 12 ЖЕЛЕЗНЫХ DRUMS/PALLET
УПАКОВКА QBH НЕБОЛЬШАЯ
Паковать в маленьких коробках согласно требованиям к клиента
Паковать в полиэтиленовом пакете согласно требованиям к клиента
ТИП ПАЛЛЕТА QBH
ТВЕРДЫЙ ДЕРЕВЯННЫЙ ПАЛЛЕТ ОКУРИВАНИЯ
Паллет ЕВРО
ПАЛЛЕТ 3 ТУТОРОВ
ДЕРЕВЯННАЯ КОРОБКА
МЕХАНИЧЕСКОЕ СВОЙСТВО
ИСПЫТЫВАЯ СТАНДАРТ: DIN267- 4 ИЛИ ISO898-2
| РАЗМЕР | КЛАСС | ||||||||||
| 04 | 05 | ||||||||||
| КОНТРОЛЬНАЯ НАГРУЗКА N/mm2 |
HV |
ГАЙКА | КОНТРОЛЬНАЯ НАГРУЗКА N/mm2 |
HV |
ГАЙКА | ||||||
| > | ≤ | минута | максимальный | ТЕРМИЧЕСКАЯ ОБРАБОТКА | ТИП | минута | максимальный | ТЕРМИЧЕСКАЯ ОБРАБОТКА | ТИП | ||
| / | M4 | 380 | 188 | 302 | НЕТ | ТОНКАЯ ГАЙКА | 500 | 272 | 353 | УТВЕРДИТЕЛЬНЫЙ ОТВЕТ | ТОНКАЯ ГАЙКА |
| M4 | M7 | ||||||||||
| M7 | M10 | ||||||||||
| M10 | M16 | ||||||||||
| M16 | M39 | ||||||||||
| РАЗМЕР | КЛАСС | ||||||||||
| 4 | 5 | ||||||||||
| КОНТРОЛЬНАЯ НАГРУЗКА N/mm2 |
HV | ГАЙКА | КОНТРОЛЬНАЯ НАГРУЗКА N/mm2 |
HV | ГАЙКА | ||||||
| > | ≤ | минута | максимальный | ТЕРМИЧЕСКАЯ ОБРАБОТКА | ТИП | минута | максимальный | ТЕРМИЧЕСКАЯ ОБРАБОТКА | ТИП | ||
| / | M4 | / | / | / | / | / | 520 | 130 | 302 | НЕТ | 1 |
| M4 | M7 | 580 | |||||||||
| M7 | M10 | 590 | |||||||||
| M10 | M16 | 610 | |||||||||
| M16 | M39 | 510 | 117 | 302 | НЕТ | 1 | 630 | 146 | |||
| РАЗМЕР | КЛАСС | ||||||||||
| 6 | 8 | ||||||||||
| КОНТРОЛЬНАЯ НАГРУЗКА N/mm2 |
HV | ГАЙКА | КОНТРОЛЬНАЯ НАГРУЗКА N/mm2 |
HV | ГАЙКА | ||||||
| > | ≤ | минута | максимальный | ТЕРМИЧЕСКАЯ ОБРАБОТКА | ТИП | минута | максимальный | ТЕРМИЧЕСКАЯ ОБРАБОТКА | ТИП | ||
| / | M4 | 600 | 150 | 302 | НЕТ | 1 | 800 | 180 | 302 | НЕТ | 1 |
| M4 | M7 | 670 | 855 | 200 | |||||||
| M7 | M10 | 680 | 870 | ||||||||
| M10 | M16 | 700 | 880 | ||||||||
| M16 | M39 | 720 | 170 | 920 | 233 | 353 | УТВЕРДИТЕЛЬНЫЙ ОТВЕТ | ||||
| РАЗМЕР | КЛАСС | ||||||||||
| 8 | 9 | ||||||||||
| КОНТРОЛЬНАЯ НАГРУЗКА N/mm2 |
HV | ГАЙКА | КОНТРОЛЬНАЯ НАГРУЗКА N/mm2 |
HV | ГАЙКА | ||||||
| > | ≤ | минута | максимальный | ТЕРМИЧЕСКАЯ ОБРАБОТКА | ТИП | минута | максимальный | ТЕРМИЧЕСКАЯ ОБРАБОТКА | ТИП | ||
| / | M4 | / | / | / | / | / | 900 | 170 | 302 | НЕТ | 2 |
| M4 | M7 | 915 | 188 | ||||||||
| M7 | M10 | 940 | |||||||||
| M10 | M16 | 950 | |||||||||
| M16 | M39 | 890 | 180 | 302 | НЕТ | 2 | 920 | ||||
| РАЗМЕР | КЛАСС | ||||||||||
| 10 | 12 | ||||||||||
| КОНТРОЛЬНАЯ НАГРУЗКА N/mm2 |
HV | ГАЙКА | КОНТРОЛЬНАЯ НАГРУЗКА N/mm2 |
HV | ГАЙКА | ||||||
| > | ≤ | минута | максимальный | ТЕРМИЧЕСКАЯ ОБРАБОТКА | ТИП | минута | максимальный | ТЕРМИЧЕСКАЯ ОБРАБОТКА | ТИП | ||
| / | M4 | 1040 | 272 | 353 | УТВЕРДИТЕЛЬНЫЙ ОТВЕТ | 1 | 1140 | 295 | 353 | УТВЕРДИТЕЛЬНЫЙ ОТВЕТ | 1 |
| M4 | M7 | 1040 | 1140 | ||||||||
| M7 | M10 | 1040 | 1140 | ||||||||
| M10 | M16 | 1050 | 1140 | ||||||||
| M16 | M39 | 1060 | / | / | / | / | / | ||||
| РАЗМЕР | КЛАСС | |||||
| 12 | ||||||
| КОНТРОЛЬНАЯ НАГРУЗКА N/mm2 |
HV | ГАЙКА | ||||
| > | ≤ | минута | максимальный | ТЕРМИЧЕСКАЯ ОБРАБОТКА | ТИП | |
| / | M4 | 1150 | 272 | 353 | УТВЕРДИТЕЛЬНЫЙ ОТВЕТ | 2 |
| M4 | M7 | 1150 | ||||
| M7 | M10 | 1160 | ||||
| M10 | M16 | 1190 | ||||
| M16 | M39 | 1200 | ||||
Преимущества QBH
Характер продукции
Сформированный подгаечник центра жолудя, который подвергли механической обработке от бара или если тома и размер позволяют, то, может быть холодными. Подгаечники жолудя произведены путем установка 2 отклонений в противоположные квартиры точная в центр наговор гайки. Необходимы, что соотвествуют подгаечники жолудя низкопрофильного начала или вращающего момента потока полных подгаечников центра наговора.
Применения
Подгаечник жолудя использован для или декоративных целей и/или защитить от царапин когда поверхности в противном случае столкнулись бы, который подвергли действию винтовые нарезы. Подгаечники центра жолудя типично найдены в собраниях мебели, медицинских и транспорта для отдыха. Сопрягая части должны удлинить по крайней мере один поток за запирая элементом для того чтобы уверить запирать захват элемента.