Спецификация
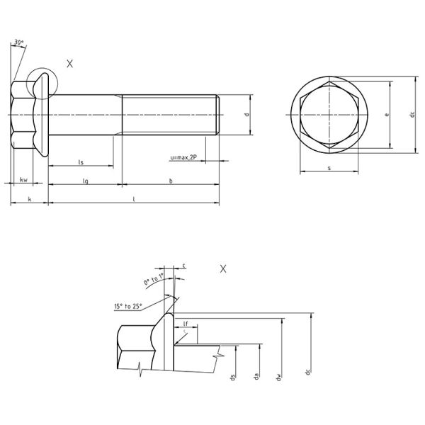
DIN 6921 - болты с буртиком шестиугольника метрические
Настоящая норма: EN 1665 DIN

d2 - внутренний диаметр кольца
b - длина потока (по крайней мере)
l - длина болта
d - номинальный диаметр потока
k - главная высота
s - надзиратель головы наговора размера
Сталь: 4,6, 8,8, 10,9
Нержавеющий: A2, A4
Пластмасса: -
Не железистый: -
Поток: 6g
| Tdread | M5 | M6 | M8 | M10 | M12 | (M14) | M16 | M20 | |
| размер d | - | - | M8 x 1 | M10 x 1,25 | M12 x 1,5 | (M14x1,5) | M16 x 1,5 | M20 x 1,5 | |
| - | - | - | (M10 x 1) | (M10 x 1,25) | - | - | - | ||
| P | 0,8 | 1 | 1,25 | 1,5 | 1,75 | 2 | 2 | 2,5 | |
| C | MIN. | 1 | 1,1 | 1,2 | 1,5 | 1,8 | 2,1 | 2,4 | 3 |
| da | MIN. | 5 | 6 | 8 | 10 | 12 | 14 | 16 | 20 |
| Максимальный. | 5,75 | 6,75 | 8,75 | 10,8 | 13 | 15,1 | 17,3 | 21,6 | |
| dc | Максимальный. | 11,8 | 14,2 | 17,9 | 21,8 | 26 | 29,9 | 34,5 | 42,8 |
| dw | MIN. | 9,8 | 12,2 | 15,8 | 19,6 | 23,8 | 27,6 | 31,9 | 39,9 |
| e | MIN. | 8,79 | 11,05 | 14,38 | 16,64 | 20,03 | 23,36 | 26,75 | 32,95 |
| h | Максимальный. | 6,2 | 7,3 | 9,4 | 11,4 | 13,8 | 15,9 | 18,3 | 22,4 |
| m | MIN. | 4,7 | 5,7 | 7,6 | 9,6 | 11,6 | 13,3 | 15,3 | 18,9 |
| m | MIN. | 2,2 | 3,1 | 4,5 | 5,5 | 6,7 | 7,8 | 9 | 11,1 |
| s | Номинальный размер =max. |
8 | 10 | 13 | 15 | 18 | 21 | 24 | 30 |
| MIN. | 7,78 | 9,78 | 12,73 | 14,73 | 17,73 | 20,67 | 23,67 | 29,16 | |
| r | Максимальный. | 0,3 | 0,36 | 0,48 | 0,6 | 0,72 | 0,88 | 0,96 | 1,2 |
Tab2
| Поток d | M5 | M6 | M8 | M10 | M12 | M14 | M16 | M 20 | ||||||||||
| - | - | M8 x 1 | M10 x 1,25 | M12 x 1,5 | M14 x 1,5 | M16 x 1,5 | M20 x 1,5 | |||||||||||
| - | - | - | (M10 x 1) | (M12 x 1,25) | - | - | - | |||||||||||
| l | Lengtds хвостовика | |||||||||||||||||
| номинальный размер |
MIN. | максимальный. | ls MIN. | lg максимальный | ls MIN. | lg максимальный | ls MIN. | lg максимальный | ls MIN. | lg максимальный | ls MIN. | lg максимальный | ls MIN. | lg максимальный | ls MIN. | lg максимальный | ls MIN. | lg максимальный |
| 10 | 9,71 | 10,29 | - | 2,4 | ||||||||||||||
| 12 | 11,65 | 12,35 | - | 2,4 | - | 3 | ||||||||||||
| 16 | 15,65 | 16,35 | - | 2,4 | - | 3 | - | 4 | ||||||||||
| 20 | 19,58 | 20,42 | - | 4 | - | 3 | - | 4 | - | 4,5 | ||||||||
| 25 | 24,58 | 25,42 | 5 | 9 | 2 | 7 | - | 4 | - | 4,5 | - | 5,3 | ||||||
| 30 | 29,58 | 30,42 | 10 | 14 | 7 | 12 | - | 8 | - | 4,5 | - | 5,3 | - | 6 | ||||
| 35 | 34,5 | 35,5 | 15 | 19 | 12 | 17 | 6,75 | 13 | - | 9 | - | 5,3 | - | 6 | - | 6 | ||
| 40 | 39,5 | 40,5 | 20 | 24 | 17 | 22 | 11,75 | 18 | 6,5 | 14 | - | 10 | - | 6 | - | 6 | - | 7,5 |
| 45 | 44,5 | 45,5 | 25 | 29 | 22 | 27 | 16,75 | 23 | 11,5 | 19 | 6,25 | 15 | - | 11 | - | 6 | - | 7,5 |
| 50 | 49,5 | 50,5 | 30 | 34 | 27 | 32 | 21,75 | 28 | 16,5 | 24 | 11,25 | 20 | 6 | 16 | - | 12 | - | 7,5 |
| 55 | 54,4 | 55,6 | 32 | 37 | 26,75 | 33 | 21,5 | 29 | 16,25 | 25 | 11 | 21 | 7 | 17 | - | 9 | ||
| 60 | 59,4 | 60,6 | 37 | 42 | 31,75 | 38 | 26,5 | 34 | 21,25 | 30 | 16 | 26 | 12 | 22 | - | 14 | ||
| 65 | 64,4 | 65,5 | 36,75 | 43 | 31,5 | 39 | 26,25 | 35 | 21 | 31 | 17 | 27 | 6,5 | 19 | ||||
| 70 | 69,4 | 70,6 | 41,75 | 48 | 36,5 | 44 | 31,25 | 40 | 26 | 36 | 22 | 32 | 11,5 | 24 | ||||
| 80 | 79,4 | 80,6 | 51,75 | 58 | 46,5 | 54 | 41,25 | 50 | 36 | 46 | 32 | 42 | 21,5 | 34 | ||||
| 90 | 89,3 | 90,7 | 56,5 | 64 | 51,25 | 60 | 46 | 56 | 42 | 52 | 31,5 | 44 | ||||||
| 100 | 99,3 | 100,7 | 66,5 | 74 | 61,25 | 70 | 56 | 66 | 52 | 62 | 41,5 | 54 | ||||||
| 110 | 109,3 | 110,7 | 71,25 | 80 | 66 | 76 | 62 | 72 | 51,5 | 54 | ||||||||
| 120 | 119,3 | 120,7 | 81,25 | 90 | 76 | 86 | 72 | 82 | 61,5 | 74 | ||||||||
| 130 | 129,2 | 130,8 | 80 | 90 | 76 | 86 | 65,5 | 78 | ||||||||||
| 140 | 139,2 | 140,8 | 90 | 100 | 86 | 96 | 75,5 | 88 | ||||||||||
| 150 | 149,2 | 150,8 | 96 | 106 | 85,5 | 98 | ||||||||||||
| 160 | 159,2 | 160,8 | 106 | 116 | 95,5 | 108 | ||||||||||||
| 180 | 179,2 | 180,8 | 115,5 | 128 | ||||||||||||||
| 200 | 199 | 201 | 135,5 | 148 | ||||||||||||||
Поток процесса
Ковка вхолодную
Обжигая ➨ вковки кома ➨ wiredrawing ➨ обработки (если потребность), то продевает нитку упаковку ➨ финиша ➨ термической обработки ➨make завальцовки (если потребность), то
Горячая вковка
Режущ ➨ материального ➨ вковки ➨ горячего поворачивая сожмите ➨ завальцовки ➨thread диаметра (потока половины) сделайте упаковку ➨ финиша ➨ термической обработки (если потребность), то
Ранг продукта
Class4.8 Class5.8 Class6.8 Class8.8 Class10.9 Class12.9
| НЕТ. | Механический или физические свойства |
Класс свойства | ||||||||||
| 4,6 | 4,8 | 5,6 | 5,8 | 6,8 | 8,8 | 9,8 | 10,9 | 12.9/12.9 | ||||
| D≤16mma | d>16mmb | d≤16mm | ||||||||||
| 1 | Прочность на растяжение Rm, Mpa |
nom.c | 400 | 500 | 600 | 800 | 900 | 1000 | 1200 | |||
| максимальный. | 400 | 420 | 500 | 520 | 600 | 800 | 830 | 900 | 1040 | 1220 | ||
| 2 | Более низкая прочность выхода ReL, Mpa |
nom.c | 240 | -- | 300 | -- | -- | -- | -- | -- | -- | -- |
| максимальный. | 240 | -- | 300 | -- | -- | -- | -- | -- | -- | -- | ||
| 3 | Стресс на удлиненности 0,2% nonproportional Rp0,2, Mpa |
nom.c | -- | -- | -- | -- | -- | 640 | 640 | 720 | 900 | 1080 |
| максимальный. | -- | -- | -- | -- | -- | 640 | 660 | 720 | 940 | 1100 | ||
| 4 | Стресс на удлиненности 0,0048 d не-пропорциональной для полноразмерные крепежные детали Rpf, Mpa |
nom.c | -- | 320 | -- | 400 | 480 | -- | -- | -- | -- | -- |
| максимальный. | -- | 340e | -- | 420e | 480e | -- | -- | -- | -- | -- | ||
| 5 | Стресс под контрольной нагрузкой Spf, Mpa |
nom. | 225 | 310 | 280 | 380 | 440 | 580 | 600 | 650 | 830 | 970 |
| Придайте непроницаемость Sp, минута nom/ReL или Sp прочности, nom/Rp0.2min или Sp rati, минута nom/Rpf |
0,94 | 0,91 | 0,93 | 0,9 | 0,92 | 0,91 | 0,91 | 0,9 | 0,88 | 0,88 | ||
| 6 | Удлиненность процента после трещиноватости для части подвергли механической обработке теста, a, % |
MIN. | 22 | -- | 20 | -- | -- | 12 | 12 | 10 | 9 | 8 |
| 7 | Уменьшение процента зоны позже трещиноватость для, который частей подвергли механической обработке теста, z, % |
MIN. | -- | 52 | 48 | 48 | 44 | |||||
| 8 | Удлиненность после трещиноватости для полноразмерного крепежные детали, Af |
MIN. | -- | 0,24 | -- | 0,22 | 0,2 | -- | -- | -- | -- | -- |
| 9 | Главная здравость | Отсутствие трещиноватости | ||||||||||
| 10 | Твердость Vickers, HV, F≥98N |
MIN. | 120 | 130 | 155 | 160 | 190 | 250 | 255 | 290 | 320 | 385 |
| максимальный. | 220g | 250 | 320 | 335 | 360 | 380 | 435 | |||||
| 11 | Brinell твердость, HBW , ² F=30D |
MIN. | 114 | 124 | 147 | 152 | 181 | 238 | 242 | 276 | 304 | 366 |
| максимальный. | 209g | 238 | 304 | 318 | 342 | 361 | 414 | |||||
| 12 | Твердость Rockwell, HRB, HRB |
MIN. | 67 | 71 | 79 | 82 | 89 | |||||
| максимальный. | 95g | 99,5 | ||||||||||
| Твердость Rockwell, HRC |
MIN. | -- | 22 | 23 | 28 | 32 | 39 | |||||
| максимальный. | -- | 32 | 34 | 37 | 39 | 44 | ||||||
| 13 | Поверхностная твердость HV 0,3 |
максимальный. | -- | h | h, j | h, j | ||||||
| 14 | Высота не-decarburized зоны потока, e, mm | MIN. | -- | 1/2H1 | 2/3H1 | 3/4H1 | ||||||
| Глубина полного обезуглероживания в поток, g, mm |
максимальный. | -- | 0,015 | |||||||||
| 15 | Уменьшение твердости после retempering, HV | максимальный. | -- | 20 | ||||||||
| 16 | Ломать вращающий момент, MB, N·m |
MIN. | -- | в соответствии с ISO 898-7 | ||||||||
| 17 | Прочность удара, KVK, I, J |
MIN. | -- | 27 | -- | 27 | 27 | 27 | 27 | m | ||
| 18 | Поверхностная целостность в соответствии с | ISO 6157-1n | ISO 6157-3 | |||||||||
|
значения не применяются для структурный скреплять болтами. |
||||||||||||
Материалы и химическое compstition
1008
| ХИМИЧЕСКОЕ COMPOSI % | ||||||||
| C | Si | Mn | P | S | Cr | Ni | Cu | Al |
| 0,06 | 0,06 | 0,33 | 0,013 | 0,003 | 0,01 | 0 | 0,01 | 0,028 |
1035
| ХИМИЧЕСКОЕ COMPOSI % | |||||||
| C | Si | Mn | P | S | Cr | Ni | Cu |
| 0,34 | 0,13 | 0,73 | 0,012 | 0,002 | 0,02 | 0,01 | 0,02 |
10B21
| ХИМИЧЕСКОЕ COMPOSI % | ||||||
| C | Si | Mn | P | S | Cr | B |
| 0,2 | 0,04 | 0,81 | 0,017 | 0,007 | 0,017 | 0,0021 |
1045
| ХИМИЧЕСКОЕ COMPOSI % | |||||||
| C | Si | Mn | P | S | Cr | Ni | Cu |
| 0,45 | 0,23 | 0,58 | 0,014 | 0,006 | 0,057 | 0,008 | 0,016 |
40CR
| ХИМИЧЕСКОЕ COMPOSI % | |||||||
| C | Si | Mn | P | S | Cr | Ni | Cu |
| 0,4 | 0,21 | 0,54 | 0,015 | 0,008 | 0,95 | 0,02 | 0,02 |
35CRMO
| ХИМИЧЕСКОЕ COMPOSI % | ||||||||
| C | Si | Mn | P | S | Cr | Ni | Cu | Mo |
| 0,35 | 0,22 | 0,59 | 0,01 | 0,003 | 0,93 | 0,01 | 0,01 | 0,21 |
42CRMO
| ХИМИЧЕСКОЕ COMPOSI % | ||||||||
| C | Si | Mn | P | S | Cr | Ni | Cu | Mo |
| 0,42 | 0,27 | 0,92 | 0,013 | 0,004 | 1,01 | 0,03 | 0,04 | 0,2 |
Финиш
ПРОСТОЙ НИКЕЛЬ ХРОМА HDG DACROMET GEOMET ЧЕРНОТЫ ZP YZP И ТАК ДАЛЕЕ
УПАКОВКА
БОЛЬШАЯ ЧАСТЬ QBH
20-25KG/CTN, 36CTNS/PALLET
20-30KG/BAGS, 36BAGS/PALLET
ОДНО TON/BOXES
50KG/ЖЕЛЕЗНЫЙ БАРАБАНЧИК, 12 ЖЕЛЕЗНЫХ DRUMS/PALLET
УПАКОВКА QBH НЕБОЛЬШАЯ
Паковать в маленьких коробках согласно требованиям к клиента
Паковать в полиэтиленовом пакете согласно требованиям к клиента
ТИП ПАЛЛЕТА QBH
ТВЕРДЫЙ ДЕРЕВЯННЫЙ ПАЛЛЕТ ОКУРИВАНИЯ
Паллет ЕВРО
ПАЛЛЕТ 3 ТУТОРОВ
ДЕРЕВЯННАЯ КОРОБКА
Преимущества QBH