Винты полусферической шляпки гнезда шестиугольника ISO 7380 классифицируют 10,9 черное
ISO 7380 - винты полусферической шляпки гнезда шестиугольника классифицируют 10,9 черное
ISO 7380 болтов крышки полусферической шляпки гнезда не запланирован для высокопрочного применения. Цель произведения их с прочностью класса свойства 10,9 увеличить сопротивление носки гнезд.
ISO 7380: винты 2004 полусферической шляпки гнезда шестиугольника, которого подготовил ISO/TC 2" крепежные детали“ международной организации для
Стандартизация, beenadopted техническим комитетом CEN/TC 185" продетые нитку и не-продетые нитку механические andaccessories крепежных деталей“,
Секретариат чего держит DIN, как европейский стандарт.
Затягивать процедуру:
Введите ключ в гнездо и придайте вращающий момент на гайке пока держащ ключ. Однако, вращающий момент быть приложенным на винте самом он должен быть уменьшен соответственно.
R.S. Вращающий момент = порекомендованное SeatingTorque

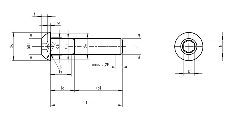
l - длина болта
d - номинальный диаметр потока
k - главная высота
dk - главный диаметр
s - размер внутреннего шестиугольника
Сталь: 8,8, 10,9, 12,9
Нержавеющий: A2, A4
Пластмасса: -
Не железистый: -
Поток: 6g, 5g6g на прочность 12,9
Примечания:
-
| Поток d | M3 | M4 | M5 | M6 | M8 | M10 | M12 | M16 | |
| P | 0,5 | 0,7 | 0,8 | 1 | 1,25 | 1,5 | 1,75 | 2 | |
| b | REF. | 18 | 20 | 22 | 24 | 28 | 32 | 36 | 44 |
| da | максимальный. | 3,6 | 4,7 | 5,7 | 6,8 | 9,2 | 11,2 | 13,7 | 17,7 |
| dk | максимальный. | 5,7 | 7,6 | 9,5 | 10,5 | 14 | 17,5 | 21 | 28 |
| MIN. | 5,4 | 7,24 | 9,14 | 10,07 | 13,57 | 17,07 | 20,48 | 27,48 | |
| dL | REF. | 2,6 | 3,8 | 5 | 6 | 7,7 | 10 | 12 | 16 |
| ds | максимальный. | 3 | 4 | 5 | 6 | 8 | 10 | 12 | 16 |
| MIN. | 2,86 | 3,82 | 4,82 | 5,82 | 7,78 | 9,78 | 11,73 | 15,73 | |
| dw | MIN. | 5 | 6,84 | 8,74 | 9,57 | 13,07 | 16,57 | 19,68 | 26,68 |
| e | MIN. | 2 303 | 2 873 | 3 443 | 4 583 | 5 723 | 6 863 | 9 149 | 11 429 |
| k | максимальный. | 1,65 | 2,2 | 2,75 | 3,3 | 4,4 | 5,5 | 6,6 | 8,8 |
| MIN. | 1,4 | 1,95 | 2,5 | 3 | 4,1 | 5,2 | 6,24 | 8,44 | |
| r1 | максимальный. | 3,7 | 4,6 | 5,75 | 6,15 | 7,95 | 9,8 | 11,2 | 15,3 |
| MIN. | 3,3 | 4,2 | 5,25 | 5,65 | 7,45 | 9,2 | 10,5 | 14,5 | |
| rs | MIN. | 0,1 | 0,2 | 0,2 | 0,25 | 0,4 | 0,4 | 0,6 | 0,6 |
| rt | MIN. | 0,3 | 0,4 | 0,45 | 0,5 | 0,7 | 0,7 | 1,1 | 1,1 |
| s | nom. | 2 | 2,5 | 3 | 4 | 5 | 6 | 8 | 10 |
| максимальный. | 2,08 | 2,58 | 3,08 | 4 095 | 5,14 | 6,14 | 8 175 | 10 175 | |
| MIN. | 2,02 | 2,52 | 3,02 | 4,02 | 5,02 | 6,02 | 8 025 | 10 025 | |
| t | MIN. | 1,04 | 1,3 | 1,56 | 2,08 | 2,6 | 3,12 | 4,16 | 5,2 |
| w | MIN. | 0,2 | 0,3 | 0,38 | 0,74 | 1,05 | 1,45 | 1,63 | 2,25 |
Нержавеющие стали можно разделить в 3 группы в составе стальное - аустенитовый. ferritic и martensitic. Сталь аустенитного класса безоговорочно
тип mostcommon (>90% из коммерчески крепежных деталей). Обозначают стальные группы и классы прочности 4-числом
письма sequenceof и номера (например A2-70) как показано в следующей таблице. ISO 3506 EN DIN управляет винтами и гайки сделали
fromstainless сталь.
Поток процесса
Ковка вхолодную
Обжигая ➨ вковки кома ➨ wiredrawing ➨ обработки (если потребность), то продевает нитку упаковку ➨ финиша ➨ термической обработки ➨make завальцовки (если потребность), то
УПАКОВКА
БОЛЬШАЯ ЧАСТЬ QBH
20-25KG/CTN, 36CTNS/PALLET
20-30KG/BAGS, 36BAGS/PALLET
ОДНО TON/BOXES
50KG/ЖЕЛЕЗНЫЙ БАРАБАНЧИК, 12 ЖЕЛЕЗНЫХ DRUMS/PALLET
УПАКОВКА QBH НЕБОЛЬШАЯ
Паковать в маленьких коробках согласно требованиям к клиента
Паковать в полиэтиленовом пакете согласно требованиям к клиента
ТИП ПАЛЛЕТА QBH
ТВЕРДЫЙ ДЕРЕВЯННЫЙ ПАЛЛЕТ ОКУРИВАНИЯ
Паллет ЕВРО
ПАЛЛЕТ 3 ТУТОРОВ
ДЕРЕВЯННАЯ КОРОБКА
Преимущества QBH
вопросы и ответы