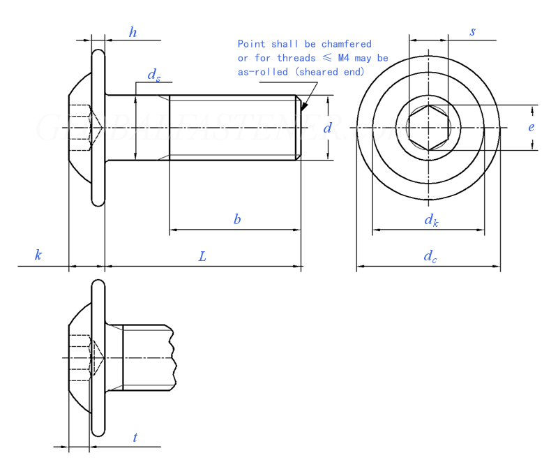
Болт крышки головки винта с гнездом для торцового ключа нержавеющей стали ISO 7380-2 служить фланцем кнопкой
ISO 7380-2 до полусферическая шляпка 2011 гнезда шестиугольника привинчивает с воротником
Болты крышки головки винта с гнездом для торцового ключа QBH обыкновенно использованы в собрании машины для съемных панелей и частей. Они имеют круглую крышку с головой наговора и затягиваны с приводом ключа гнезда. Более длинные крышки легче для того чтобы увидеть при закреплении, пока крышки кнопки и плоской головки реже к одежде или рычагам выхвата. Болты крышки с черным финишем пальто окиси или панцыря сопротивляются корозии.
Затягивать процедуру:
Введите ключ в гнездо и придайте вращающий момент на гайке пока держащ ключ. Однако, вращающий момент быть приложенным на винте самом он должен быть уменьшен соответственно.
R.S. Вращающий момент = порекомендованное SeatingTorque

Блок: mm
| ①, «emin =1.14smin; Совмещенный калибровать размеров гнезда и, видит ISO 23429 ②, 80% из значений определенных в ISO 898-1 |
Нержавеющие стали можно разделить в 3 группы в составе стальное - аустенитовый. ferritic и martensitic. Сталь аустенитного класса безоговорочно
тип mostcommon (>90% из коммерчески крепежных деталей). Обозначают стальные группы и классы прочности 4-числом
письма sequenceof и номера (например A2-70) как показано в следующей таблице. ISO 3506 EN DIN управляет винтами и гайки сделали
fromstainless сталь.
УПАКОВКА
БОЛЬШАЯ ЧАСТЬ QBH
20-25KG/CTN, 36CTNS/PALLET
20-30KG/BAGS, 36BAGS/PALLET
ОДНО TON/BOXES
50KG/ЖЕЛЕЗНЫЙ БАРАБАНЧИК, 12 ЖЕЛЕЗНЫХ DRUMS/PALLET
УПАКОВКА QBH НЕБОЛЬШАЯ
Паковать в маленьких коробках согласно требованиям к клиента
Паковать в полиэтиленовом пакете согласно требованиям к клиента
ТИП ПАЛЛЕТА QBH
ТВЕРДЫЙ ДЕРЕВЯННЫЙ ПАЛЛЕТ ОКУРИВАНИЯ
Паллет ЕВРО
ПАЛЛЕТ 3 ТУТОРОВ
ДЕРЕВЯННАЯ КОРОБКА
Преимущества QBH
вопросы и ответы