Наборы GB/T 3632 типа высокопрочной гайки шестиугольника болта и простой шайбы Torshear для стальных структур
Болты управлением напряжения, болты TC или извив с болтов теперь самый популярный выбор в высокопрочный структурный скреплять болтами и официально узнанный AISC (американским институтом стальной конструкции) и RCSC (научно-исследовательский совет на структурных соединениях) как одобренный метод установки.
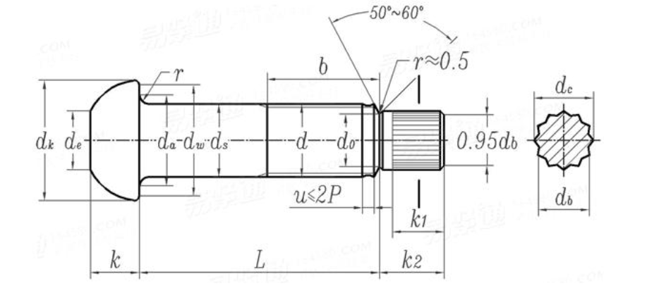
Болты управлением напряжения состоят из 1 пре-собранных болта, 1 гайки и 1 шайбы, и там ибо они показаны, 1 номер серии, на обработке документов аттестации. Собрания болтов управлением напряжения приходят с их собственным построенные в механизме управления напряжения (сплайне) для обеспечения зависящего и repeatable уровни напряжения достиганы с каждой установкой. Они установлены со специализированным ключем электрических ножниц который имеет наружное гнездо которое поворачивает гайку против часовой стрелки, пока хватающ сплайн с внутренним гнездом поворачивая его по часовой стрелке. Когда свойственный уровень напряжения был достиган кнопкам сплайна с давать вам визуальную индикацию свойственной установки.
Болты TC используют собственническую смазку на гайке, для того чтобы контролировать зажимая силу болта и достиган обеспечить соотвествующий уровень напряжения. Вследствие этого собственническая смазка, не допустимо к re-смазанным болтам TC, в поле, только изготовление болта TC может re-смазать собрание TC.
Преимущества болта управлением напряжения:

Болты управлением напряжения и новаторская система ключа ножниц самый недорогой метод для болтов установки поджатых или высокопрочных трением сжатия.
QBH TC скрепляет болтами по мере того как они обыкновенно знано по всему миру, заменяет обычные высокопрочные болты сжатия трением и swaged заклепки воротника просто потому что они быстры и легки установить используя облегченные ключи электрических ножниц. Гарантированное напряжение вместе с визуальным контролем извлекает вероятность ошибки оператора и обеспечивает инженеров что соединения затягиваны в соответствии со спецификациями.
Наши собрания системы HRC структурные скрепляя болтами использованы в широком диапазоне применений, от плит соединения моста к соединениям луч-к-столбца, от ферменных конструкций крыши стадионов проложить рельсы переключатели и скрещивания. Сочетание из a TC скрепляет болтами главную прочность на растяжение и феноменальный результат дуктильности в поистине всеобщем болте который можно использовать в почти всех соединениях стальных изделий.

| ||||||||||||||
|
Материалы и химическое compstition
SCM435
| ХИМИЧЕСКОЕ COMPOSI % | ||||||||
| C | Si | Mn | P | S | Cr | Ni | Cu | Mo |
| 0,35 | 0,22 | 0,59 | 0,01 | 0,003 | 0,93 | 0,01 | 0,01 | 0,21 |
Финиш
ПРОСТОЙ НИКЕЛЬ ХРОМА HDG DACROMET GEOMET ЧЕРНОТЫ ZP YZP И ТАК ДАЛЕЕ
УПАКОВКА
БОЛЬШАЯ ЧАСТЬ QBH
20-25KG/CTN, 36CTNS/PALLET
20-30KG/BAGS, 36BAGS/PALLET
ОДНО TON/BOXES
50KG/ЖЕЛЕЗНЫЙ БАРАБАНЧИК, 12 ЖЕЛЕЗНЫХ DRUMS/PALLET
УПАКОВКА QBH НЕБОЛЬШАЯ
Паковать в маленьких коробках согласно требованиям к клиента
Паковать в полиэтиленовом пакете согласно требованиям к клиента
ТИП ПАЛЛЕТА QBH
ТВЕРДЫЙ ДЕРЕВЯННЫЙ ПАЛЛЕТ ОКУРИВАНИЯ
Паллет ЕВРО
ПАЛЛЕТ 3 ТУТОРОВ
ДЕРЕВЯННАЯ КОРОБКА
вопросы и ответы