крен Purlin c z гидравлической силы 7.Kw формируя тонну пассивное Decoiler машины 3,5
Технический параметр
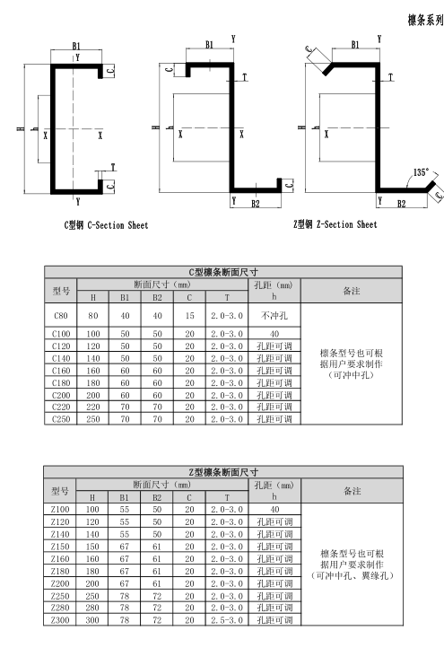
1. Толщина стального листа: 1. - 3.0mm (зависите от требования)
2. Гидравлическая сила: 7.Kw
3. Путь передачи: двойная цепь
4. Материал blad: Cr12, гася обработку
5. Емкость Decoiler: decoiler 3 тонн пассивное
6. Формировать скорость: 10-20m/min
7. Группы ролика: about18 помещает главный ролик
8. Материал ролика: Сталь ранга GCr15
9. Диаметр ролика: 180mm
10. Основная ось: сталь высокой отметки 45# с гасить обработку
11. Сила главного мотора: 11 Kw
Главные компоненты
1. decoiler 3 тонн пассивное-------------------------------- 1Set
2. Главный крен формируя машину---------------------------- 1Set
2. Гидравлическая станция----------------------------------------- 1Set
3. Резать прибор-------------------------------------------- 1Set
4. Законченный - tabel продуктов--------------------------------- 2Set
5. Система управления PLC-------------------------------------- 1Set
6. Запасные части------------------------------------------------ 1Set
1. Умеренная цена
2. Высококачественный
3. 12 месяца гарантии
4. Больше многолетний опыт чем 10
5. Прочный
6. Надежный
Подача деятельности
Decoiler ---- Питаться --- Выравнивать--- Пробивать --- Вырезывание ---Формировать крена--- Побегите вне таблица
Профили крена Purlin CZ заменимого формируя машину


Изображения машины


 Нагружая Pics
  
 
