Машина вешалки хранения металла шкафа 18 роликов гальванизированная системой для склада
Крен формируя параметр машины технический
Основные спецификации
Соответствующий материал плиты: толщина 1.5-2.5мм
Материал: Гальванизированная стальная или пустая сталь
Работая скорость: 12-15 метров/минута
Формировать шаги: 18 станций
Материал ролика: Гкр15, гасят Kроме покрытый ХРК58-62
Материал вала: Предварительная сталь 45# (диаметр: 76мм), термальный рафинировка
Управленная система: Привод с цепной передачей
Главная власть с редуктором: китаец 11КВ ВХ известный
Резать: Гидравлическое режа Кр12мов
Материал ножа для разрезания: Кр12Мов, гасят ХРК58-62
Гидравлическая сила станции: бренд 5КВ Укси Ваньшен известный китайский
Вся машина проконтролирована компьютерн ПЛК индустрии.
ПЛК--Панасоник, английский язык Японии и китайский язык
Экран касания--Панасоник Япония
Кодировщик--Омрон, Япония
Электрические части--Шнайдер
Компоненты машины
| С.Н | Имя оборудования |
| 1 | гидравлический ООН-койлер 3Т |
| 2 | Выравнивать прибор 400мм |
| 3 | Прибор 400мм сервопривода питаясь |
| 4 | Отожмите мачинеДжХ21-80 |
| 5 | Главный крен формируя станции машины 24 |
| 6 | Держатель вырезывания |
| 7 | Гидравлическая станция |
| 8 | Система управления (включая распределительный ящик) |
| 9 | Вне таблицы |
| 10 | Запасные части |
| 11 | Шкаф кассеты 80 |
| 12 | Шкаф кассеты 110 |
| 13 | Плашки вырезывания |
| 14 | Пробивая комплектный штамп |
Подача деятельности крена формируя машину
Декоилинг---Направлять и выравнивать---Пробивать---Формировать крена----Резать----Собирать продукта
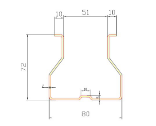
Чертеж профиля


Преимущество для крена формируя машину
1. умеренная цена
2. высококачественный
3. 12 месяца гарантии
4. Больше многолетний опыт чем 10
5. Дурабле
6. обслуживание Афрер-продаж
Наша компания
Машинное оборудование Суссман специализировано в строительных материалах светлой стальной структуры. В виду того что фабрика основала 10 лет перед, она всегда дизайны и производит различный тип профиль крена формируя машину.
Главные продукты фабрики дверь шторки ролика, линия панели ПУ сандвиш, пре-покрашенная стальная формируя машина, кладя крен на полку формируя машину, крен подноса кабеля формируя машину, застекленную кафельную формируя машину, автоматический Пурлин К/З формируя машину, палубу пола формируя машину, усовик формируя машину, вниз пускают формировать по трубам машину, всю плиту экипажа для блока луча автомобиля, стальной блок памяти, етк. продукты широко использованы в складе, здания фабрики, супермаркет, дома престарелых, виллы и другие строительные проекты, наша фабрика могут соотвествовать предприятиям конструкции, автомобильной промышленности, утюгу и растущим спросам предприятий производства стали.
Выставка новая:
Вы тепло инвитатед для посещения нашей будочки на выставке 2017 строительных материалов Таиланда международной на Бангкоке 2-ое-7 мая, наша будочка никакая Н603-3