Тип крен Австралии станций продукции 12 двери шторки формируя систему управления ПЛК машины
Параметр рельса двери технический
1. Толщина стального листа: 1.5-2мм (зависите от требования)
2. Путь передачи: одиночная цепь
3. Материал передачи: 45# сталь, высокочастотный гасить, круговой тангаж: 38,1, количество зубов: 13
4. материал блад: Кр12, гася обработку
5. Емкость Декоилер: декоилер пассиве 3 тонн
6. Формировать скорость: 8-10м/мин
7. Группы ролика: 12 станции верхняя и 16 станций вниз
8. Материал ролика: Кр40 сталь, высокочастотная гася обработка, ХРК58-62
9. Материал: гальванизированная сталь
10. Основная ось: сталь высокой отметки 45# с гасить обработку
11. сила главного мотора: 7,5 Кв
12. Гидравлическая сила: 4Кв
Главные компоненты рельса двери
| С.Н |
Имя оборудования |
Количество |
| 1. |
ООН-койлер пассиве 3Т |
1 набор |
| 2. |
Кормить и выравнивающ прибор |
1 набор |
| 5. |
Главный крен формируя станции машины 12 дривед цепью
|
1 набор |
| 6. |
Гидравлическое вырезывание |
1 набор |
| 7. |
Система управления (включая распределительный ящик) |
1 набор |
| 8. |
Вне таблицы |
2 набора |
| 9. |
Система охлаждения воды |
1 набор |
Преимущество для рельса двери
1. Умеренная цена
2. Высококачественный
3. 12 месяца гарантии
4. Больше многолетний опыт чем 10
5. Прочный
6. Надежный
Подача деятельности рельса двери
Декоилер----Питаться и выравнивать---Формировать крена---Резать---Побегите вне таблицы

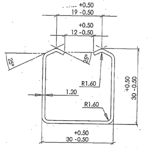
Профили рельса двери

Пикс загрузки






Введение компании
КО. машинного оборудования Суссман (укси), Лтд. продукция, продажи и обслуживания всестороннего предприятия интегрируя. Мы главным образом принимансяы за обеспечивая мачинерис и оборудование. Вследствие профессиональной сыгранности, мы испытаны в производстве, импорте и экспорте, дизайне клиентов, установке и тесте, техническом решении и обслуживаниях после-продажи. Мы грузили вне наши машины до больше чем 50 стран, и держим хорошие отношения дела с большое количество достойных клиентов, вносящ вклад в наши большие бизнес рекорды и репутацию.
Транспорт
Все товары будут погружены к вашей стране, номеру контейнеров будут решены с сколько машин вы выбрали бы
Установка машины
Индивидуальные компоненты машины установлены согласно плану и подготовлены для поручать.
Установка состоит из:
- Установка техниками обслуживания Суссман.
- Следующие обслуживания включенны:
- Установка компонентов машины.
- Регулировка компонентов машины.
- Соединение всех моторов с шкафом контроля.
- Установка необходимых предохранительных устройств.
Размер доставки не состоит из:
- Средства массовой информации поставляют (электрооборудование, обжатый воздух, етк.) к машине (шкаф контроля)
- Сырье, отростчатый материал и топлива
- Сырье для блоков теста
- Переход и подъемные устройства
- Вспомогательный штат.
Операторы завода должны присутствовать во время установки ознакомить с новыми машинами.
Поручать машины
Компоненты машины поручены один за другим. В конце поручать машина готова для продукции и вручена сверх.
Поручать состоит из:
- Поручать техниками обслуживания Суссман
- Тренировка на машине
- Следующие обслуживания представлены
- Побегите вверх компонентов машины
- Испытание всех функций компонентов машины
- Начало полностью автоматического процесса прессформы
- Исполнение принятия машины
Размер доставки не состоит из:
- Сырье, отростчатые материалы и потребляемые вещества
- Сырье для блоков теста
- Переход и подъемные устройства
Операторы завода должны присутствовать во время поручать, который нужно ознакомить с новыми машинами.
Наши обязательства послепродажного обслуживания
Суссман хэребы торжественно обещает: Мы снабжаем «стратегию обслуживания 3 гарантий» для любого оборудования проданного Суссман, обеспечиваем бесплатно директивы установки, поручать и обслуживание оборудования, тренировку операторов покупателя уместных; и обеспечьте технические требования для установки и деятельность оборудования, технических диаграмм плана и другой родственной информации, обеспечивает поставку продолжительности жизни обслуживания и запасных частей
Детальные измерения следующим образом:
1.Гуйделинес для установки и поручать оборудования:
Основанный на обстановке на данный момент, для помощи и для того чтобы направить персонала покупателя и покупателя технического в общее положение установки, установку оборудования, и снабдить покупателя с ответами их вопросы и смежные вопросы;
тренировка 2.Провиде для технических персоналов эксплуатации и техническое обслуживание:
Основанный на запросе покупателя, Суссман обеспечит бесплатно тренировку технических персоналов эксплуатации и техническое обслуживание;
a) Потребитель (покупатель) может отправить их техническим персоналам эксплуатации и техническое обслуживание в нашу фабрику для учить и тренировки;
b) Когда Суссман делает ход установки и теста оборудования для покупателя, покупатель может отправить их персонал для того чтобы участвовать.
отказ 3.Иф происходит в любых машинах во время «периода 3 гарантий» (одного года), тогда, на запросе покупателя, Суссман исключит отказ;
4. Суссман сообщит всем своим покупателям о всех подъемах и значительных улучшениях продукта. Суссман обеспечит изменения оборудования основанные на их ценах. Суссман обеспечит покупателей с высококачественными послепродажными обслуживаниями в осторожном и ответственная ориентация, обеспечивает очень сильную гарантию для продукции покупателя нормальной.
Мы обеспечиваем быстрое и удовлетворительное обслуживание клиента, и обещаем ответить в течение 24 часов после получать ваши жалобы по телефону или электронную почту
Проверка качества
1.Ве строго контролируют качество сырья и мы можем предложить акт досмотра нашего сырья для вас.
2. Мы делаем изготовлять строго согласно технологическим процессам. Кроме того, мы уносим осмотр забора для наших продуктов.
3. Весь из наших работников получали уместную тренировку управления качеством так, что качество продуктов можно обеспечить.
Наша цель предложить самое лучшее решение для наших клиентов, машины поставки высококачественной и хорошего обслуживания с умеренной ценой. Мы задушевно надеемся объединить с всемирными клиентами для взаимного успеха.
вопросы и ответы
1) К: Вы изготовитель или торговая компания?
А: Мы изготовитель и торговая компания.
2) К: Вы обеспечиваете устанавливать и тренировать за морем?
А: Международная машина устанавливает и образовательные услуги работника опционные.
3) К: Как ваша после того как поддержка продаж?
А: Мы обеспечиваем службу технической поддержки на линии так же, как международных обслуживаниях умелыми техниками.
4)К: Как ваша фабрика делает относительно проверки качества?
А: Никакой допуск относительно проверки качества. Проверка качества исполняет с ИСО9001. Каждая машина испытание прошлого бежать прежде чем она упаковала для пересылки.
5) Как могу я доверить вам что машины наклеили испытание бежать перед грузить?
А: 1) мы записываем видео испытания для вашей ссылки. Или,
2) мы приветствуем ваше посещение мы и испытываем машину самостоятельно в нашей фабрике.
6) К: Вы продаете только стандартные машины?
А: Нет. Большинств машины сделаны для того чтобы приказать.