1.2mm-2.0mm Толщина Виноградная пост решетки виноградные козырьки ролл Формирующая машина
Пост виноградника, также называемый виноградником, виноградником и виноградником.длительный срок службы и небольшое содержание для поддержки нормального роста винограда и других фруктов в винограднике, сады, виноградники и сельскохозяйственные плантации и сельское хозяйство.
Спецификации поста виноградника
Технический параметр
| 1.1 | Скорость проката | 2-3m/min или 5-6 м/мин, 0-20 м/мин |
| 1.2 | Толщина проката | 1.2-2 мм |
| 1.3 | Сырье | Оцинкованная стальная плиткаt G550 |
| 1.6 | Размер | 6500×600×1200 мм |
| 1.7 | Эффективная ширина | 50 мм |
| 1.8 | Стоянки на роликах |
Около 16 станций
|
| 1.9 | Материал для ролика | Gcr15, покрытые хромом, Сжигание |
| 1.10 | Диаметр вала | Φ60 мм, материал 45# кованая сталь |
| 1.11 | Передача | От:Цепочка |
| 1.12 | Материал цепи | 45# кованая сталь с частотной тушением, 12А |
| 1.13 | Главный двигатель | 7.5кВт |
| 1.14 | Материал для резки | Cr12Mov с температурой гашения HRC58-62° |
| 1.15 | Сокращение терпимости | 6m+-1,0 мм |
| 1.16 | Напряжение | 220 В, 60 Гц, 3-фазный |
Основные компоненты
|
S.N. |
Наименование оборудования |
Количество |
|
1 |
Гидравлический декоиллер 3T |
1 комплект |
|
2 |
Устройство выравнивания 200 мм |
1 комплект |
|
3 |
Устройство сервопитания 200 мм |
1 единица |
|
4 |
Пресса JH21-63 |
1 единица |
|
5 |
Главная машина для формования рулонов |
1 комплект |
|
6 |
Подъемник для резки |
1 комплект |
|
7 |
Гидравлическая станция |
1 комплект |
|
8 |
Система управления (включая контрольную коробку) |
1 комплект |
|
9 |
За столами |
2 единицы |
|
10 |
Запчасти |
1 упаковка |
|
16 |
Режущие матрицы |
1 комплект |
|
17 |
Сборник для пробивания |
1 комплект |
Рабочий поток машины для формования рулонов
Декоиллер----кормление с проводником----пробивание----прокат----резание----собирание продуктов

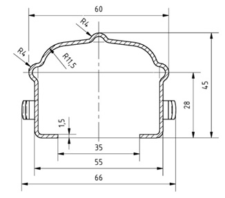
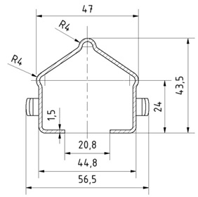
Профиль продукта



Применение:



Послепродажная Serive
- Продавец несет ответственность за установку и пуск в эксплуатацию оборудования и бесплатное обучение.Продавец предоставит 1 технического инженера для руководства установкой и обучением., и покупатель должен предоставить техническому лицу полное сотрудничество.
- Период монтажа: около 5 дней после полной подготовки покупателем, такой как фундамент и все необходимые принадлежности.
- Продолжительность обучения: 5 дней.
- Перед отъездом инженеров от продавца, покупатель должен оплатить застройку и ввод в эксплуатацию 100$/день на счет продавца.Переводчик и страхование все должны быть предоставлены покупателем с полной ответственностью.
- Продавец предоставляет технические данные (включая чертежи формов, чертежи электрических элементов и чертежи оборудования и т.д.)