1.5-2.5 мм толщина оцинкованная стальная система хранения вертикальная стойка поддоны стойка ролл формирующая машина
1. Технический параметр вертикальной машины для формования роллов с стойкой
| 1 | Пригодные для обработки | Цветная стальная плита |
| 2 | Ширина пластинки | В зависимости от потребности клиента |
| 3 | Толщина пластины | 1.5-2.5 мм |
| 4 | Декоиллер | Автоматический, может загрузить 5 тонн сырья. |
| 5 | Ролики для формования | 18 роликов |
| 6 | Диаметр ролика | Φ75 мм |
| 7 | Прокатные материалы | Сталь высокого класса 45# |
| 8 | Основная мощность двигателя | 18.5кВт |
| 9 | Производительность | Около 8-10 м/мин |
| 10 | Способ резки | Гидравлическое серво после резки |
| 11 | Материал режущего лезвия | Cr12Mov |
| 12 | Гидравлическая мощность резки | 4 кВт |
| 13 | Точность обработки | В пределах 1,00 мм |
| 14 | Система управления | Управление Delta PLC. |
| 15 | Основное устройство машины | 350 H сталь |
| 16 | Вес | Около 15 Т. |
| 17 | Размеры | 9.5*1,0*1,5м |
| 18 | Напряжение | 380В 50Гц 3-фазный |
2. Компоненты вертикальной стойки
|
Положение |
Наименование компонента |
Количество |
|
1 |
Гидравлический декоиллер 3T |
1 комплект |
|
2 |
Машины для выравнивания |
1 комплект |
|
3 |
Сдавляющая пресса 80Т |
1 комплект |
|
4 |
Форма для перфорации |
3 комплекта |
|
5 |
Машины для формования роллов |
1 комплект |
|
6 |
Летающий скреб |
1 комплект |
|
7 |
Гидравлическая станция |
1 комплект |
|
8 |
Шкаф управления ПЛК |
1 комплект |
|
9 |
Защитное покрытие |
1 комплект |
|
10 |
6м Выдвижная |
1 шт. |
|
11 |
Острие для резки |
1 комплект |
| 12 | Устройство сервопитания | 1 комплект |
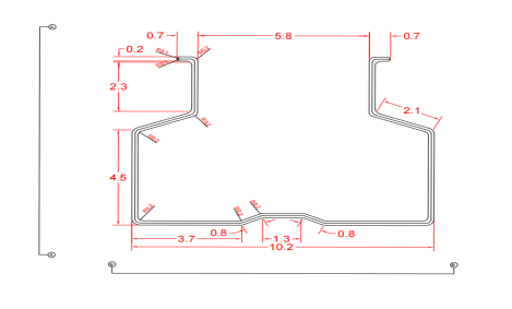
3. Профиль прямой стойки
1Готовые изделия: 90/100/120x70 стойки с отверстиями
2Запрос сырья: оцинкованная сталь
3У нас есть опыт экспорта наших паллетных стеллажей в Мексику, Перу, Коста-Рику, Индию и т.д.
4Мы создаем различные решения в зависимости от чертежей, толерантности и бюджета клиентов, предлагая профессиональное индивидуальное обслуживание, адаптируемое к каждой вашей потребности.
5В системе хранения поддонов на складах мы можем производить больше машин, таких как вертикальные секционные ролловые машины и полные панельные ролловые машины и т.д.



4Применение
Машина для формирования рулонов с подставками для поддонов широко используется в производстве вертикальной рамы, коробочной балки и ступенчатой балки.Наша интеллектуальная рулоновая машина может производить широкий диапазон размеров с использованием конструкции типа подъемника, и автоматически изменяются двигателями от одного размера к другому не только в ширине, но и в высоте..Машинная толщина составляет от 1,5-3,0 мм с сырьем холоднокатаная сталь, оцинкованная катушка, PPGI, углеродистая сталь, нержавеющая сталь и алюминий.И наша машина применяется к Хранилищу.В супермаркете, в промышленности или дома.

5. Фото с вертикальной стойкой


6. Информация о компаниях
Наш завод занимает площадь более 5000 м2 и 80 рабочих, в котором есть 10 центров обработки, сборочная зона и экспозиционная зона.
Наше основное производство - все виды стальных профилей рулон формирования машины, особенно легкой стальной рамы, C Z M Purlin, стойки вертикально, коробки балки, ступеньки балки, кабельной поднос, дверь жалюзи, дверной каркас,Ограждение для дорожного покрытия, каналы подшипников, леса и панели крыши всех различных формовочных машин и т.д.
Наиболее преимущественные технологии и самое профессиональное программное обеспечение для проектирования COPRA внедряются для настройки международных стандартов оборудования для клиентов.Оборудование, произведенное нашей компанией имеет передовую систему привода и весь дизайнГидравлическая система и двигатель устройства были интегрированы в один хост, экономия места оборудования, улучшение удобства и безопасности в использовании оборудования.Все электрические компоненты оборудования были приняты от международно известного бренда, чтобы обеспечить хорошие рабочие характеристики.
