Автоматический один нижний контроль c к завальцовке purline z CZ формируя машину
Автоматический один нижний контроль c к z, завальцовка purline CZ формируя машину высокий уровень c и purline z завальцовка формируя машину. Он может контролировать форму изменяя от на c к z одним управлением кнопки., оно может уменьшить требования для профессиональных и технических работников, улучшить эффективность работы и уменьшить отход материалов. Здесь мы примем следующий рисуя профиль для вашей ссылки:


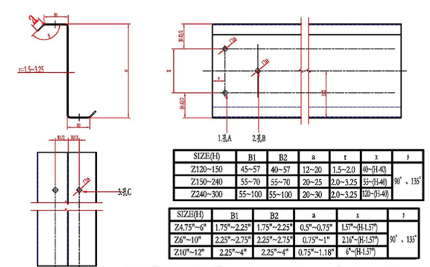
Позвольте мне попробовать объяснить размеры ряда: для purline c, мы разделяем его в 3 ряда, от C100 к C150,
От c 150 к C240mm, от C240 к C300 как это. В различных рядах, толщина поддержала ряд также другая. Такой же принцип работы к профилям z purling.
Автоматическая завальцовка purline CZ формируя машину:

Поддержанный материал:
толщина 1.5mm минимальная, толщина 2.0mm максимума 3.25mm для осмотра
CR, HR, СТАЛЬ HRPO, гальванизировал простую прочность выхода стали CR: 450Mpa
Автоматическая завальцовка purline CZ формируя план деятельности машины:

Больше введения элементов детали, фактические серии элементов опционные.
ООН-койлер 5Ton*650mm гидравлический
Гидравлическая система для того чтобы расширить отверстие катушки внутреннее; Мотор насоса: 3KW;
Инвертор частоты для того чтобы отрегулировать скорость поворота; Мотор: 3KW
Катушка Inner-diameter= 470-560mm. Наружн-диаметр максимальное 1600mm катушки;
Связ-соедините расширяя систему
Емкость нагрузки: Максимальные 5 тонн; Ширина максимальные 650mm катушки;
Гидравлический держатель на верхней части для удержания листа, держит для того чтобы отжать полностью рабочее временя, особенный дизайн на гидравлической группе

Пре-выравнивать прибор: Для того чтобы сделать катушку ясным и чистым, мы конструируем особенную выравнивая систему.
Между тем оно также конструировало с мотором сервопривода, когда после этого ширина изменяя, оно катушки сделает размер изменяя автоматически.

Пре-резать опционный: (Вы можете выбрать добавить или нет.)
Раздел проводника листа питаясь с изменением ширины. Приведенные в действие крены питания внутри. Остановите для того чтобы пробить, остановить для того чтобы отрезать.
Гидравлический Пре-режа прибор, ручной контроль, только для резать первую часть и часть конца листа
прибор Пре-вырезывания, управление PLC, purlin имеет бит открытый-вверх в обоих концах; панель, минута 2.5m длины
Гидравлическая группа, мотор =18.5KW насоса (перед пробивать и после пробивать)
Полные 3 набора пробивая станций
Станция 1: Пунш сети - одно круглое отверстие dia 14mm
Станция 2: Пунш сети - одна пара овального отверстия на сети, размере 14*22 mm
Станция 3: Пунш фланца - одна пара овального отверстия на фланце, размера 14*22 mm
Дополнительный набор плашки для пуншей размера 18*25 mm
Они exchangeable
Гидравлическая группа, мотор =18.5KW насоса
Для некоторых отверстий, мы делаем пробивать перед завальцовкой формируя, для некоторых отверстий мы делаем пробивать после свертывать формировать. Здесь некоторые изображения для вашей ссылки:

Автоматическая завальцовка purline CZ формируя машину
Питаясь раздел с проводником;
Шестерня/цепное колесо управляя, шаг 18 для того чтобы сформировать
Конструкция стойки рамки, основание луча h, с выравнивать болты в основании для того чтобы отрегулировать уровень
Ролики изготовленные от Cr12 (D3), термической обработки.
Вал Diameter=Φ75mm, точность подвергал механической обработке, термическая обработка
Изменение размеров: Передвижной дизайн одной структуры стороны/слота ласточкиного хвоста.
размером контрол-установки PLC в PLC для достижения спрошенного размера (incl.width, фланец, губа)
Изменяя от c к z или z к c автоматически PLC
Отрегулируйте размер c, z автоматически согласно устанавливать параметры PLC.
- устанавливающ размер в PLC для достижения спрошенного размера (incl.width, фланец, губа)
Основной KW Motor=22
Формирующ скорость приблизительно 0-25m/min

Примечание: даже если мы конструируем стороны и форму изменяя PLC, мы также позволяем вам сделать изменение управлением и поручнем кнопки. В случае если некоторая из ошибки и после этого вы может отрегулировать немного.
Вырезывание гидравлического столба новаторское
Стоп, который нужно отрезать, отрезок столба, новаторская система вырезывания, прессформа C/Z интегрированная & регулируемая вырезывания
Материал режущего инструмента: Cr12


Даже если мы вызываем его как автоматический но изменение размера резца, нам нужно отрегулировать работником. Когда профиль более большой или более небольшой, простой регулирует его поручнем вверх и вниз.
Автоматическая часть штабелеукладчика:
Обзор оборудования
Полноавтоматические штабелеукладчики C80-300 и Z100-300 могут штабелировать purlins C/Z с таким же комплектом оборудования. Весь комплект оборудования состоит из экрана мотора сервопривода, касания PLC и PRC, формируя систему полного контроля. Он имеет преимущества простой структуры, красивого интерфейса, надежного представления, удобной деятельности и высокой эффективности продукции.
Дифференциальный кодировщик использован для того чтобы зафиксировать длину. Его можно контролировать вручную и автоматически. Основные электрические детали низшего напряжения принимают международные известные бренды как Schneider.
Автоматический один нижний контроль c к завальцовке purline z CZ формируя видео машины работая для вашей ссылки:
Если вам нужна больше информации, то пожалуйста свяжитесь мы в любое время.