Машины для формования рулонов на канале 4 в 1 для США
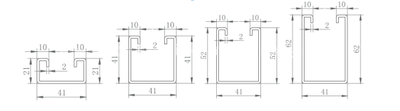
Strut Channel - это стандартная холоднокатаная сталь, используемая в электрической промышленности или конструкциях для структурной поддержки.рулон, сформированный в открытый канал с губами для обеспечения дополнительной жесткостиОсновные размеры каналов подпорки: 41*41. 21*21, а также некоторые индивидуальные формы.
Машина для формования рулонов на канале с подпоркой является мощным и универсальным оборудованием, способным удовлетворить потребности в производстве подпорных каналов в солнечных фотоэлектрических монтажных системах.Он может похвастаться такими особенностями, как высокая точность, длительный срок службы, простота эксплуатации и предоставляет различные дополнительные функции и возможности настройки.
Рисунок профиля

Пробный показ

Рабочий поток

Машины для формования рулонов на канале 4 в 1 для США

Преимущества оборудования
1Производственная линия использует высокоскоростную перфорационную машину и формовую материю Skd11, чтобы обеспечить перфорацию 12 метров доски за одну минуту.
2Производственная линия может производить четыре различных профиля высоты, чтобы достичь производства с несколькими спецификациями и меньше места на полу.
3Для уменьшения деформации разреза послерезающее устройство этого оборудования использует метод стрижки снизу вверх.
Материал машины для формования рулонов на канале 4 в 1 для США ((Luxury Type)
1Толщина материала: 2,0-2,5 мм
2.Применимый материал: GI/GL/PosMAC
3Прочность материала: 235-390 МПа.
4Ширина питания: Около 98-179 мм

Введение в машинное разложение
1.5T-600 Гидравлический разворачиватель
Гидравлическое управление внутренними отверстиями стальной рулоны сокращения и остановки
Максимальная ширина подачи: 600 мм
Внутренний диаметр катушки: 508 ± 30 мм, внешний диаметр: 1500 мм
Максимальная мощность: 5 тонн, двигатель: 3КВт, регулировка скорости преобразования частоты
Мотор для насоса масла: 3 КВт
Увеличить автоматическую мощность питания и автоматическое устройство отключения
Устройство для руки под давлением жидкости

2Устройство выравнивания.
Устройство для выравнивания верхних трех, нижних четырех и семи роликов.
С проводником питания основная рама сварлена сталью H450.
Ось сделана из 45# стали, которая горячая и горячая, и жесткого хрома.
Диаметр = φ90 мм, точная обработка.
Электрическая мощность: 3 кВт.

3.Устройство сервопитания

4.63Т Янли цилиндровая перфорационная машина
63-тонный высокоскоростной перфоратор оснащен набором перфораторных моделей перед формированием рулонов.
У ударника есть защитные крышки со всех сторон и двери с одной стороны.
Управляется системой PLC.
Мотор питания более точен сервомотором, мощность сервомотора составляет 3 КВт.

5.Форма для пробивания

6.Гидравлическое предварительное режущее устройство

7.Мил для формования ролика
С кормовой проводниковой рельсой основная рама сварлена сталью H400.
Толщина боковой стенки: Q235 T18mm;
Стержень: ф22 оцинкованный
На колесах используется высокоточная обработка из подшипниковой стали GCR15 (= сталь EN31), поверхность - твердый хром толщиной 0,04 мм, а поверхность - зеркальная обработка (длительный срок службы, более сильная ржавчина);
Вал изготовлен из 45# стали, охлажденной и закаленной термической обработкой, прочно хромированной.
Диаметр = 80 мм, точная обработка.
Движение передач и цепей около 22 шагов.
Главный двигатель (бренд Poli Lai) = 15 кВт, регулировка частоты.

8.Система охлаждения

9Гидравлическое устройство для резки столбов
Пост для резки, остановка для резки, дизайн резки из двух частей без кормления
Гидравлический двигатель: 5,5 кВт
Материал режущего инструмента: CR12Mov (= SKD11, имеет срок службы не менее одного миллиона лет), термическая обработка до HRC58-62 градусов
Режущая мощность обеспечивается независимой гидравлической станцией хозяина

10.Гидравлическая станция

11. Система управления ПЛК
Автоматическое управление количеством и длиной резки
Введите на сенсорный экран данные о производстве (партия производства, количество производственных единиц, продолжительность производства и т.д.).
Автоматически завершает производство.
Комбинация: ПЛК, инвертор, сенсорный экран, кодер и т.д.

12- Выходной стойка.
Без мотивации, два машины, колеса на нем, легко передвигаться
