Быстро.SПеренаправление 20 м/мин-StrutВХаннельRВсеFОтображениеМахинин
Машина для формования рулонов на канале Strut имеет два основных применения: одна известна как машина для формования рулонов с сейсмической поддержкой или машина для формования рулонов сейсмических каналов,предназначенный для производства компонентов, используемых для монтажа, укрепление, поддержка и соединение легких структурных нагрузок в строительстве зданий.Другое применение называется солнечной стойкой или фотоэлектрической стойкой., специально разработанный для производства солнечных панелей.
Канал подпорки в основном изготовлен из оцинкованной стали, которая обладает превосходной коррозионной стойкостью и долговечностью.Они также могут быть изготовлены из алюминия или нержавеющей стали для применений, требующих дополнительной устойчивости к коррозии или специальных эстетических соображений.И они бывают разных размеров и конфигураций, чтобы соответствовать конкретным приложениям.
Канала опоры обычно классифицируются по размеру ширины и высоты.в зависимости от конкретных требований проекта.
В зависимости от типа отверстия, у нас есть много различных типов каналов подшипников.что делает их универсальными для различных нужд установки:
Твердый канал не имеет отверстий, сквашенных заранее, и должен быть пробурен на месте или установлен другим способом.
Пробитый канал имеет круглые отверстия, достаточно большие для 5/8 дюймовых резьбовых стальных стержней или болтов, пробитых в верхней части канала в обычных 17/8 дюймовых центрах.
Половинчатый канал имеет короткие, закругленные прямоугольные отверстия, пробитые на 2-дюймовых центрах.
Кроме того, формы изготавливаются с двумя длинами канала, сварных друг с другом спиной, с одной стороны на другую или с тремя или четырьмя сварными вместе в различных узорах, чтобы сформировать более прочные структурные элементы.
Применение:
Твердый тип Усиленный и зубной тип

Процесс производства машины
Эта производственная линия состоит из нескольких основных компонентов, включая декоиллер, нивелирующую машину, ударную систему, трассу для хранения, прокатную форму и режущую систему.Ролл бывший разработан с прочной чугунной рамы и высокопроизводительного двигателя для обеспечения стабильности и прочности в производственном процессеМежду тем, режущая система использует гидравлическую резку, устраняя необходимость замены лезвия пилы, снижая затраты и минимизируя проблемы с шумом.Сочетание этих характеристик делает эту производственную линию высокоэффективной и экономически эффективной для различных производственных нужд.
Быстро.SПеренаправление 20 м/мин-StrutВХаннельRВсеFОтображениеМахинин
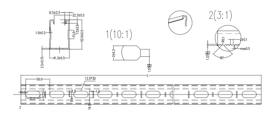
Техническая спецификация
Использование солнечных панелей в виде каркасных рулонов

Подробные изображения Быстро.SПеренаправление 20 м/мин-StrutВХаннельRВсеFОтображениеМахинин
Быстро.SПеренаправление 20 м/мин-StrutВХаннельRВсеFОтображениеМахинин выпрямленное устройство
Быстро.SПеренаправление 20 м/мин-StrutВХаннельRВсеFОтображениеМахинин перфоратор и шаг в устройство
Быстро.SПеренаправление 20 м/мин-StrutВХаннельRВсеFОтображениеМахининустройство питания дугой
Быстро.SПеренаправление 20 м/мин-StrutВХаннельRВсеFОтображениеМахининролики
Быстро.SПеренаправление 20 м/мин-StrutВХаннельRВсеFОтображениеМахинингидравлический резач
Рисунки профилей


