Клетки сжимающей нагрузки нержавеющей стали используют технологию тензометра с датчиком из фольги металла для того чтобы измерить обжатие/давление и в статических и динамических ситуациях. Клетка RJ-8680 сжимающей нагрузки предлагает 0-5ton/0-10ton/0-15 тонна/0-20ton/0-25 тонну/0-30ton различные расклассифицированные измеряя ряды для выбора от. Ее можно использовать в машинах инжекционного метода литья, прессах, анализе распределения нагрузки, управлении давления инструмента, и так далее. Выполненное на заказ обслуживание доступно если вы не можете найти соответствующий продукт для вашего применения.

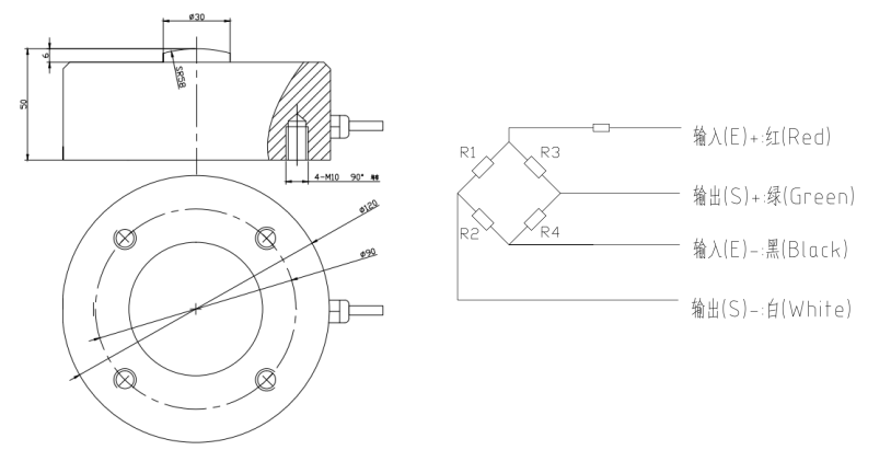
| Емкость | t | 5/10/20/30 |
| Чувствительность | mV/V | 1.5±0.2 |
| Точность | %FS |
≤±0.1 |
| Ползучесть (15min) | %FS | ≤±0.02 |
| Сопротивление входа | Ω | 760±30 |
| Сопротивление выхода | Ω | 700±10 |
| Сопротивление изоляции | M Ω | ≥5000 (100VDC) |
| Нул балансов | %FS | ≤±1 |
| Влияния температуры на пяди | %FS/10℃ | ≤0.05 |
| Влияние температуры на нул | %FS/10℃ | ≤0.05 |
| Расклассифицированный диапазон температур | ℃ | -10~+60 |
| Температурная амплитуда рабочей температуры | ℃ | -20~+80 |
| Предложенное напряжение тока возбуждения | V | 6~12 |
| Позволенное напряжение тока возбуждения | V | 18 |
| Безопасная перегрузка | %FS | 120 |
| Окончательная перегрузка | %FS | 150 |
| Защита | IP67 | |
| Спецификация кабеля | mm | Ф5 |
| Длина кабеля | m | 2 |
| Материал | Материал нержавеющей стали |


1. Какая детальная информация мне нужно для того чтобы обеспечить если я хочу делать заказ заказ?
Нам нужно знать следующую информацию: Емкость, использование и другие родственные параметры вам.
2.Do вы принять подгонянный?
Да, мы имеем различных клиентов сделать их собственные продукты OEM. Так мы можем сделать продукты согласно вашему требованию.
3. Когда вы аранжируете продукцию?
Мы аранжируем продукцию немедленно после получать вашу оплату.
4. Могу я получить некоторые образцы перед заказом места и как длинный для образца?
Да, но клиент нужно оплатить для образцов и freoght. Laed время для образцов около 7 дней вверх на полученной оплате.
5. Вы имеете скидку?
К клиентам которые приносят заказы и крупные заказы повторения. Пожалуйста свяжитесь мы для лучшей цитаты.
Электронная почта: frank0505@126.com yangzaiquan@xarj.cn что является следующим: +18992920670
Смотреть вперед к сотрудничать с вами!