Наш датчик веся масштаба идеальный выбор для медицинских и промышленных веся применений. Предварительная плоскостная клетка нагрузки на пучки с дизайном низкопрофильного, предлагая высокой точностью и точностью для широкого диапазона применений. Оно конструирован для того чтобы соотвествовать медицинских применений масштаба и отличает оценкой защиты IP65, сопротивлением изоляции ≥5000 MΩ (100VDC), безопасной перегрузкой 120% FS, нул балансами ± 2% FS, и повторимостью 0.02% FS.
Наш датчик веся масштаба сделан из высококачественных материалов и обеспечивает надежное представление даже в жестких рабочих Средах. Также легко установить и поддержать. Ячейка загрузки конструирована быть использованным в разнообразие медицинских и промышленных веся применениях, делая им идеальное решение для тех ища надежный и точный веся прибор.
Мы принимаем гордость в обеспечивать наших клиентов с самыми высококачественными продуктами и услуга. Наш датчик веся масштаба подперт нашим обязательством для того чтобы обеспечить самое лучшее обслуживание клиента, поэтому вы можете отдохнуть уверенное что ваше приобретение в хороших руках.

| Атрибуты продукта | Спецификация |
|---|---|
| Нул балансов | ± 2% FS |
| Чувствительность | 1.0±0.2mV/V, 1.5±0.2mV/V |
| Температурная амплитуда рабочей температуры | -20~+60 ℃ |
| Безопасная перегрузка | 120% FS |
| Расклассифицированный диапазон температур | ℃ 10~+40 |
| Гистерезис | 0.02% FS |
| Влияния температуры на пяди | 0.05% FS/10℃ |
| Длина кабеля | 0,6 Mm |
| Спецификация кабеля | UL Φ3.8 Mm & проводка Φ1mm электронная |
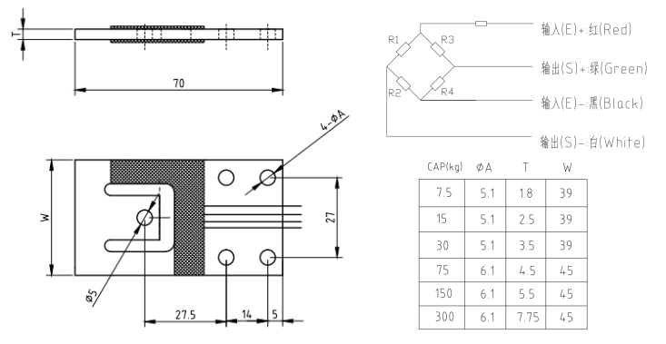
| Емкость | 7.5kg, 15kg, 30kg, 75kg, 150kg, 300kg |
| Ячейка загрузки | Ячейка загрузки веся масштаба, медицинская ячейка загрузки масштаба, плоскостная клетка нагрузки на пучки, клетка нагрузки на пучки s |
Ruijia RJ-6502 ячейка загрузки высокой точности тонкая, плоскостная клетка нагрузки на пучки с главной точностью и точность. Оно сделан ползучести алюминиевого сплава и особенностей (5min) 0.02% FS, сопротивления изоляции ≥5000 MΩ (100VDC), гистерезиса 0.02% FS, и нелинейности 0.05% FS. Идеально для применений которые требуют высокой точности и точности.
Наша команда специалистов службы технической поддержки может помочь вам со всеми вопросами или вопросами вы можете связать с датчиком веся масштаба. Мы обеспечиваем поддержку через электронную почту, болтовню в реальном маштабе времени, и телефон.
Мы гарантируем самое высококачественное технического обслуживания для всего из наших клиентов. Наши знающие агенты имеют опыт как в оборудовании, так и в программном обеспечении и могут помочь вам определить и разрешить вопросы быстро и правильно.
Мы предлагаем 24/7 службу технической поддержки и обслуживаний. Наши агенты имеют в распоряжении помочь вам с любым вопросом вы можете иметь. Никакое дело время дня, мы здесь помочь.
Если вам нужна помощь с датчиком веся масштаба, то пожалуйста не смутитесь связаться мы. Мы здесь помочь.