
RJ-6502 компактирует плоский датчик луча с весьма - низкопрофильным. Свой уникальный структурный дизайн позволяет ему быть используемыми внутри весьма - конфигурациями масштаба низкопрофильного. Типично, наши плоскостные клетки нагрузки на пучки были бы использованы в наборах 3 или 4 в масштаб в применениях такие медицинские масштабы или любая веся окружающая среда где космос ограничивающий фактор. Эта конфигурация облегчает более большой фактический размер таблицы.

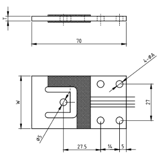
| Емкость (kg) | ΦA (mm) | T (mm) | W (mm) |
| 7,5 | 5,1 | 1,8 | 39 |
| 15 | 5,1 | 2,5 | 39 |
| 30 | 5,1 | 3,5 | 39 |
| 75 | 6,1 | 4,5 | 45 |
| 150 | 6,1 | 5,5 | 45 |
| 300 | 6,1 | 7,75 | 45 |
| Емкость | Kg | 7,5 | 15 | 30 | 75 | 150 | 300 |
| Чувствительность | mV/V |
1.0±0.2 |
1.5±0.2 | ||||
| Чувствительность | %FS | 0,05 | |||||
| Ползучесть (5min) | %FS |
0,02 |
|||||
| Ошибка линеарностей | %FS | 0,05 | |||||
| Ошибка гистерезиса | %FS | 0,02 | |||||
| Ошибка повторимости | %FS | 0,02 | |||||
| Сопротивление входа | Ω | 1090±30 | |||||
| Сопротивление выхода | Ω | 1000±10 | |||||
| Сопротивление изоляции | M Ω | ≥5000 (100VDC) | |||||
| Нул балансов | %FS | ±2 | |||||
| Влияния температуры на пяди | %FS/10℃ | 0,05 | |||||
| Влияние температуры на нул | %FS/10℃ | 0,05 | |||||
| Расклассифицированный диапазон температур | ℃ | -10~+40 | |||||
| Температурная амплитуда рабочей температуры | ℃ | -20~+60 | |||||
| Предложенное напряжение тока возбуждения | V | 6~12 | |||||
| Позволенное напряжение тока возбуждения | V | 3~15 | |||||
| Безопасная перегрузка | %FS | 120 | |||||
| Окончательная перегрузка | %FS | 150 | |||||
| Защита | IP65 | ||||||
| Спецификация кабеля | mm | Проводка Φ3.8UL & Φ1electronic | |||||
| Длина кабеля | m | 0,6 | |||||
| Материал | Алюминиевый сплав | ||||||



Широко использованный для младенца низкопрофильного и взрослых медицинских масштабов, масштабы платформы, личные масштабы, масштабы багажа аэропорта, почтовые масштабы, медицинское оборудование, ect.

CO. аппаратуры измерения Xian Ruijia, Ltd было основано в 2005,
главным образом принималось за датчик силы и родственные электронные оформление изделия, продукцию и продажи. С 100 работниками, officce нашей компании главное расположено на но. 81, Jinye 1-ое Roade, район Hi-техника, провинция Сиань Шэньси. Наша ветвь расположена в Ханьчжуне, районе Хана.
Мы имеем больше чем 20 лет опыта научного исследования и продукции в алюминиевых и стальных высокоточных ячейках загрузки, выстраивающ в ряд от 1kg к 50t, и датчики давления, датчики давления масла затяжелителя, выстраивая в ряд от 1Mpa к 200Mpa. К тому же, наше независимое НИОКР нефтяной скважины сверля, ломающ, цементируя датчики давления также выиграло министерство государства поддержки фондом нововведения науки и техники. Продукты достигали технические стандарты подобных продуктов в Европе и Америке.

