Лифт веся систему регулятора (лифт веся систему) играет важную роль в деятельности лифтов. Веся регулятор состоит из 2 частей, одна часть часть регулятора и другая часть часть ячейки загрузки. Ячейка загрузки преобразовывает сигнал веса в электрический сигнал через кабель передачи к части регулятора, которая уносит вычисление и обработку для выполнения весить лифта.
Когда вес в изменениях автомобиля лифта, регулятор может вывести наружу множественные сигналы контакта реле и настоящий сигнал 0~10mA или 0~10V или напряжение тока -10V~+10V сигнал как необходим. Когда лифт будет перегружен, регулятор выдаст ядровый и светлый сигнал тревоги для того чтобы обеспечить точные данные для весить и начала лифта.

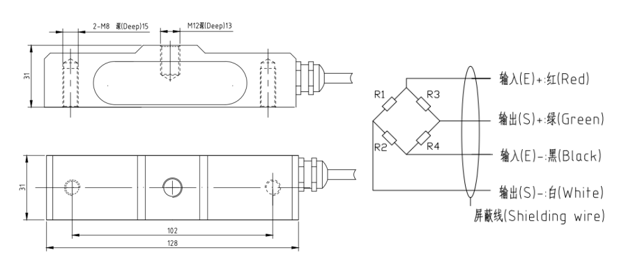
| Емкость | Kg | 800 |
| Чувствительность | mV/V | 2.0±0.05 |
| Точность | ≤±0.05 | |
| Ползучесть (15min) | %FS | ≤±0.02 |
| Сопротивление входа | Ω | 1000±10 |
| Сопротивление выхода | Ω | 1000±10 |
| Сопротивление изоляции | M Ω | ≥5000 (100VDC) |
| Нул балансов | %FS | ≤±1 |
| Влияния температуры на пяди | %FS/10℃ | ≤0.02 |
| Влияние температуры на нул | %FS/10℃ | ≤0.02 |
| Расклассифицированный диапазон температур | ℃ | -10~+60 |
| Температурная амплитуда рабочей температуры | ℃ | -20~+80 |
| Предложенное напряжение тока возбуждения | V | 6~12 |
| Позволенное напряжение тока возбуждения | V | 18 |
| Безопасная перегрузка | %FS | 120 |
| Окончательная перегрузка | %FS | 150 |
| Защита | IP65 | |
| Спецификация кабеля | mm | Ф5 |
| Длина кабеля | m | 1,4 |
| Материал | Алюминиевый сплав |




вопросы и ответы
детальной информации 1.What делает меня нужно обеспечить если я хочу делать заказ заказ?
Нам нужно знать следующую информацию: Емкость, использование и другие родственные параметры вам.
2.Are вы торговая компания?
Мы изготовитель, наша фабрика проходили CTI, ISO9001: 2008, NTEP, OIML, мы имеем хорошую проверку качества.
3.Do вы принять подгонянный?
Да, мы имеем различных клиентов сделать их собственные продукты OEM.
Так мы также можем сделать продукты согласно вашему требованию.
4.When вы аранжируете продукцию?
Мы аранжируем продукцию немедленно после получать вашу оплату.
5.Can я получаю некоторые образцы перед заказом места и как длинный для образца?
Да, но клиент нужно оплатить для образцов и перевозка, время выполнения для образцов около 7 дней вверх дальше получила оплату.
6.How ваша доставка?
1)грузить срочным (заказ образца) или морским путем (оптовый заказ);
2)всемирное грузя обслуживание доступное;
3)пожалуйста контакт перед заказом как грузя цена меняет время приурочить.
7.Will вы имеете некоторую скидку?
1)К клиентам которые приносят заказы и крупные заказы повторения;
2)Пожалуйста свяжитесь мы для лучшей цитаты.
8.Could я имею вашу информацию о возможностях контактов?
Вы можете добавить нас на WFATSAPP: +86 18992920670.
Смотреть вперед к сотрудничать с вами!